| Figure 1: |
Data Link, Grounds, MIL, and Power
|
| Figure 2: |
5 Volt and Low Reference Bussing
|
| Figure 3: |
ECT, IAT, MAP, and TP Sensors
|
| Figure 4: |
MAF and VSS
|
| Figure 5: |
HO2S
|
| Figure 6: |
Ignition Control
|
| Figure 7: |
Fuel Pump
|
| Figure 8: |
Fuel Injectors
|
| Figure 9: |
EVAP and FTP
|
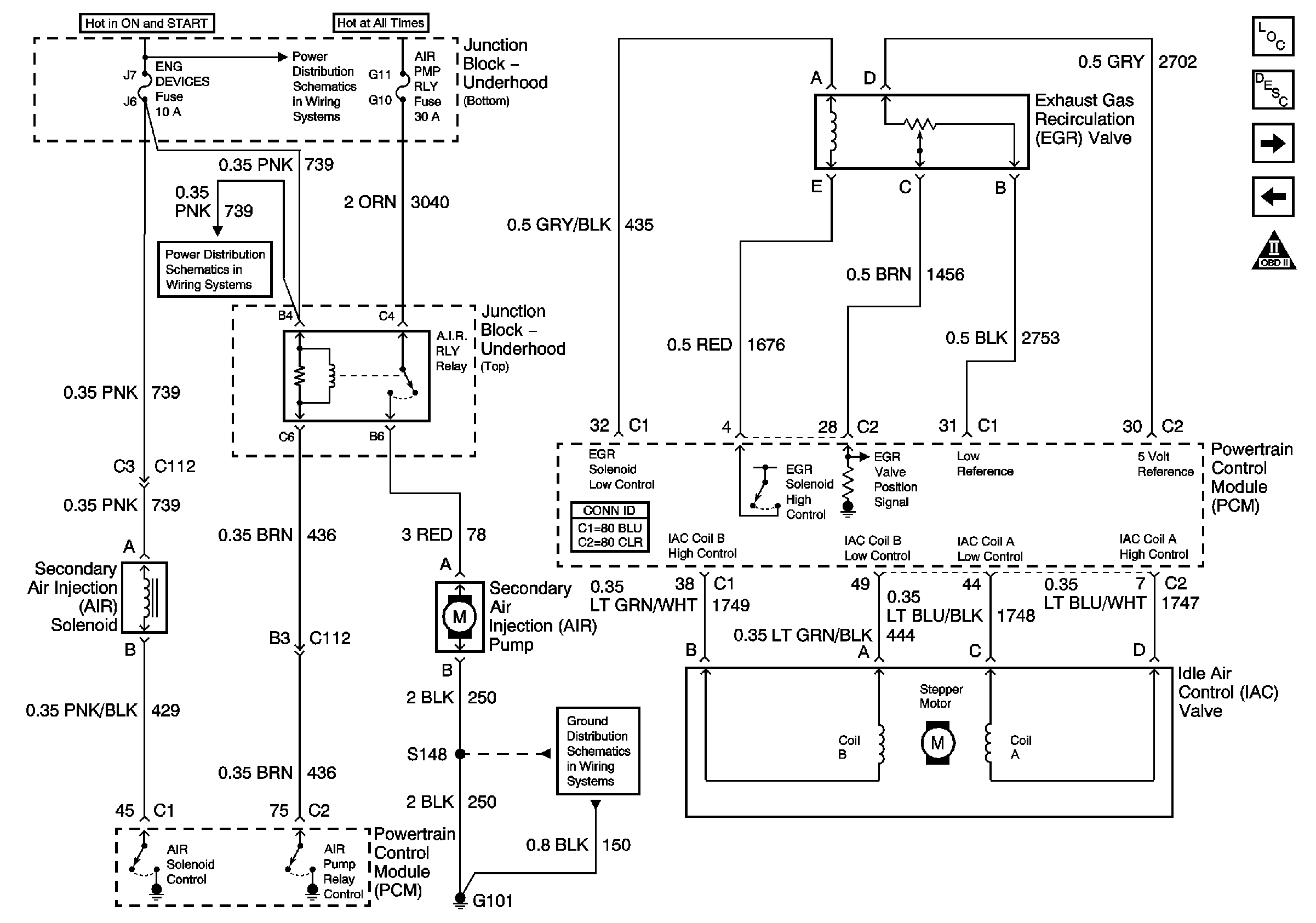
| Figure 10: |
AIR, EGR, and IAC
|
| Figure 11: |
Subsystem References
|
| Figure 12: |
A/T References
|