GM Service Manual Online
For 1990-2009 cars only
Makes
🢒
Chevrolet
🢒
2002
🢒
Impala
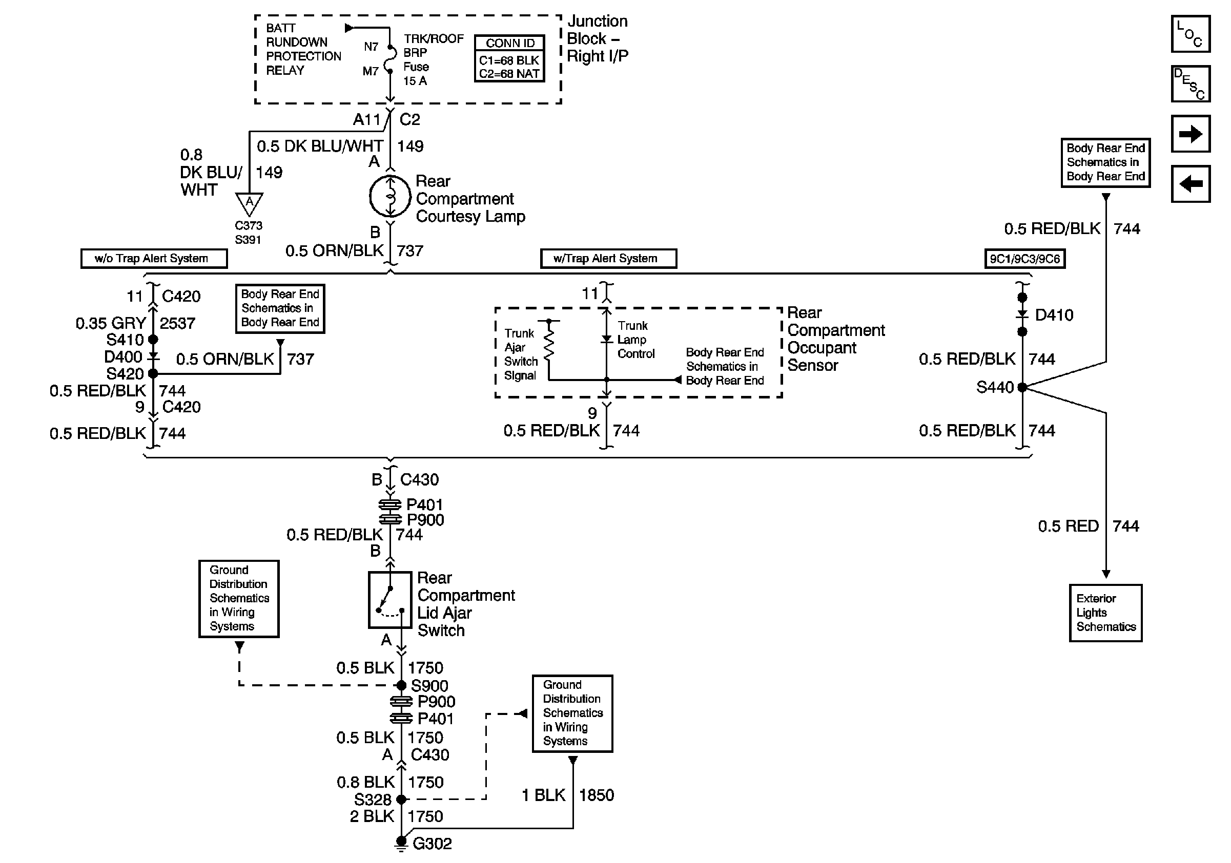
🢒 Rear Compartment
Rear Compartment
Rear Compartment
Master Electrical Component List
Interior Lighting Systems Description and Operation
Roof Lighting
Courtesy Lamps Control, and I/P
Courtesy Lamps Control, and I/P
Roof Lighting
Decklid Release (w/o Entrapment Protection)
Decklid Release (w/Entrapment Protection)
Decklid Release (w/o Entrapment Protection)
G302 (2 of 2) and G309
G302 (1 of 2)
Emergency Vehicle Rear Compartment Lid Lamps, and Spot Lamps