GM Service Manual Online
For 1990-2009 cars only
Figure 1:

Antenna, Grounds, Power, and References to DLC, Lighting, and OnStar


Object Number: 808847  Size: FS
Master Electrical Component List
Radio/Audio System Description and Operation
Audio Amplifier
HTD MIR, RADIO, and RT IP#3 Fuses, Rear DEFOG BRKR Relay
HTD MIR, RADIO, and RT IP#3 Fuses, Rear DEFOG BRKR Relay
DLC
I/P
G202
G201 [2 of 2]
G201 [1 of 2]
Audio Amplifier
Audio Comm., and Inside Rearview Mirror
Figure 2:

Audio Amplifier


Object Number: 1225270  Size: FS
Master Electrical Component List
Radio/Audio System Description and Operation
Digital Radio Receiver [U2K]
Antenna, Grounds, Power, DLC, Lighting, and Onstar
HTD MIR, RADIO, and RT IP#3 Fuses, Rear DEFOG BRKR Relay
HTD MIR, RADIO, and RT IP#3 Fuses, Rear DEFOG BRKR Relay
Entertainment Schematic Icons
Entertainment Schematic Icons
Entertainment Schematic Icons
Entertainment Schematic Icons
Antenna, Grounds, Power, DLC, Lighting, and Onstar
G202
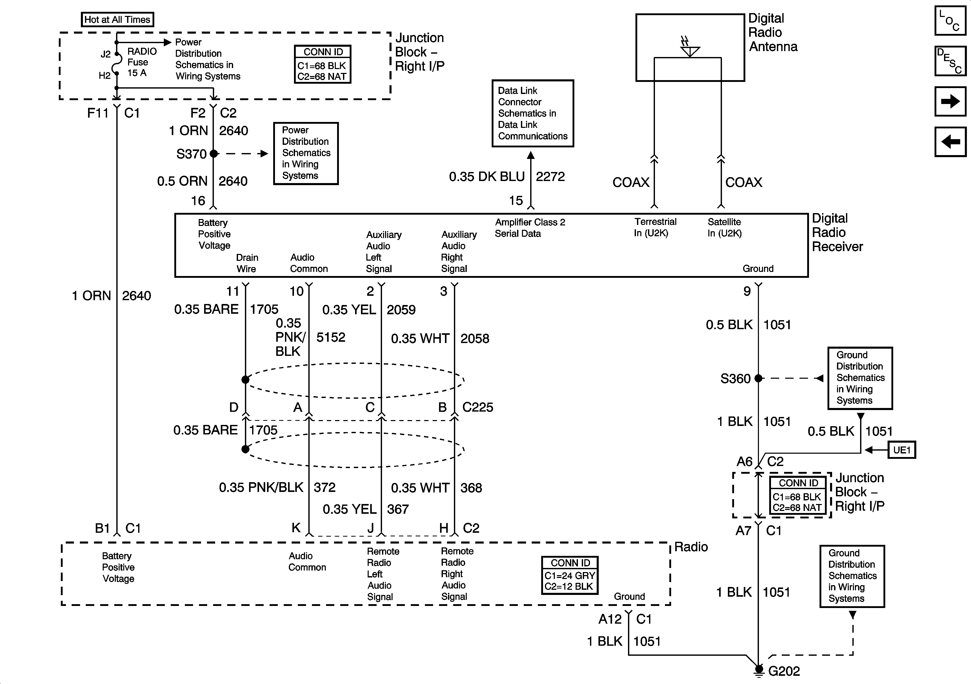
Figure 3:

Digital Radio Receiver (U2K)


Object Number: 1326114  Size: FS
Master Electrical Component List
Radio/Audio System Description and Operation
Speakers [U62/Uw6]
Audio Amplifier
HTD MIR, RADIO, and RT IP#3 Fuses, Rear DEFOG BRKR Relay
HTD MIR, RADIO, and RT IP#3 Fuses, Rear DEFOG BRKR Relay
DLC
G202
G202
Figure 4:

Speakers (U62/UW6)


Object Number: 775313  Size: FS
Master Electrical Component List
Radio/Audio System Description and Operation
Speakers [UQ3]
Digital Radio Receiver [U2K]
Entertainment Schematic Icons
Entertainment Schematic Icons
Entertainment Schematic Icons
Entertainment Schematic Icons
Entertainment Schematic Icons
Entertainment Schematic Icons
Entertainment Schematic Icons
Entertainment Schematic Icons
Entertainment Schematic Icons
Figure 5:

Speakers (UQ3)


Object Number: 899378  Size: FS
Master Electrical Component List
Radio/Audio System Description and Operation
Speakers [WX7]
Speakers [U62/Uw6]
Entertainment Schematic Icons
Entertainment Schematic Icons
Figure 6:

Speakers (WX7)


Object Number: 696987  Size: FS
Master Electrical Component List
Radio/Audio System Description and Operation
Speakers [UQ3]
Entertainment Schematic Icons
Entertainment Schematic Icons
Entertainment Schematic Icons
Entertainment Schematic Icons
Entertainment Schematic Icons
Entertainment Schematic Icons
Entertainment Schematic Icons
Entertainment Schematic Icons
Entertainment Schematic Icons
Entertainment Schematic Icons