GM Service Manual Online
For 1990-2009 cars only
Figure 1:

ECM Power, Ground, MIL, and Serial Data


Object Number: 1648542  Size: FS
Master Electrical Component List
Engine Control Module Description
Control Module References
5-Volt and Low Reference Bussing
Engine Controls Schematic Icons
Fuse Block - Underhood Bussing
Ignition Switch
Ignition Switch
Fuse Block - Underhood Bussing
EMISSIONS 1, EMISSIONS 2, A/C CMPRSR Fuses, A/C CMPRSR, FAN 1, FAN 2, and FAN 3 Relays
G101, G102, G111, and G112 (LS4)
G101, G102, G111, and G112 (LS4)
INT LTS/PNL DIM, LT T/SIG RT T/SIG, CHMSL/BACKUP, INT LIGHTS, RVC SEN, and ECM/TCM Fuses
High Speed GMLAN Serial Data
G101, G102, G111, and G112 (LS4)
Figure 2:

5-Volt, and Low Reference Bussing


Object Number: 1648545  Size: FS
Master Electrical Component List
Engine Control Module Description
Control Module References
MAP, ECT, and MAF/IAT Sensors
ECM Power, Ground, MIL, and Serial Data
Engine Controls Schematic Icons
Figure 3:

MAP, ECT, and MAF/IAT Sensors


Object Number: 1648547  Size: FS
Master Electrical Component List
Engine Control Module Description
Control Module References
Heated Oxygen Sensors
5-Volt and Low Reference Bussing
Engine Controls Schematic Icons
ECM Power, Ground, MIL, and Serial Data
EMISSIONS 1, EMISSIONS 2, A/C CMPRSR Fuses, A/C CMPRSR, FAN 1, FAN 2, and FAN 3 Relays
Turn Signal, Hazard, and Stoplamps Outputs
VSS, AT ISS Sensors, Pressure Control Solenoid Valve, and TCC Release Switch
G101, G102, G111, and G112 (LS4)
G101, G102, G111, and G112 (LS4)
Figure 4:

Heated Oxygen Sensors


Object Number: 1648553  Size: FS
Master Electrical Component List
Engine Control Module Description
Control Module References
Electronic Throttle Controls
MAP, ECT, and MAF/IAT Sensors
Engine Controls Schematic Icons
ECM Power, Ground, MIL, and Serial Data
EMISSIONS 1, EMISSIONS 2, A/C CMPRSR Fuses, A/C CMPRSR, FAN 1, FAN 2, and FAN 3 Relays
Figure 5:

Electronic Throttle Controls


Object Number: 1648558  Size: FS
Master Electrical Component List
Throttle Actuator Control (TAC) System Description
Control Module References
Ignition Controls Bank 1 (Odd) Ignition Coils
Heated Oxygen Sensors
Engine Controls Schematic Icons
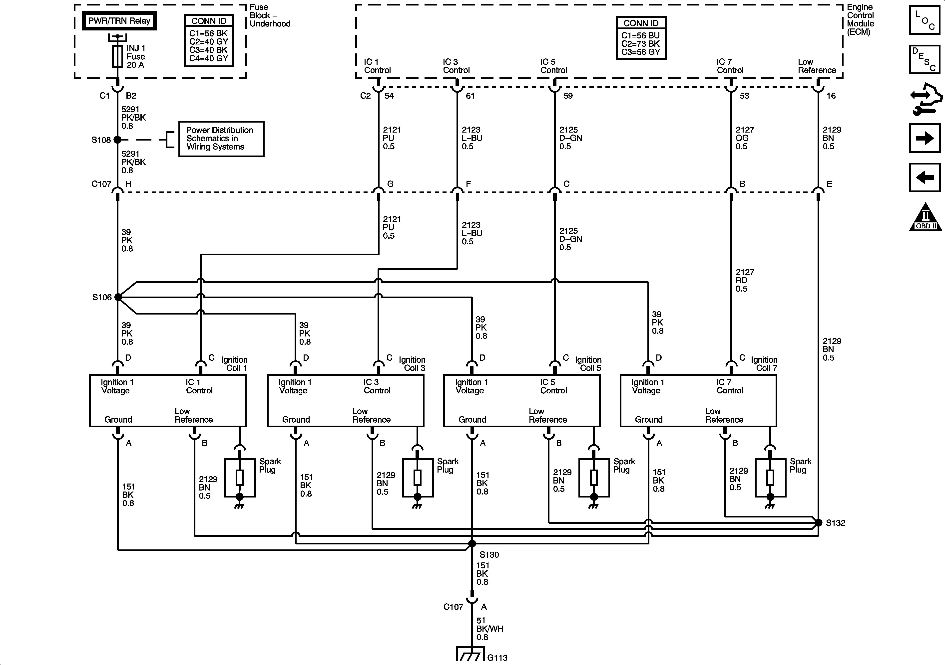
Figure 6:

Ignition Controls Bank 1 (Odd) Ignition Coils


Object Number: 1648565  Size: FS
Master Electrical Component List
Electronic Ignition (EI) System Description
Control Module References
Ignition Controls Bank 2 (Even) Ignition Coils
Electronic Throttle Controls
Engine Controls Schematic Icons
ECM Power, Ground, MIL, and Serial Data
ETC/ECM, INJ 1 and INJ 2 Fuses (LS4)
G113, and G115
Figure 7:

Ignition Controls Bank 2 (Even) Ignition Coils


Object Number: 1648573  Size: FS
Master Electrical Component List
Electronic Ignition (EI) System Description
Control Module References
Ignition Controls Knock, CMP, CKP, Brake Booster Vacuum Sensors, and Valve Lifter Oil Manifold Assembly
Ignition Controls Bank 1 (Odd) Ignition Coils
Engine Controls Schematic Icons
ECM Power, Ground, MIL, and Serial Data
ETC/ECM, INJ 1 and INJ 2 Fuses (LS4)
G113, and G115
Figure 8:

Ignition Controls Knock, CMP, CKP, Brake Booster Vacuum Sensors, and Valve Lifter Oil Manifold Assembly


Object Number: 1648581  Size: FS
Master Electrical Component List
Displacement on Demand (DoD) System Description
Control Module References
Fuel Pump Controls
Ignition Controls Bank 2 (Even) Ignition Coils
Engine Controls Schematic Icons
ECM Power, Ground, MIL, and Serial Data
EMISSIONS 1, EMISSIONS 2, A/C CMPRSR Fuses, A/C CMPRSR, FAN 1, FAN 2, and FAN 3 Relays
Engine Controls Schematic Icons
Engine Controls Schematic Icons
Engine Controls Schematic Icons
Figure 9:

Fuel Pump Controls


Object Number: 1648591  Size: FS
Master Electrical Component List
Fuel System Description
Control Module References
Fuel Injectors
Ignition Controls Knock, CMP, CKP, Brake Booster Vacuum Sensors, and Valve Lifter Oil Manifold Assembly
Engine Controls Schematic Icons
Fuse Block - Underhood Bussing
Fuse Block - Underhood Bussing
G101, G102, G111, and G112 (LS4)
Power, Ground, and Gages
G101, G102, G111, and G112 (LS4)
G101, G102, G111, and G112 (LS4)
G302
G302 (Sedan)
Figure 10:

Fuel Injectors


Object Number: 1648604  Size: FS
Master Electrical Component List
Fuel System Description
Control Module References
EVAP Solenoids, and FTP Sensor
Fuel Pump Controls
Engine Controls Schematic Icons
ECM Power, Ground, MIL, and Serial Data
ETC/ECM, INJ 1 and INJ 2 Fuses (LS4)
ETC/ECM, INJ 1 and INJ 2 Fuses (LS4)
Figure 11:

EVAP Solenoids, and FTP Sensor


Object Number: 1648608  Size: FS
Master Electrical Component List
Evaporative Emission Control System Description
Control Module References
Controlled/Monitored Subsystem References
Fuel Injectors
Engine Controls Schematic Icons
BATT 1, CNSTR, ONSTAR, AMP, and AUX Fuses
BATT 1, CNSTR, ONSTAR, AMP, and AUX Fuses
ECM Power, Ground, MIL, and Serial Data
EMISSIONS 1, EMISSIONS 2, A/C CMPRSR Fuses, A/C CMPRSR, FAN 1, FAN 2, and FAN 3 Relays
Power, Ground, and Gages
Figure 12:

Controlled/Monitored Subsystem References


Object Number: 1648618  Size: FS
Master Electrical Component List
Engine Control Module Description
Control Module References
EVAP Solenoids, and FTP Sensor
Engine Controls Schematic Icons
A/C Compressor Controls
Engine Cooling Schematics
Starter
Generator
Driver Information Center
Indicators
PRNDL, and IMS Switch