GM Service Manual Online
For 1990-2009 cars only
Makes
🢒
Chevrolet
🢒
2006
🢒
Impala
🢒
Vehicle Control Systems
🢒
Vehicle DTC Information
🢒 Passenger Seat Schematics
Figure
1:
6-Way Power
Master Electrical Component List
Power Seats System Description and Operation
Control Module References
Heat Controls
BATT 2, HTD/SEAT, AIRBAG, PWR/MIR Fuses, and PWR/SEAT Circuit Breaker
BATT 2, HTD/SEAT, AIRBAG, PWR/MIR Fuses, and PWR/SEAT Circuit Breaker
BATT 2, HTD/SEAT, AIRBAG, PWR/MIR Fuses, and PWR/SEAT Circuit Breaker
G302
G302 (Sedan)
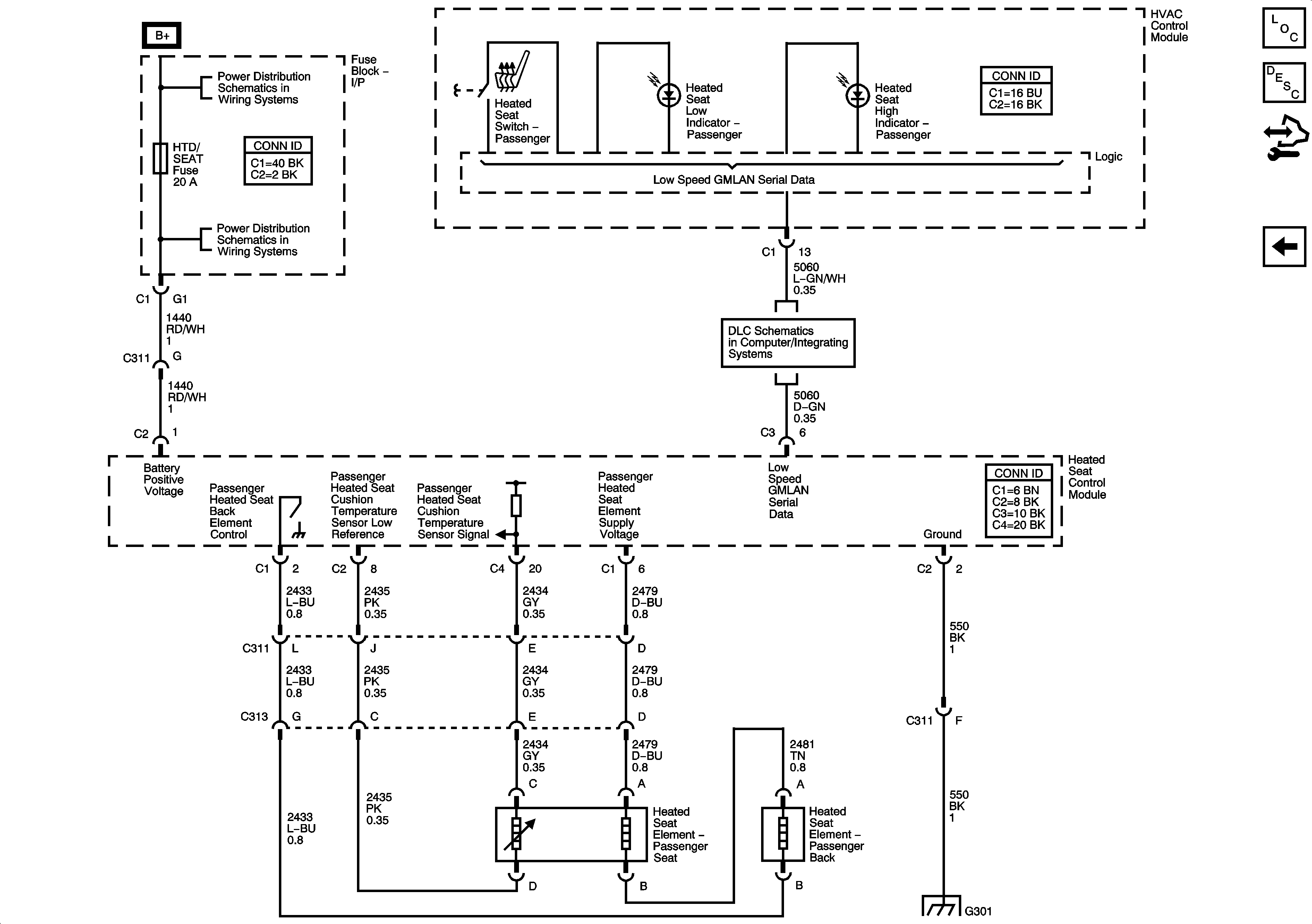
Figure
2:
Heat Controls
Master Electrical Component List
Heated Seats Description and Operation
Control Module References
6-Way Power
BATT 2, HTD/SEAT, AIRBAG, PWR/MIR Fuses, and PWR/SEAT Circuit Breaker
BATT 2, HTD/SEAT, AIRBAG, PWR/MIR Fuses, and PWR/SEAT Circuit Breaker
BATT 2, HTD/SEAT, AIRBAG, PWR/MIR Fuses, and PWR/SEAT Circuit Breaker
Power, Ground, and Low Speed GMLAN Serial Data
G301