GM Service Manual Online
For 1990-2009 cars only
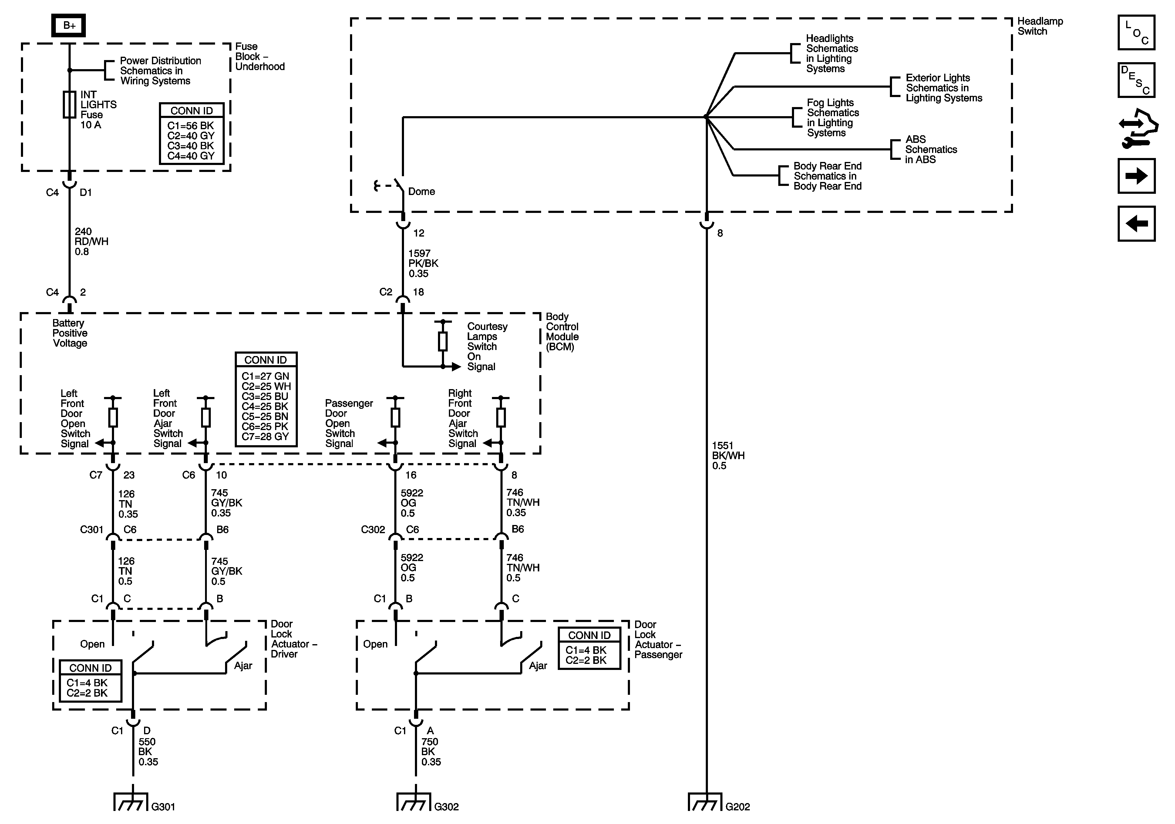
Figure 1:

Switches (Sedan)


Object Number: 1657104  Size: FS
Master Electrical Component List
Interior Lighting Systems Description and Operation
Control Module References
Switches (Coupe)
Fuse Block - Underhood Bussing
INT LTS/PNL DIM, LT T/SIG RT T/SIG, CHMSL/BACKUP, INT LIGHTS, RVC SEN, and ECM/TCM Fuses
Switches
Park Lamps 1 of 2
Fog Lights Schematics
Indicators, ABS, and Traction Control
Body Rear End Schematics
G301
G302 (Sedan)
G301
G302 (Sedan)
G202, and G204
Figure 2:

Switches (Coupe)


Object Number: 1657108  Size: FS
Master Electrical Component List
Interior Lighting Systems Description and Operation
Control Module References
Passenger Compartment Lights
Switches (Sedan)
Fuse Block - Underhood Bussing
INT LTS/PNL DIM, LT T/SIG RT T/SIG, CHMSL/BACKUP, INT LIGHTS, RVC SEN, and ECM/TCM Fuses
Switches
Park Lamps 1 of 2
Fog Lights Schematics
Indicators, ABS, and Traction Control
Body Rear End Schematics
G301
G302
G202, and G204
Figure 3:

Passenger Compartment Lights


Object Number: 1657110  Size: FS
Master Electrical Component List
Interior Lighting Systems Description and Operation
Control Module References
Rear Compartment Lights
Switches (Coupe)
Fuse Block - Underhood Bussing
INT LTS/PNL DIM, LT T/SIG RT T/SIG, CHMSL/BACKUP, INT LIGHTS, RVC SEN, and ECM/TCM Fuses
Rear Compartment Lights
Inside Rearview Mirror Schematics
G200
G301
Figure 4:

Rear Compartment Lights


Object Number: 1657113  Size: FS
Master Electrical Component List
Interior Lighting Systems Description and Operation
Control Module References
Passenger Compartment Lights
Passenger Compartment Lights
Content Theft Deterrent (CTD) System
Body Rear End Schematics
G302