GM Service Manual Online
For 1990-2009 cars only
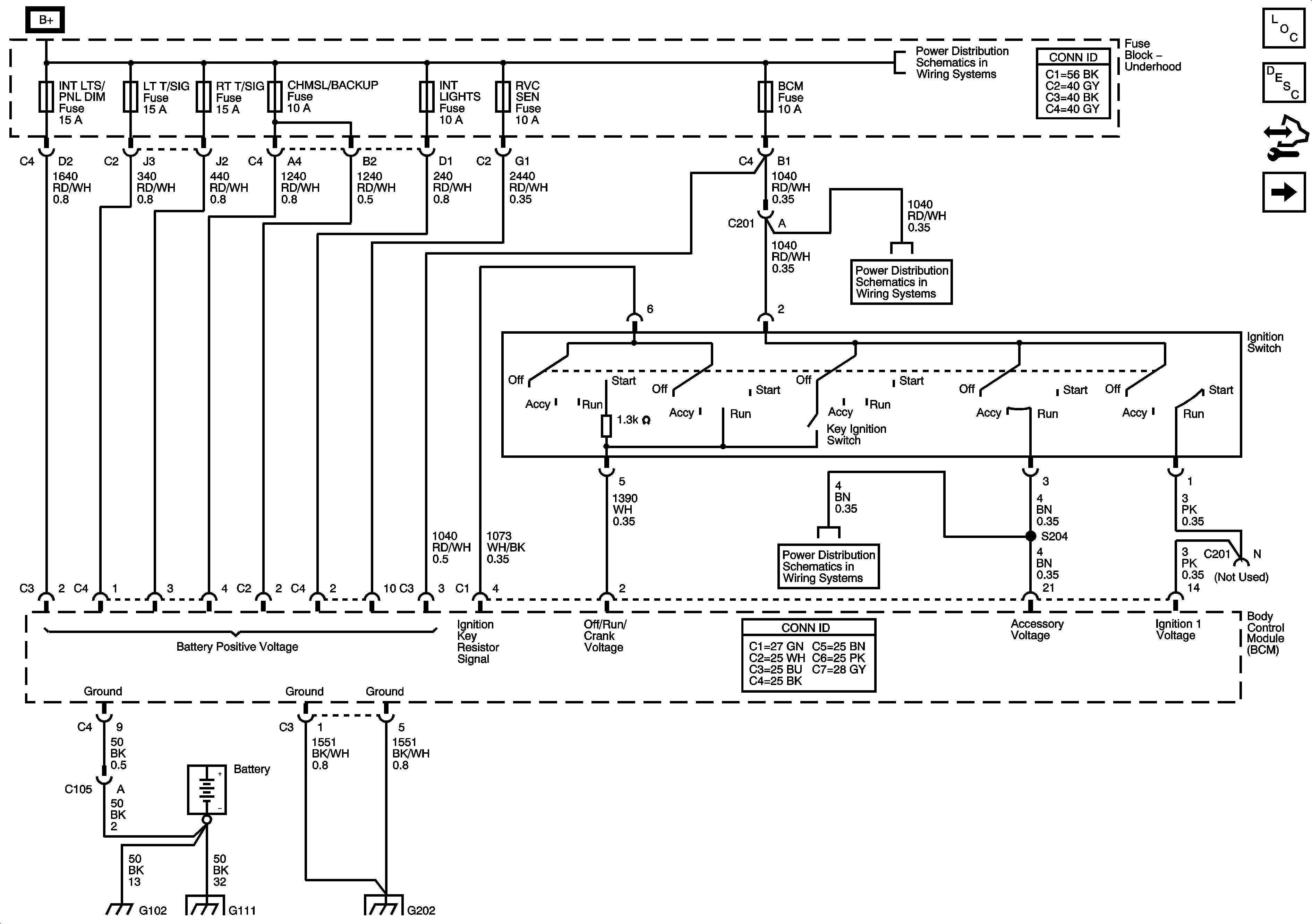
Figure 1:

Power and Ground


Object Number: 1657248  Size: FS
Master Electrical Component List
Body Control System Description and Operation
Control Module References
Data Link, Starting and Charging, Engine Controls, A/T Shift Lock Controls, Cruise Control, ABS, Brake Warning, Headlights/DRL, and Fog Lights References
Fuse Block - Underhood Bussing
Fuse Block - Underhood Bussing
Ignition Switch
Ignition Switch
G101, G102, G111, and G112 (LS4)
G202, and G204
Figure 2:

Data Link, Starting and Charging, Engine Controls, A/T Shift lock Controls, Cruise Control, ABS, Brake Warning, Headlights/DRL, and Fog Lights References


Object Number: 1657249  Size: FS
Master Electrical Component List
Body Control System Description and Operation
Control Module References
Exterior Lights, Interior Lights, Interior Lights Dimming, RAP, and Door Lock/Indicator References
Power and Ground
Power, Ground, and Low Speed GMLAN Serial Data
High Speed GMLAN Serial Data
Starter
Generator
ECM Power, Ground, MIL, and Serial Data
ECM Power, Ground, MIL, and Serial Data
ECM Power, Ground, MIL, and Serial Data
Power, Ground, and Serial Data
ECM Power, Ground, MIL, and Serial Data
ECM Power, Ground, MIL, and Serial Data
ECM Power, Ground, MIL, and Serial Data
Automatic Transmission Shift Lock Control Schematics
Cruise Control Schematics
Indicators, ABS, and Traction Control
Brake Warning System Schematics
DRL Relay, Headlamps, and Power
DRL Relay, Headlamps, and Power (9C1, 9C3)
Switches
Fog Lights Schematics
Figure 3:

Exterior Lights, Interior Lights, Interior Lights Dimming, RAP, and Door Lock/Indicator References


Object Number: 1657252  Size: FS
Master Electrical Component List
Body Control System Description and Operation
Control Module References
Door Lock/Indicator Cont., Theft Deterrent, Horns, Steering Wheel, Upfitter Provisions, Wiper/Washer, and Body Rear End References
Data Link, Starting and Charging, Engine Controls, A/T Shift Lock Controls, Cruise Control, ABS, Brake Warning, Headlights/DRL, and Fog Lights References
Turn Signal, Hazard, and Stoplamps Inputs
Turn Signal, Hazard, and Stoplamps Outputs
Park Lamps 1 of 2
Backup, and License Lamps
Switches (Sedan)
Switches (Coupe)
Passenger Compartment Lights
Coupe
Sedan
Radio, HVAC Control Module, Driver Information Center (DIC) Switch, and Steering Wheel Controls
Retained Accessory Power (RAP) Schematics
Door Lock Switches
Door Lock Actuators
Figure 4:

Door Lock/Indicator Cont., Theft Deterrent, Horns, Steering Wheel, Upfitter Provisions, Wiper/Washer, and Body Rear End References


Object Number: 1657254  Size: FS
Master Electrical Component List
Body Control System Description and Operation
Control Module References
Exterior Lights, Interior Lights, Interior Lights Dimming, RAP, and Door Lock/Indicator References
Door Ajar Indicators
Content Theft Deterrent (CTD) System
Horns Schematics
Steering Wheel Controls Schematics
6J1
6J3, 6J6, 6F5, and 6C8
Wiper/Washer System Schematics
Body Rear End Schematics