GM Service Manual Online
For 1990-2009 cars only
Figure 1:

G100


Object Number: 1888239  Size: FS
Master Electrical Component List
Control Module References
G101, G102, and G111
Figure 2:

G101, G102, and G111


Object Number: 1888241  Size: FS
Master Electrical Component List
Control Module References
G113, and G115
G100
Figure 3:

G113, and G115


Object Number: 1888242  Size: FS
Master Electrical Component List
Control Module References
G200
G101, G102, and G111
Figure 4:

G200


Object Number: 1888243  Size: FS
Master Electrical Component List
Control Module References
G201
G113, and G115
Figure 5:

G201


Object Number: 1888244  Size: FS
Master Electrical Component List
Control Module References
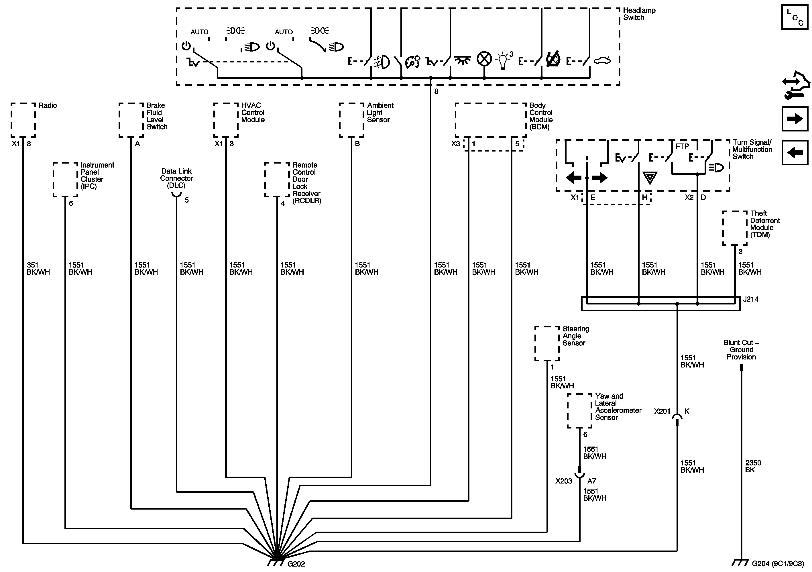
G202, and G204
G200
Master Electrical Schematic Icons
Master Electrical Schematic Icons
Figure 6:

G202, and G204


Object Number: 1888245  Size: FS
Master Electrical Component List
Control Module References
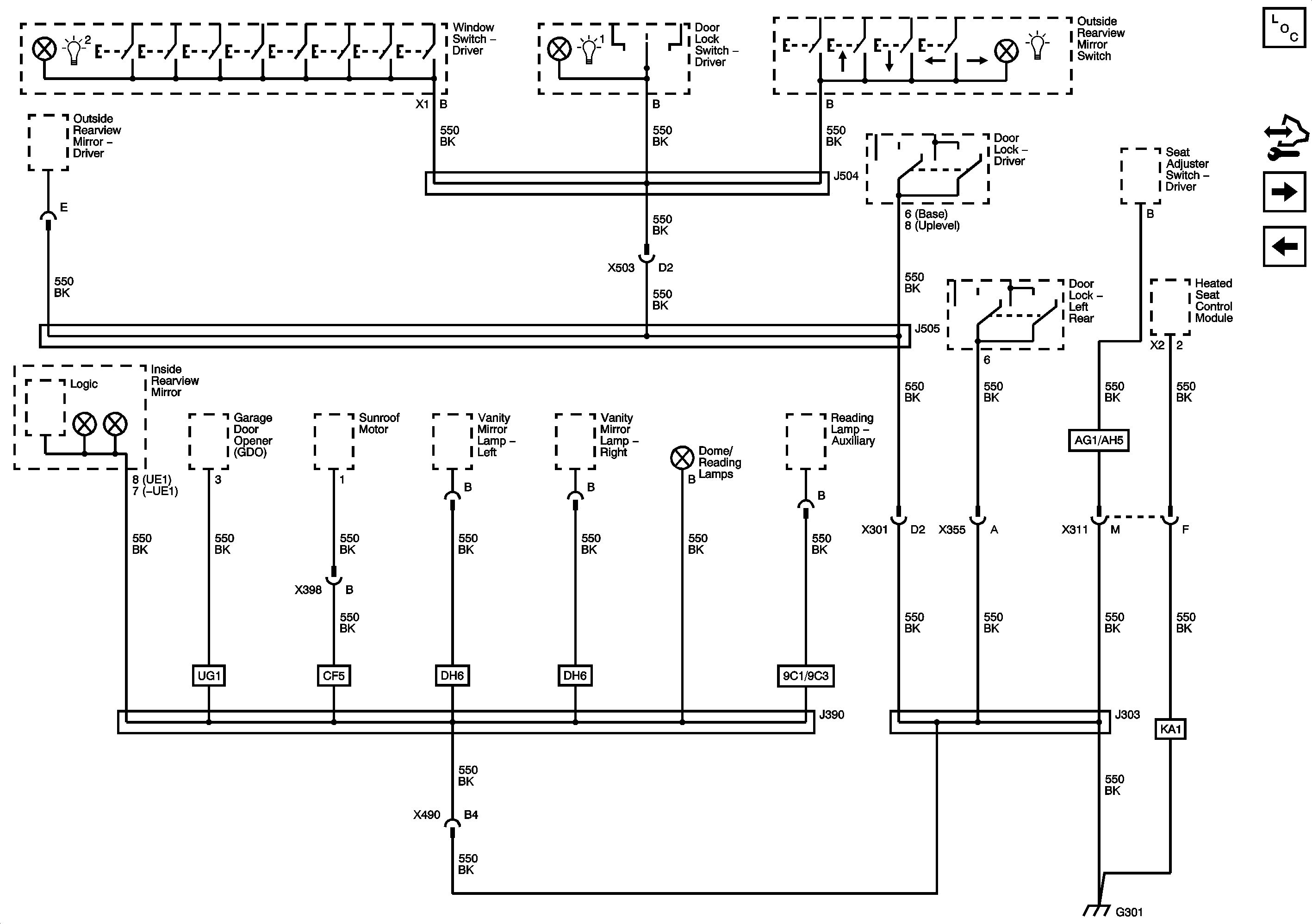
G301
G201
Figure 7:

G301


Object Number: 1888246  Size: FS
Master Electrical Component List
Control Module References
G302 (1 of 2)
G202, and G204
Figure 8:

G302 (1 of 2)


Object Number: 2002179  Size: FS
Master Electrical Component List
Control Module References
G302
G301
G302
Figure 9:

G302 (2 of 2)


Object Number: 1888247  Size: FS
Master Electrical Component List
Control Module References
G403, and G404
G302 (1 of 2)
G302 (1 of 2)
Master Electrical Schematic Icons
Master Electrical Schematic Icons
Figure 10:

G403, and G404


Object Number: 1888248  Size: FS
Master Electrical Component List
Control Module References
G302