GM Service Manual Online
For 1990-2009 cars only
Makes
🢒
Chevrolet
🢒
2008
🢒
Impala
🢒
Diagnostic Navigation
🢒
Vehicle Diagnostic Information
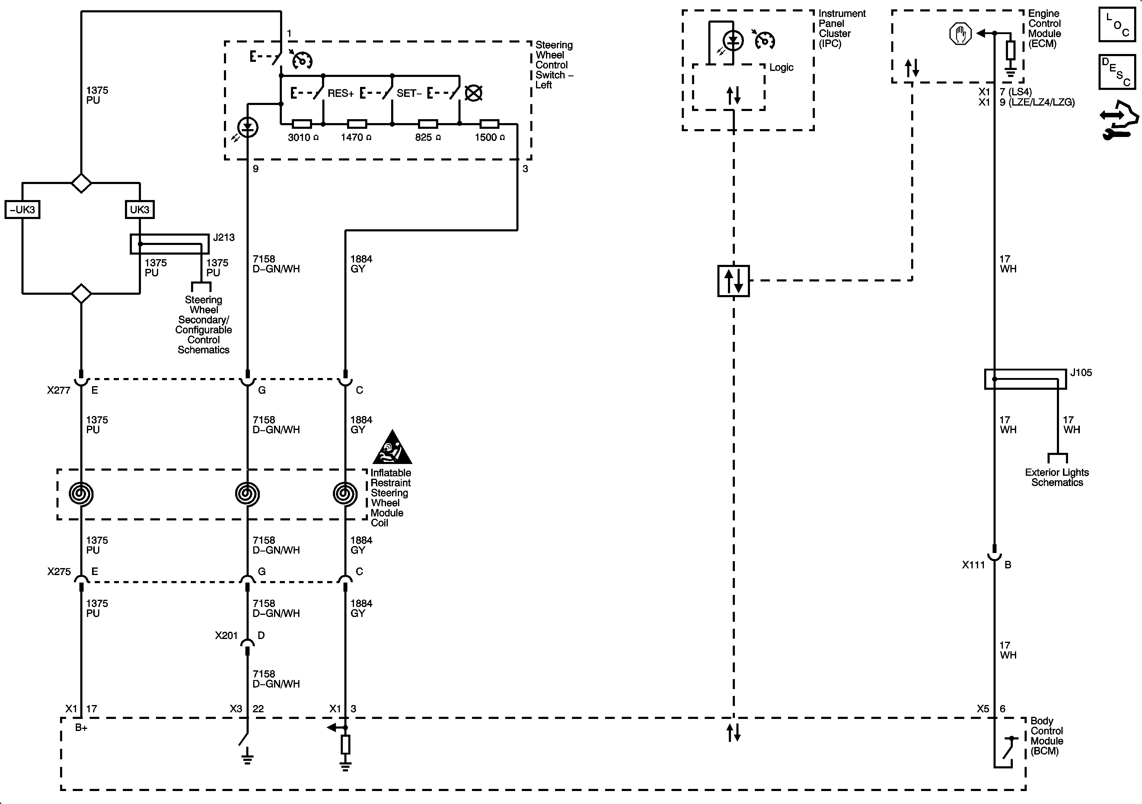
🢒 Cruise Control Schematics
Master Electrical Component List
Cruise Control Description and Operation
Control Module References
Power, Ground, and Low Speed GMLAN Serial Data
Turn Signal, Hazard, and Stop Lamps Outputs
Master Electrical Schematic Icons
Steering Wheel Secondary/Configurable Control Schematics