GM Service Manual Online
For 1990-2009 cars only
Makes
🢒
Chevrolet
🢒
2008
🢒
Impala
🢒
Diagnostic Navigation
🢒
Vehicle Diagnostic Information
🢒 Heated/Cooled Seat Schematics
Figure
1:
Driver
Master Electrical Component List
Heated Seats Description and Operation
Control Module References
Passenger
BATT 2, HTD/SEAT, AIRBAG, PWR/MIR Fuses, and PWR/SEAT Circuit Breaker
BATT 2, HTD/SEAT, AIRBAG, PWR/MIR Fuses, and PWR/SEAT Circuit Breaker
Power, Ground, and Low Speed GMLAN Serial Data
G301
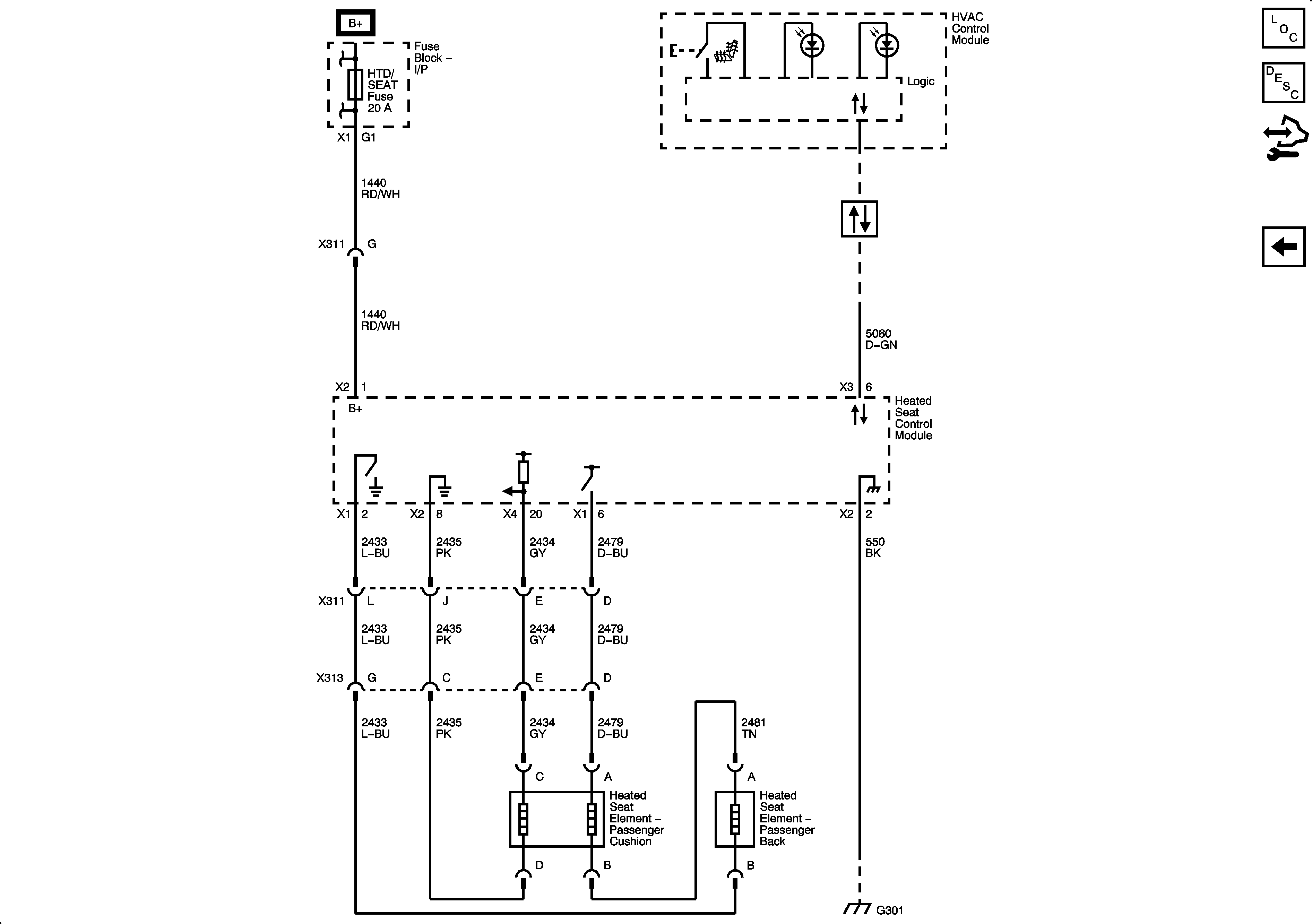
Figure
2:
Passenger
Master Electrical Component List
Heated Seats Description and Operation
Control Module References
Driver
BATT 2, HTD/SEAT, AIRBAG, PWR/MIR Fuses, and PWR/SEAT Circuit Breaker
BATT 2, HTD/SEAT, AIRBAG, PWR/MIR Fuses, and PWR/SEAT Circuit Breaker
Power, Ground, and Low Speed GMLAN Serial Data
G301