GM Service Manual Online
For 1990-2009 cars only
Figure 1:

ECM Power, Ground, MIL, and Serial Data


Object Number: 2080071  Size: FS
Master Electrical Component List
Engine Control Module Description
Control Module References
5-Volt and Low Reference Bussing
Fuse Block - Underhood Bussing
ECM IGN, TRANS, PWR DROP/CRNK, AIRBAG/DISPLAY, STRTR, FUEL/PUMP, and HORN Fuses
EMISSIONS 1, EMISSIONS 2, A/C CMPRSR Fuses, and A/C CMPRSR, FAN 1, FAN 2, and FAN 3 Relays
ONSTAR, INT LTS/PNL DIM, LT T/SIG, RT T/SIG, CHMSL/BCK-UP, INT LIGHTS, RVC SEN, and ECM/TCM Fuses
High Speed GMLAN Serial Data
High Speed GMLAN Serial Data
G101, G102, and G111
G101, G102, and G111
Figure 2:

5-Volt and Low Reference Bussing


Object Number: 2080081  Size: FS
Master Electrical Component List
Engine Control Module Description
Control Module References
MAF/IAT, MAP, and ECT Sensors
ECM Power, Ground, MIL, and Serial Data
Figure 3:

MAF/IAT, MAP, and ECT Sensors


Object Number: 2080086  Size: FS
Master Electrical Component List
Engine Control Module Description
Control Module References
Heated Oxygen Sensors
5-Volt and Low Reference Bussing
ECM Power, Ground, MIL, and Serial Data
EMISSIONS 1, EMISSIONS 2, A/C CMPRSR Fuses, and A/C CMPRSR, FAN 1, FAN 2, and FAN 3 Relays
Turn Signal, Hazard, and Stop Lamps Outputs
G101, G102, and G111
Figure 4:

Heated Oxygen Sensors


Object Number: 2080092  Size: FS
Master Electrical Component List
Engine Control Module Description
Control Module References
Electronic Throttle Controls
MAF/IAT, MAP, and ECT Sensors
ECM Power, Ground, MIL, and Serial Data
EMISSIONS 1, EMISSIONS 2, A/C CMPRSR Fuses, and A/C CMPRSR, FAN 1, FAN 2, and FAN 3 Relays
Figure 5:

Electronic Throttle Controls


Object Number: 2080097  Size: FS
Master Electrical Component List
Throttle Actuator Control (TAC) System Description
Control Module References
Fuel Injectors and Fuel Pump Controls
Heated Oxygen Sensors
Figure 6:

Fuel Injectors


Object Number: 2080103  Size: FS
Master Electrical Component List
Fuel System Description
Control Module References
EVAP Solenoids and FTP Sensor
Electronic Throttle Controls
ECM Power, Ground, MIL, and Serial Data
Fuse Block - Underhood Bussing
ECM IGN, TRANS, PWR DROP/CRNK, AIRBAG/DISPLAY, STRTR, FUEL/PUMP, and HORN Fuses
Power, Ground, and Gages
G101, G102, and G111
G101, G102, and G111
G302 (2 of 2)
Figure 7:

EVAP Solenoids, FTP Sensor, and Fuel Pump Controls


Object Number: 2080112  Size: FS
Master Electrical Component List
Evaporative Emission Control System Description
Control Module References
Ignition Control Module
Fuel Injectors and Fuel Pump Controls
BATT 1, CNSTR, XM, TRUNK, AMP, AUX Fuses, and TRUNK Relay
ECM Power, Ground, MIL, and Serial Data
EMISSIONS 1, EMISSIONS 2, A/C CMPRSR Fuses, and A/C CMPRSR, FAN 1, FAN 2, and FAN 3 Relays
Power, Ground, and Gages
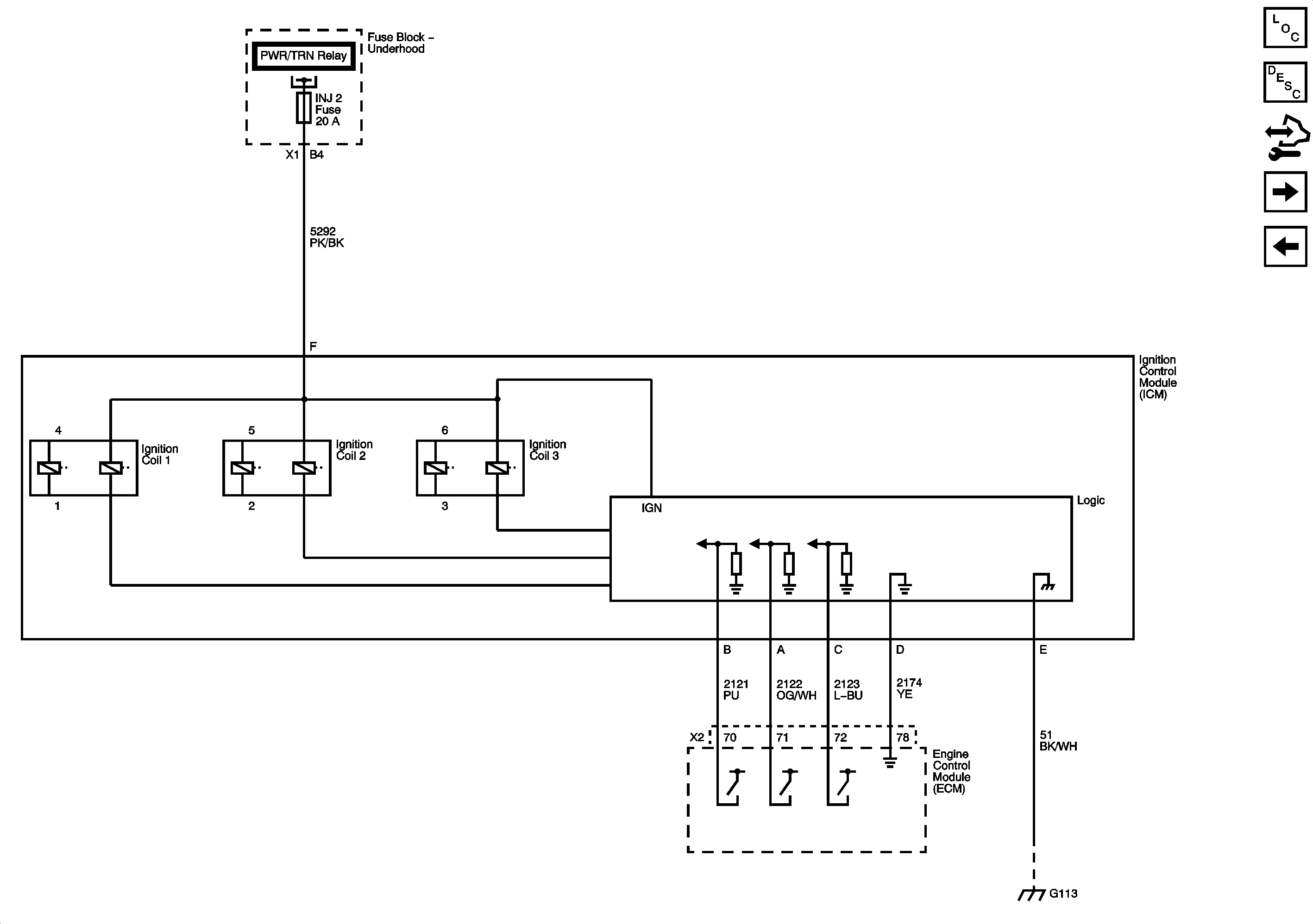
Figure 8:

Ignition Control Module


Object Number: 2080119  Size: FS
Master Electrical Component List
Electronic Ignition (EI) System Description
Control Module References
Camshaft, Crankshaft, Knock Sensors, and Camshaft Position Actuator Solenoid
EVAP Solenoids and FTP Sensor
ECM Power, Ground, MIL, and Serial Data
G113, and G115
Figure 9:

Camshaft, Crankshaft, Knock Sensors, and Camshaft Position Actuator Solenoid


Object Number: 2080126  Size: FS
Master Electrical Component List
Camshaft Actuator System Description
Control Module References
Secondary Air Injection - NU3
Ignition Control Module
Figure 10:

Secondary Air Injection - NU6


Object Number: 2080132  Size: FS
Master Electrical Component List
Secondary Air Injection System Description
Control Module References
Controlled/Monitored Subsystem References
Camshaft, Crankshaft, Knock Sensors, and Camshaft Position Actuator Solenoid
ECM Power, Ground, MIL, and Serial Data
EMISSIONS 1, EMISSIONS 2, A/C CMPRSR Fuses, and A/C CMPRSR, FAN 1, FAN 2, and FAN 3 Relays
Fuse Block - Underhood Bussing
BATT 4, ABS MTR1, ABS MTR2, AIR PUMP, AIR SOL, AUX PWR, Radio Fuses, and PWR/WNDW Circuit Breaker
G113, and G115
G101, G102, and G111
Figure 11:

Controlled/Monitored Subsystem References


Object Number: 2080135  Size: FS
Master Electrical Component List
Engine Control Module Description
Control Module References
Secondary Air Injection - NU3
A/C Compressor Controls
Engine Cooling Schematics
Starter
Indicators
PRNDL, and IMS Switch