GM Service Manual Online
For 1990-2009 cars only
Makes
🢒
Chevrolet
🢒
2008
🢒
Joy
🢒
Suspension
🢒
Rear Suspension
🢒 Rear Suspension Components
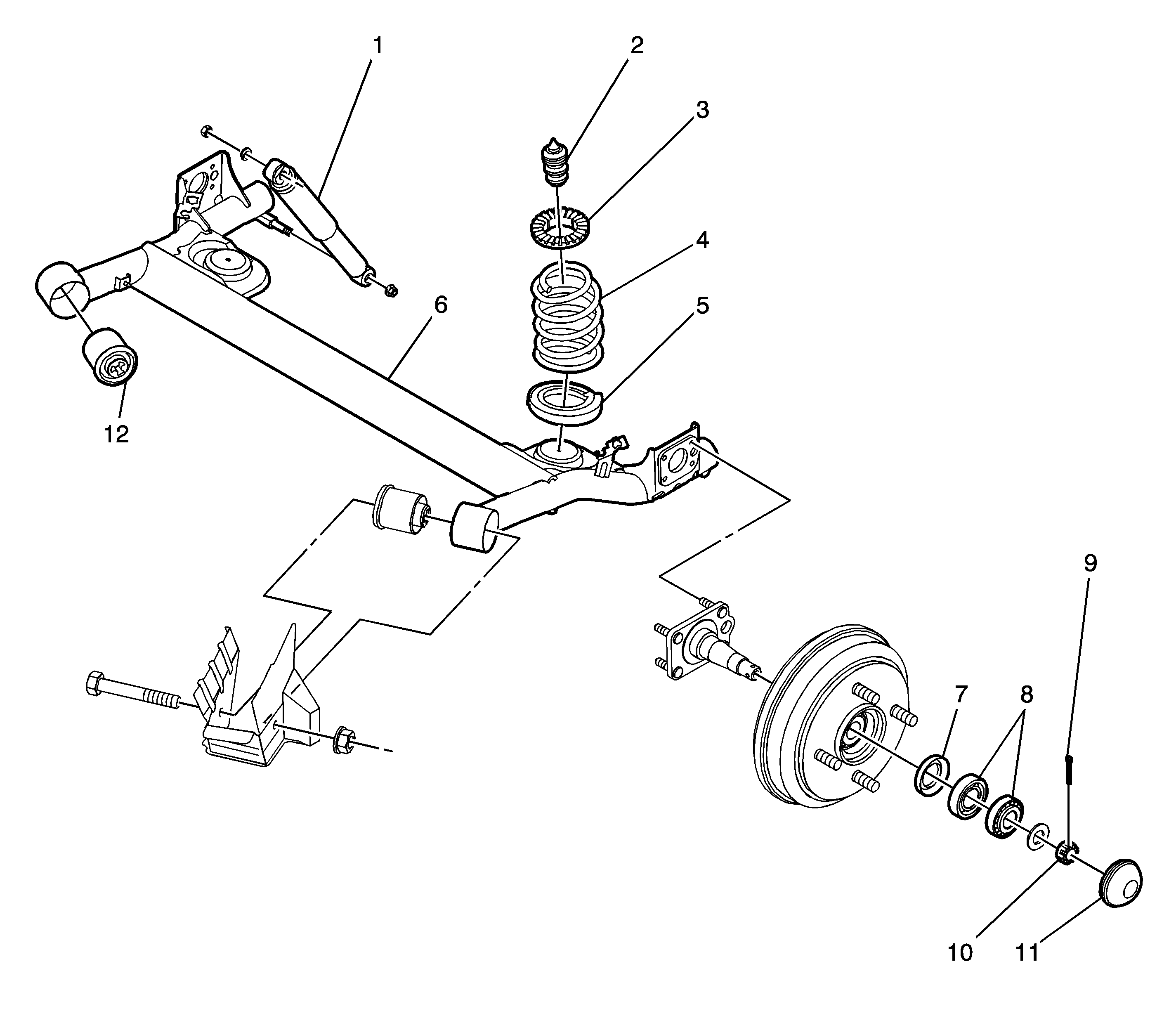
Rear Suspension Components
(1)
Shock Absorber
(2)
Bumper Stopper
(3)
Coil Spring Upper Seat
(4)
Coil Spring
(5)
Spring Lower Seat
(6)
Rear Axle
(7)
Oil Seal
(8)
Wheel Bearing
(9)
Cotter Pin
(10)
Castellated Nut
(11)
Spindle Cap
(12)
Trailing Arm Bushing