GM Service Manual Online
For 1990-2009 cars only
Makes
🢒
Chevrolet
🢒
2008
🢒
Joy
🢒
Body Systems
🢒
Lighting
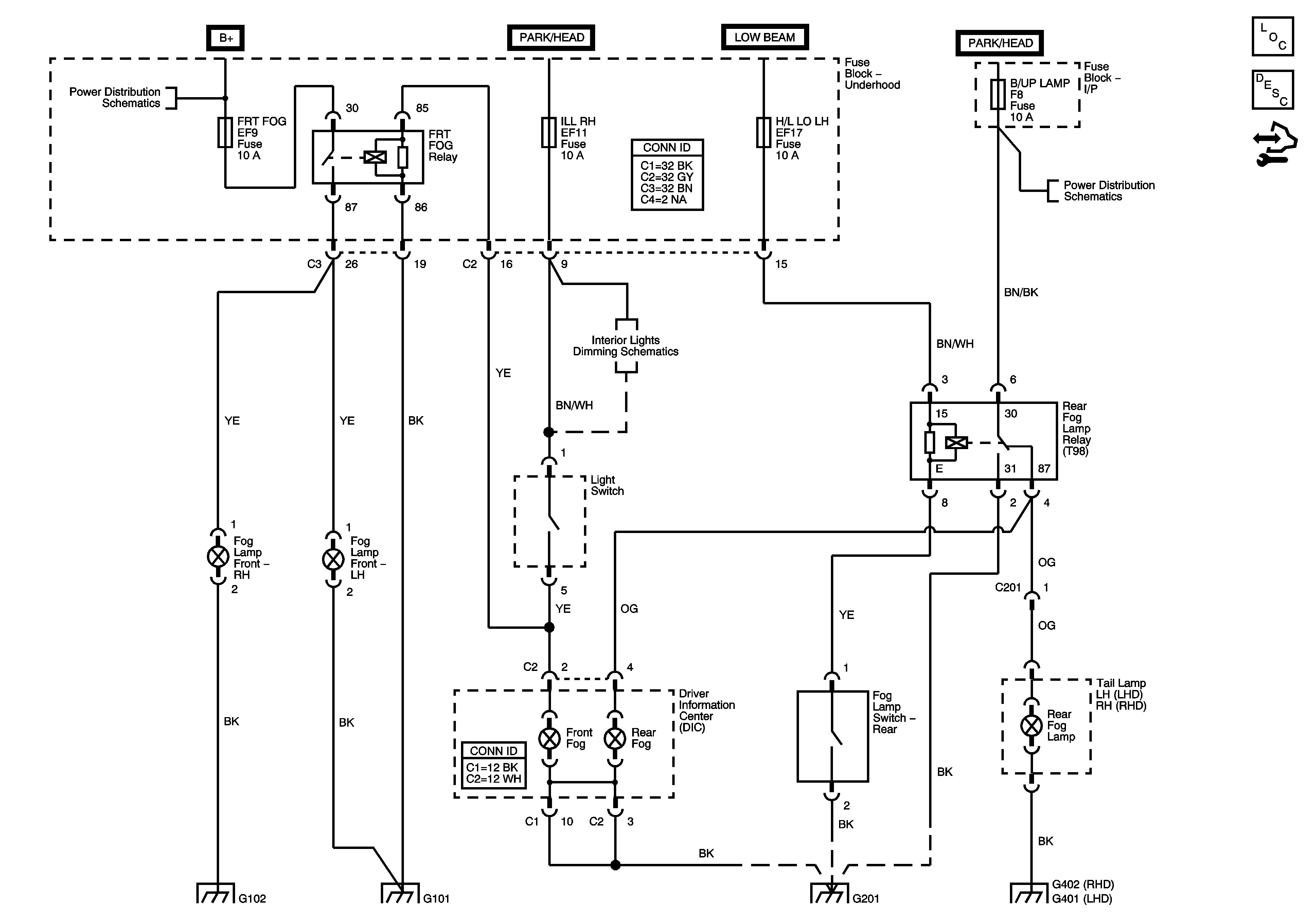
🢒 Fog Lights Schematics