GM Service Manual Online
For 1990-2009 cars only
Makes
🢒
Chevrolet
🢒
2005
🢒
Kodiak C-Series Motorhome (Cutaway) C4/C5
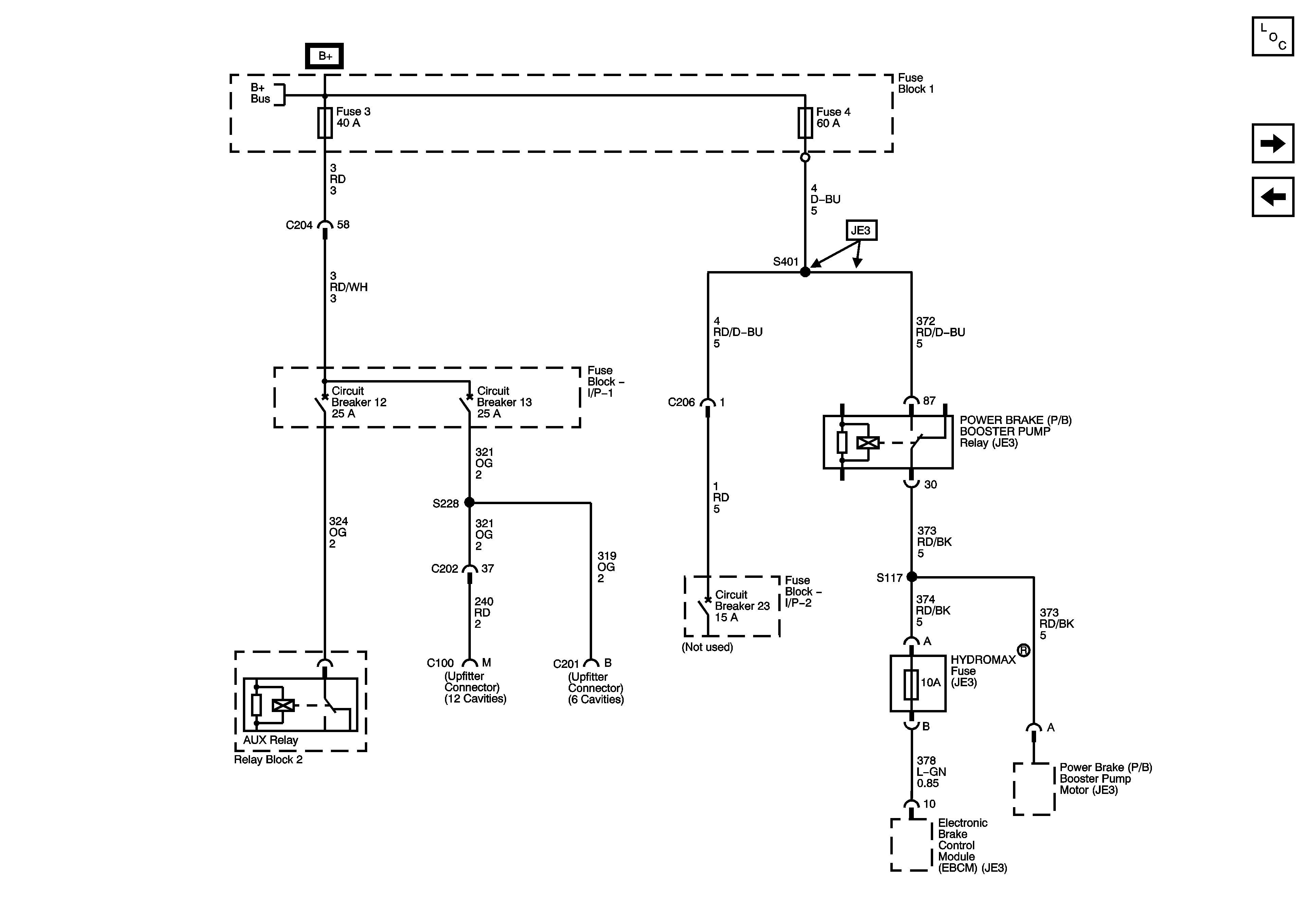
🢒 Fuse Block 1: Fuses 3 and 4 and Fuse Block - I/P - 1: Circuit Breakers 12 and 13 and HYDROMAX Fuse
Fuse Block 1: Fuses 3 and 4 and Fuse Block - I/P - 1: Circuit Breakers 12 and 13 and HYDROMAX Fuse
Fuse Block 1: Fuses 3 and 4 and Fuse Block - I/P-1: Circuit Breakers 12 and 13 and HYDROMAX Fuse
Master Electrical Component List
Fuse Block 1: Fuse 5 and Fuse Block - I/P - 1: Circuit Breakers 5, 9, 10
Fuse Block 1: Fuse 2 and Fuse Block - I/P-1: Circuit Breakers 4, 7, and 8