GM Service Manual Online
For 1990-2009 cars only
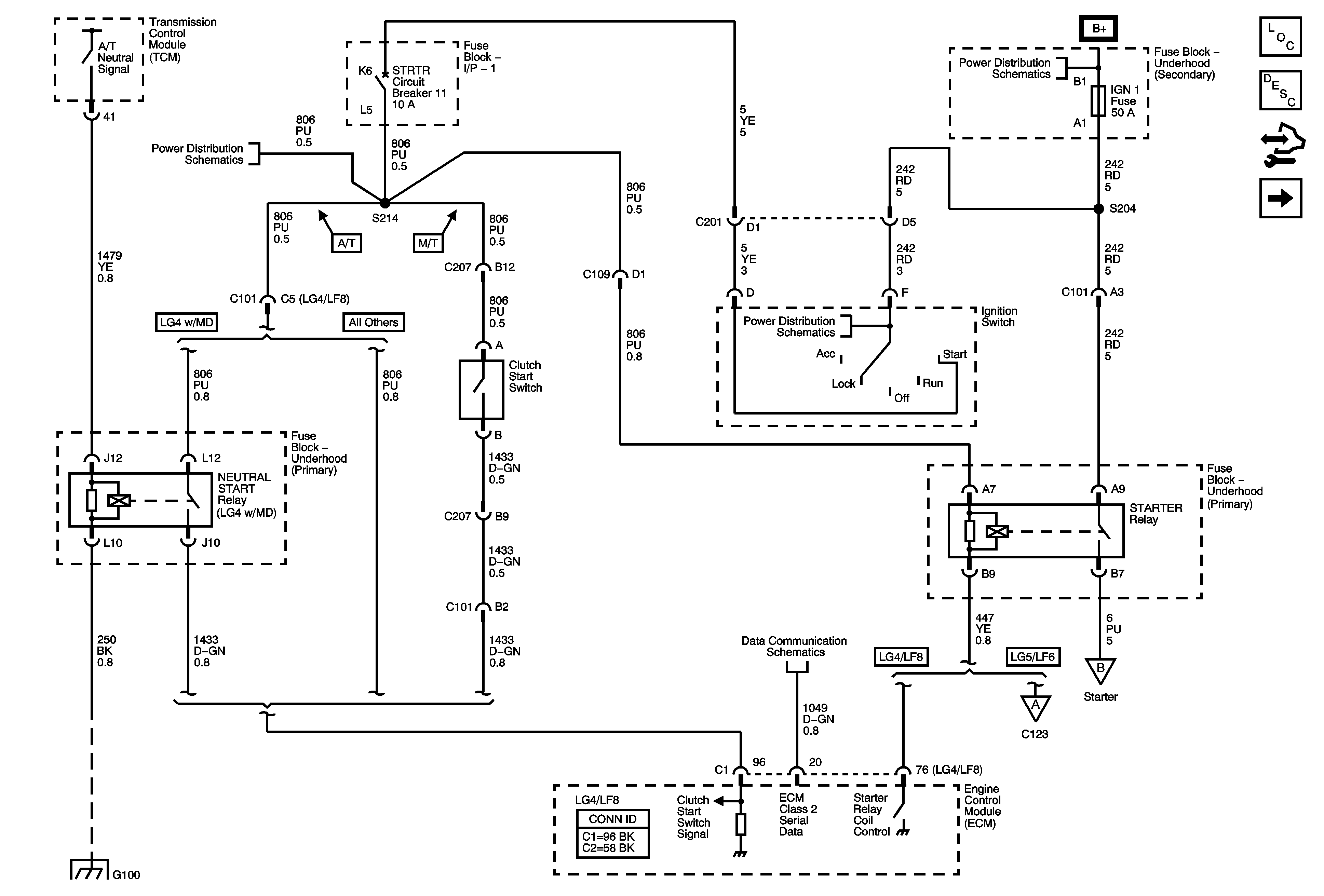
Figure 1:

Starting System - LF6/LF8/LG4/LG5


Object Number: 1840048  Size: FS
Master Electrical Component List
Starting System Description and Operation
Control Module References
2007 MD Charging System - LG4/LG5
STRTR Fuse/Circuit Breaker
G100 - LG4
Batteries - LG4/LG5 and B+ Bus
Splice Pack SP203
2007 MD Charging System - LG4/LG5
2007 MD Charging System - LG4/LG5
Figure 2:

Charging System LG4/LG5


Object Number: 1840062  Size: FS
Master Electrical Component List
Charging System Description and Operation
Control Module References
Starting System L18/LLY/LMM
Starting System - LG4/LG5
Starting System - LG4/LG5
Starting System - LG4/LG5
Batteries - LG4/LG5 and B+ Bus
G103 - 2 of 2
Ignition Switch - OFF/RUN/START, RUN/START, and START Busses
AIRBAG, GAUGES, LT REAR TURN/STOP, and RT REAR TURN/STOP Fuses/Circuit Breakers
2007 MD-560C Driver Information System Schematics - DIC
Figure 3:

Starting System L18/LLY/LMM


Object Number: 1840067  Size: FS
Master Electrical Component List
Starting System Description and Operation
Control Module References
Charging System L18/LLY/LMM
2007 MD Charging System - LG4/LG5
STRTR Fuse/Circuit Breaker
Ignition Switch - OFF/RUN/START, RUN/START, and START Busses
Splice Pack SP203
Batteries - LG4/LG5 and B+ Bus
Ignition Switch - OFF/RUN/START, RUN/START, and START Busses
Batteries - L18
Batteries - LLY
G103 - 2 of 2
Figure 4:

Charging System L18/LLY


Object Number: 1840076  Size: FS
Master Electrical Component List
Charging System Description and Operation
Control Module References
Starting System L18/LLY/LMM
Auxiliary Battery Schematics
Batteries - L18
Batteries - LLY
G103 - 2 of 2
Auxiliary Battery Schematics