GM Service Manual Online
For 1990-2009 cars only

Automatic Transmission Controls Schematics LCT

Figure 1:

Module Power, Ground, Serial Data, MIL, VSS, and Torque Controls


Object Number: 1840846  Size: FS
Master Electrical Component List
Control Module References
Overdrive Defeat Switch and CAN Serial Data
Batteries - LG4/LG5 and B+ Bus
A/C COMP, HTD FUEL, PCM-B and RR DEFOG Fuses
TRANS Fuse/Circuit Breaker
TRANS Fuse/Circuit Breaker
Splice Pack SP203
Ignition Switch - OFF/RUN/START, RUN/START, and START Busses
2007 MD-560C Driver Information System Schematics - DIC
High Speed GMLAN - LLY/L18
AIRBAG, GAUGES, LT REAR TURN/STOP, and RT REAR TURN/STOP Fuses/Circuit Breakers
High Speed GMLAN - LLY/L18
J1939 Serial Data, 2 of 2 - L18 w/JE4, LG4, LG5
G203 - 2 of 4
Automatic Transmission Schematic Icons
Figure 2:

Overdrive Defeat Switch and CAN Serial Data


Object Number: 1840859  Size: FS
Master Electrical Component List
Control Module References
C 102 - Upfitter TRANS OPT Connector and Internal Mode Switch
Module Power, Ground, Serial Data, MIL, VSS, and Torque Controls
Backup Lamp Control
ENGINE and PCM-1 Fuses/Circuit Breakers
G101 - 1 of 2
Batteries - LG4/LG5 and B+ Bus
ENG-1 and ENG-4 Fuses - LG4/LG5
ENG-1 and ENG-4 Fuses - L18/LLY
Ignition Switch - OFF/RUN/START, RUN/START, and START Busses
ENGINE and PCM-1 Fuses/Circuit Breakers
ENGINE and PCM-1 Fuses/Circuit Breakers
G100 - L18
Figure 3:

C102 - Transmission Optional Connector and Internal Mode Switch


Object Number: 1840866  Size: FS
Master Electrical Component List
Control Module References
Speed Sensors, Trim B and Shift Solenoid
Overdrive Defeat Switch and CAN Serial Data
w/o LG5 2 of 2
TCC PWM and Trim A Solenoid Valves, Pressure Switch Manifold and TFT Sensor
Figure 4:

Speed Sensors, Trim B and Shift Solenoid


Object Number: 1840882  Size: FS
Master Electrical Component List
Control Module References
TCC PWM and Trim A Solenoid Valves, Pressure Switch Manifold and TFT Sensor
C 102 - Upfitter TRANS OPT Connector and Internal Mode Switch
Automatic Transmission Schematic Icons
Figure 5:

TCC PWM and Trim A Solenoid Valves, Pressure Switch Manifold and TFT Sensor


Object Number: 1840895  Size: FS
Master Electrical Component List
Control Module References
Speed Sensors, Trim B and Shift Solenoid
C 102 - Upfitter TRANS OPT Connector and Internal Mode Switch

Automatic Transmission Controls Schematics MD

Figure 1:

Module Power, Ground, Serial Data, Indicator, and Shift Selector


Object Number: 1840948  Size: FS
Master Electrical Component List
Control Module References
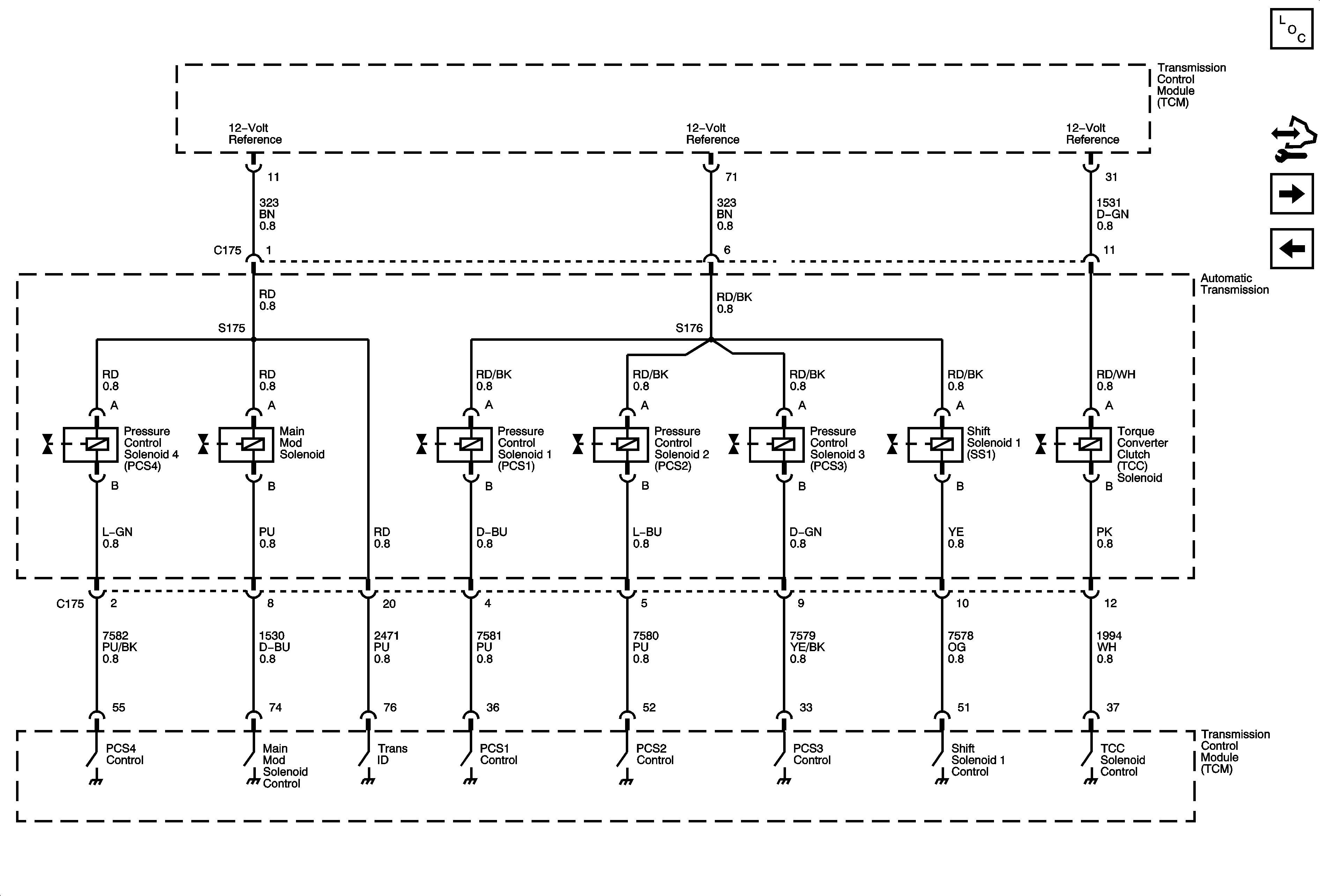
Solenoids
Ignition Switch - OFF/RUN/START, RUN/START, and START Busses
Batteries - LG4/LG5 and B+ Bus
AIRBAG, GAUGES, LT REAR TURN/STOP, and RT REAR TURN/STOP Fuses/Circuit Breakers
TRANS Fuse/Circuit Breaker
A/C COMP, HTD FUEL, PCM-B and RR DEFOG Fuses
2007 MD-560C Driver Information System Schematics - DIC
TRANS Fuse/Circuit Breaker
G203 - 3 of 4
High Speed GMLAN - LLY/L18
J1939 Serial Data, 2 of 2 - L18 w/JE4, LG4, LG5
J1939 Serial Data, 2 of 2 - L18 w/JE4, LG4, LG5
Figure 2:

Switches, Sensors, and Transmission Optional Connector


Object Number: 1866430  Size: FS
Master Electrical Component List
Control Module References
Solenoids
Backup Lamp Control
Figure 3:

Transmission Controls, Speed Sensors, and Transmission Optional Connector


Object Number: 1840957  Size: FS
Master Electrical Component List
Control Module References
Speed Sensors, Temperature Sensor, and Transmission Optional Connector
Power, Ground, Serial Data, and Shift Selector