GM Service Manual Online
For 1990-2009 cars only
Makes
🢒
Chevrolet
🢒
2007
🢒
Kodiak C-Series (Conventional) C4/C5
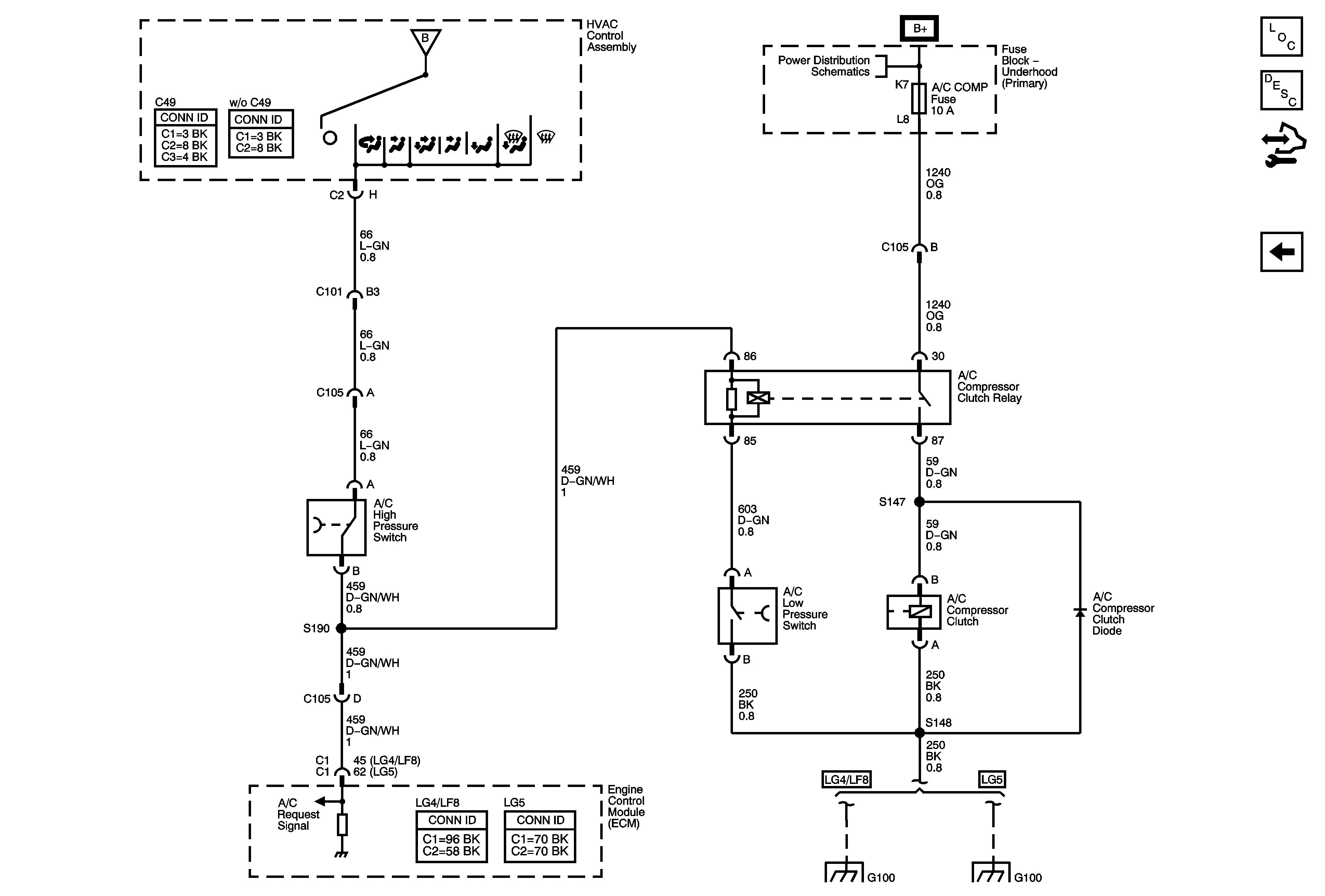
🢒 A/C Compressor Controls - LG4/LG5/LF8
A/C Compressor Controls - LG4/LG5/LF8
A/C Compressor Controls - LG4/LG5/LF8
Master Electrical Component List
Air Delivery Description and Operation
Control Module References
A/C Compressor Controls - L18/LLY/LMM
Blower Controls
Batteries - LG4/LG5 and B+ Bus
G100 - LG4
G100 - LG5