GM Service Manual Online
For 1990-2009 cars only
Makes
🢒
Chevrolet
🢒
2007
🢒
Kodiak C-Series (Conventional) C4/C5
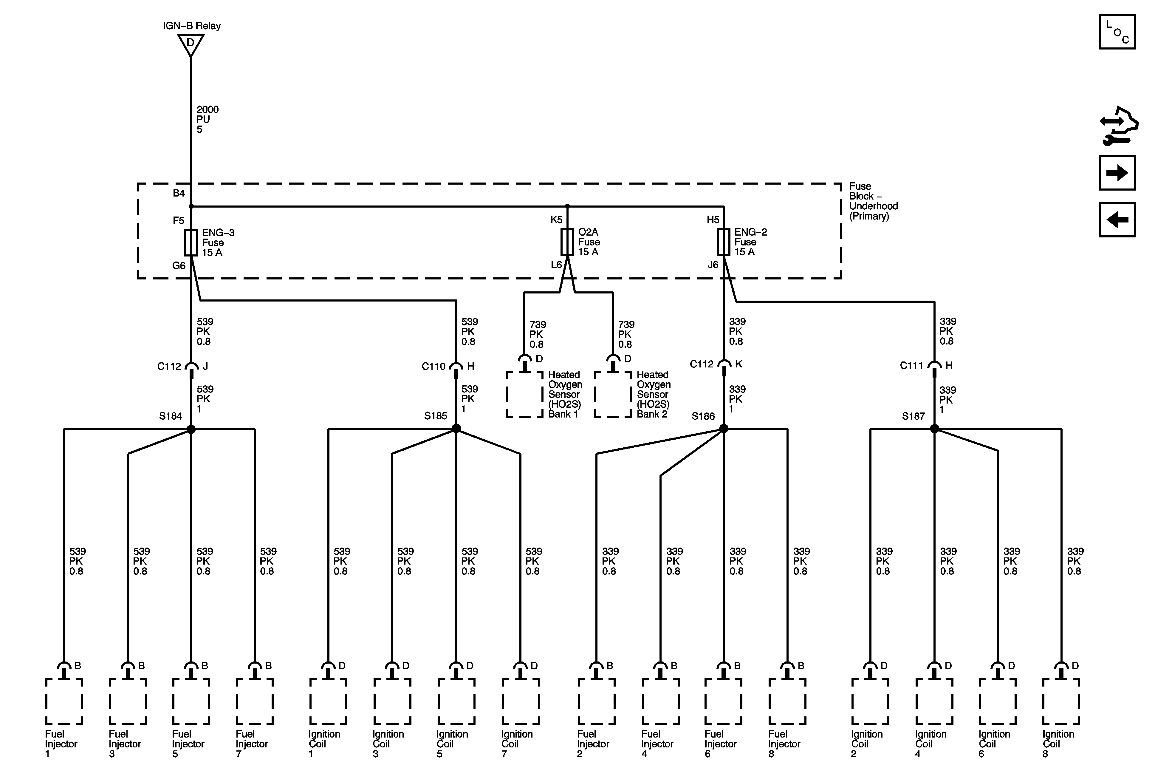
🢒 ENG-2, ENG-3, and O2S Fuses - L18
ENG-2, ENG-3, and O2S Fuses - L18
ENG-2, ENG-3, and O2S Fuses - L18
Master Electrical Component List
Control Module References
ENG-2, and ENG-3 Fuses - LG4
ENGINE and PCM-1 Fuses/Circuit Breakers
ENGINE and PCM-1 Fuses/Circuit Breakers