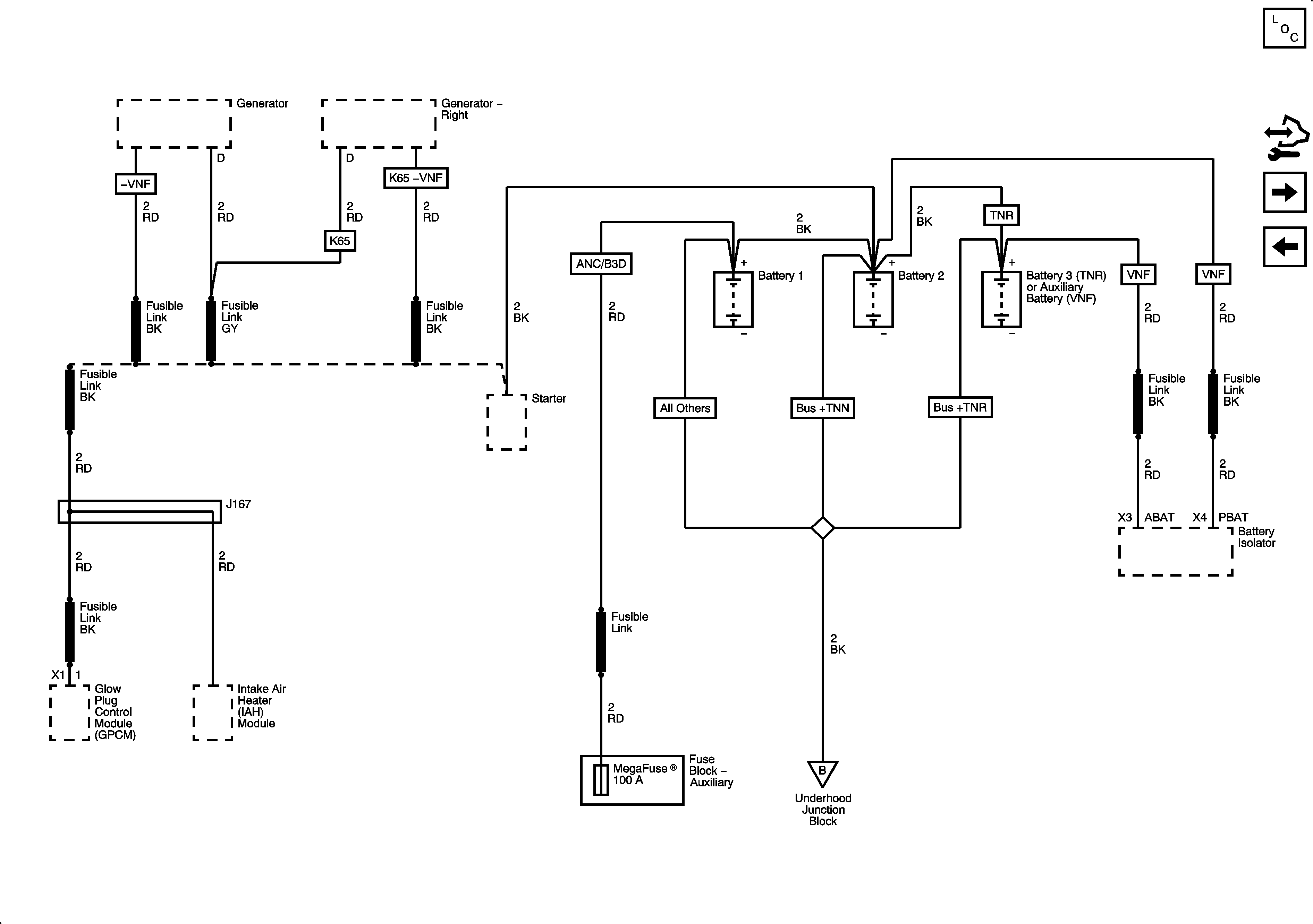
| Figure 1: |
Batteries - L18
|
| Figure 2: |
Batteries - LMM
|
| Figure 3: |
Batteries - LF6/LF8 and B+ Bus
|
| Figure 4: |
Ignition Switch - OFF/RUN/START, RUN/START, and START Busses
|
| Figure 5: |
Ignition Switch - RUN and ACC/RUN Busses
|
| Figure 6: |
STRTR Fuse/Circuit Breaker
|
| Figure 7: |
TRANS Fuse/Circuit Breaker
|
| Figure 8: |
TRN/BCK/UP Fuse/Circuit Breaker
|
| Figure 9: |
AIRBAG, GAGES, LT REAR TURN/STOP, and RT REAR TURN/STOP Fuses/Circuit Breakers
|
| Figure 10: |
ENGINE and PCM-1 Fuses/Circuit Breakers
|
| Figure 11: |
ENG-2, ENG-3, and O2S Fuses - L18
|
| Figure 12: |
ENG-2 and ENG-3 Fuses - LF8
|
| Figure 13: |
ENG-2 and ENG-3 Fuses - LF6/LMM
|
| Figure 14: |
ENG-1 and ENG-4 Fuses - LF6/LF8
|
| Figure 15: |
ENG-1 and ENG-4 Fuses - L18/LMM
|
| Figure 16: |
AXL/4WD, BRK, HYD/AIR BRK, and HTR/AC Fuses/Circuit Breakers
|
| Figure 17: |
AUX WIRE and IGN-4 - Fuses/Circuit Breakers
|
| Figure 18: |
IGN-4 , ELEC BRK/BRKLP, HDLP, MKR LTS, PWR WNDW, DRL, and RADIO Fuses/Circuit Breakers
|
| Figure 19: |
LIGHTING, CTSY LAMPS, PRK LAMPS, HVAC, ILLUM, LT PARK, and RT PARK Fuses/Circuit Breakers - 1 of 2
|
| Figure 20: |
CTSY LAMPS and LT PARK Fuses/Circuit Breakers - 2 of 2
|
| Figure 21: |
BAT/HAZ, HAZRD, PWR/ACCY, STOP, and TRLR Fuses/Circuit Breakers
|
| Figure 22: |
BRK Fuse/Circuit Breaker
|
| Figure 23: |
ABS-1, ABS-2, ABS-3, E/A PUMP, and HORN Fuses/Circuit Breakers
|
| Figure 24: |
A/C COMP, HTD FUEL, PCM-B, and RR DEFOG Fuses
|
| Figure 25: |
FUEL Fuse/Circuit Breaker - L18/LMM, PCV Circuit Breaker - LF8, and ECM-B Circuit Breaker - LF6
|
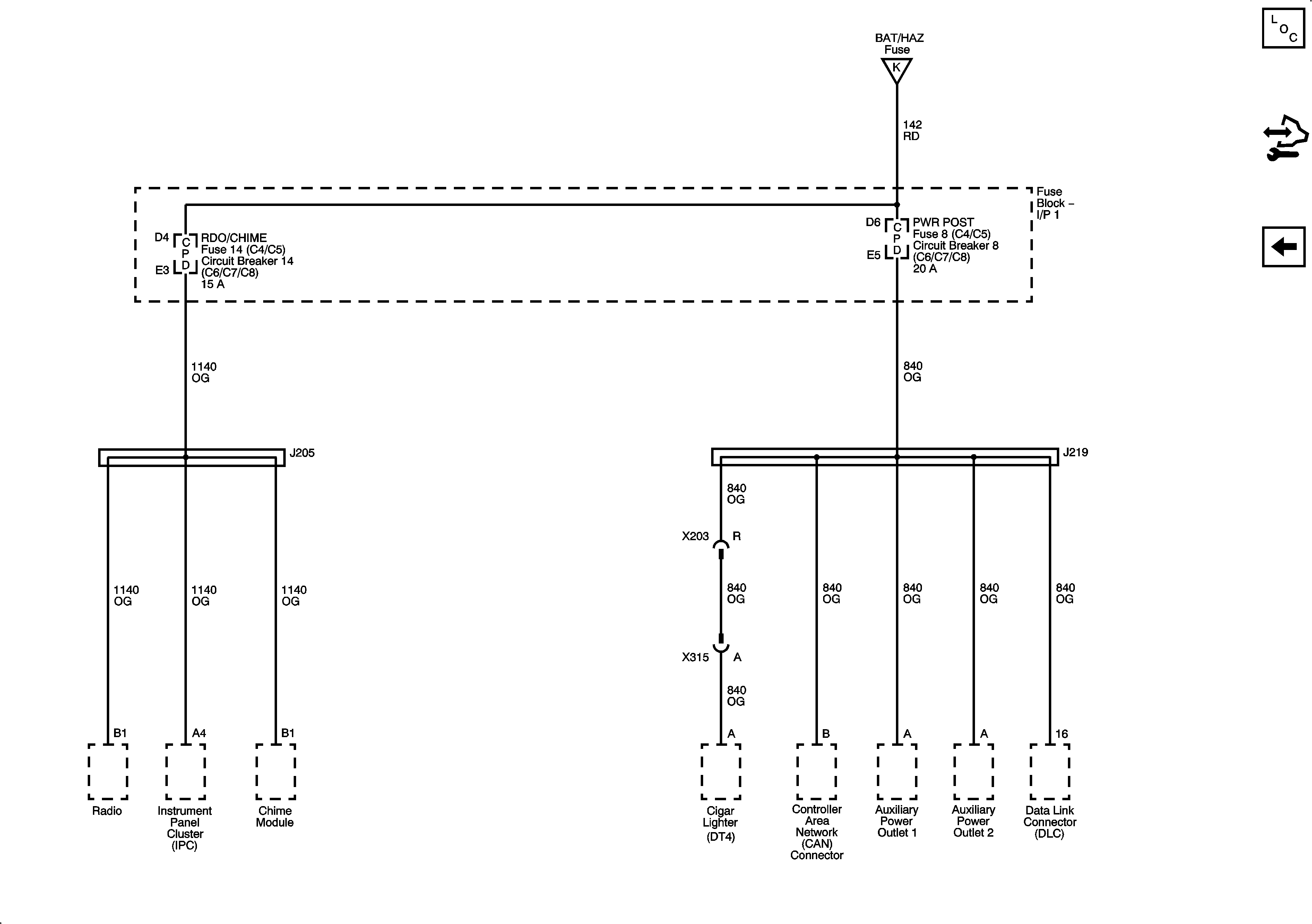
| Figure 26: |
RDO/CHIME, CHMSL, and PWR POST Fuses/Circuit Breakers
|