GM Service Manual Online
For 1990-2009 cars only
Makes
🢒
Chevrolet
🢒
2008
🢒
Kodiak C-Series (Conventional) C4/C5
🢒 w/o LF6 1 of 2
w/o LF6 1 of 2
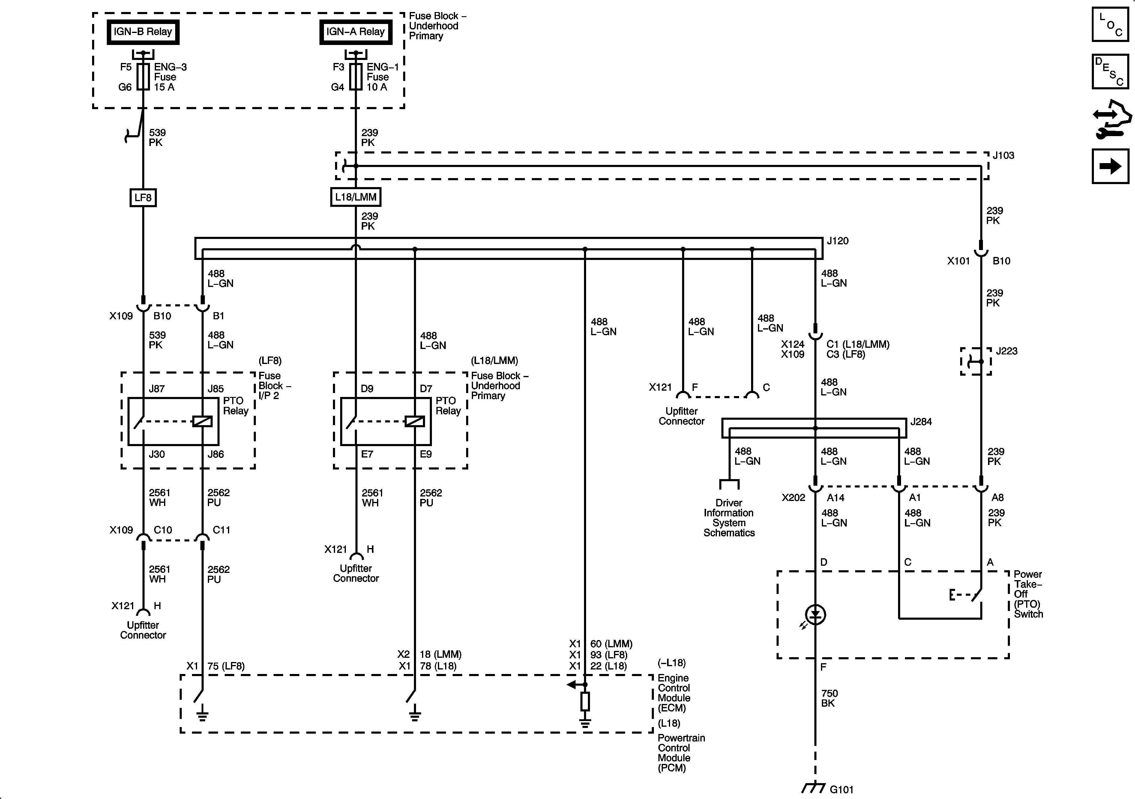
L18 and LF8/LMM without CTF
Master Electrical Component List
Power Take-Off (PTO) Description and Operation
Control Module References
LF8/LMM with CTF
ENG-2, and ENG-3 Fuses - LF8
ENG-1 and ENG-4 Fuses - L18/LMM
ENG-1 and ENG-4 Fuses - L18/LMM
DIC
G101 - 1 of 2