GM Service Manual Online
For 1990-2009 cars only
Makes
🢒
Chevrolet
🢒
2008
🢒
Kodiak C-Series (Conventional) C4/C5
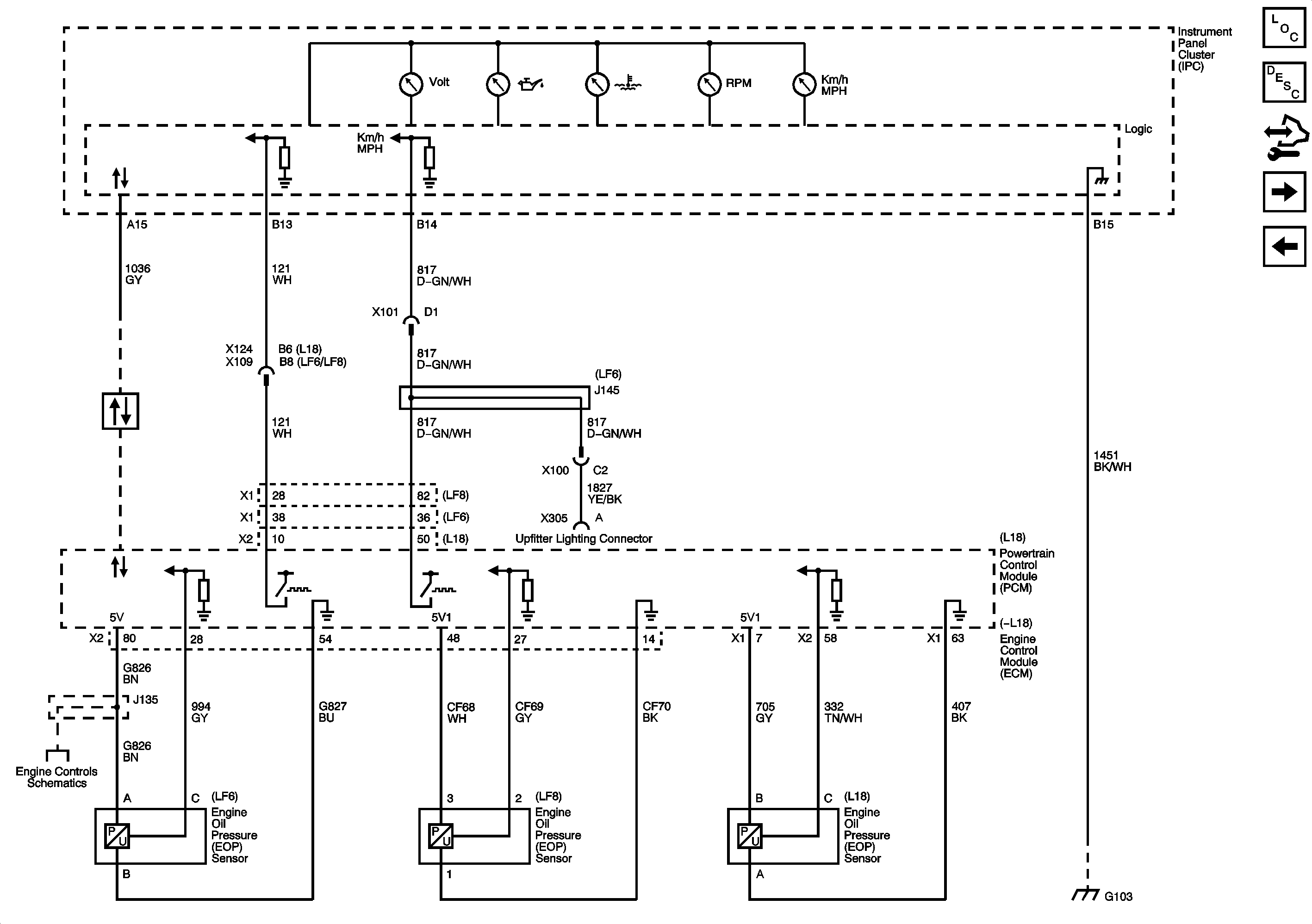
🢒 Instrument Panel Cluster - 2 of 2
Instrument Panel Cluster - 2 of 2
Instrument Panel Cluster 2 of 2
Master Electrical Component List
Instrument Cluster Description and Operation
Control Module References
Instrument Panel Cluster - LMM
Instrument Panel Cluster - 1 of 2
Engine Data Sensors - 5-Volt and Low Reference 1 of 2
G103 - 1 of 2, G105, and G106