GM Service Manual Online
For 1990-2009 cars only

Removal Procedure


    Object Number: 1910914  Size: SH
  1. Remove the engine control module (ECM).
  2. Remove the transmission control module (TCM), if equipped. Refer to Transmission Control Module Replacement.
  3. Remove the air cleaner. Refer to Air Cleaner Assembly Replacement.
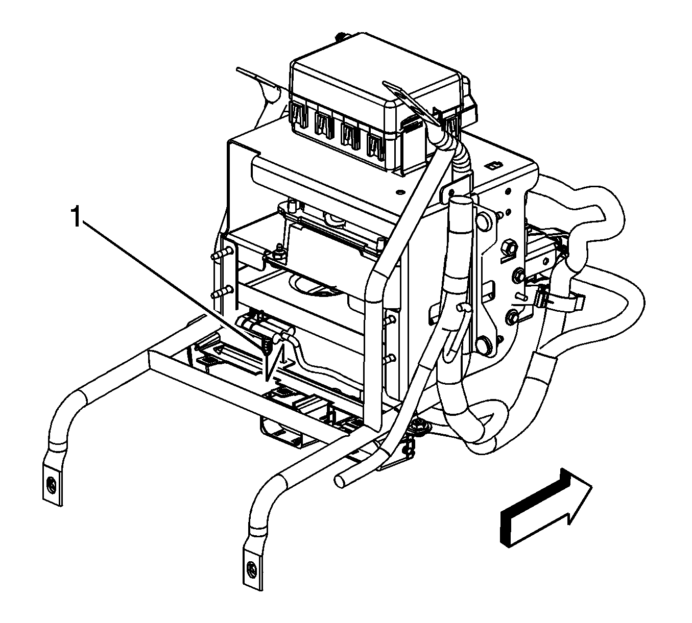
  4. Remove the 2 engine wiring harness clip nuts (1).
  5. Remove the 2 engine wiring harness clips (2) from the air cleaner support.

  6. Object Number: 1910915  Size: SH
  7. Remove the air cleaner support stud (2).

  8. Object Number: 1910916  Size: SH
  9. Remove the 4 air cleaner support nuts (2).
  10. Remove the air cleaner support (1).

  11. Object Number: 1910917  Size: SH
  12. Remove the engine wiring harness clip (1) from the multi-use module bracket.

  13. Object Number: 1910918  Size: SH
  14. Remove the engine wiring harness electrical connector clip (1) from the multi-use module bracket.

  15. Object Number: 1910930  Size: SH
  16. Disconnect the engine wiring harness electrical connectors (2) from the instrument panel (I/P) wiring harness electrical connectors (1).

  17. Object Number: 1910919  Size: SH
  18. From the rear of the I/P wiring harness electrical connectors, disengage the multi-use module bracket retainers from the electrical connector clips (1, 2).

  19. Object Number: 1910920  Size: SH
  20. Remove the battery cable clips (1) from the multi-use module bracket.

  21. Object Number: 1910922  Size: SH
  22. Remove the engine wiring harness clip (1) from the multi-use module bracket clip.
  23. Remove the engine wiring harness clip nut (3) from the multi-use module bracket stud.
  24. Remove the engine wiring harness clip (2) from the multi-use module bracket stud.

  25. Object Number: 1910923  Size: SH
  26. Open the battery cable junction block cover, and remove the I/P wiring harness lead nut (2) and lead (1) from the junction block.

  27. Object Number: 1910924  Size: SH
  28. Remove the engine wiring harness underhood electrical center bolt (1).
  29. Remove the engine wiring harness lead (2) from the junction block.
  30. Tilt the underhood electrical center toward the passenger side in order to remove the electrical center tab (3) from the multi-use module bracket.

  31. Object Number: 1910925  Size: SH
  32. Remove the I/P wiring harness maxi-fuse connector bolt (1).
  33. Remove the I/P wiring harness maxi-fuse connector from the multi-use module bracket.

  34. Object Number: 1910926  Size: SH
  35. Remove the battery cable junction block retainer (1) from the multi-use module bracket.
  36. Tilt the top of the junction block outward and lift the bottom of the junction block up in order to remove the junction block clip from the multi-use module bracket.

  37. Object Number: 1910928  Size: SH
  38. Remove the chassis harness bracket nuts (1, 3).
  39. Remove the chassis harness bracket (2) from the dash panel stud and reposition out of the way.

  40. Object Number: 1910929  Size: SH
  41. Remove the multi-use module bracket nut (2).
  42. Remove the multi-use module bracket assembly (1) from the vehicle.

Installation Procedure


    Object Number: 1910929  Size: SH
  1. Install the multi-use module bracket assembly (1) to the vehicle.
  2. Caution: Refer to Fastener Caution in the Preface section.

  3. Install the multi-use module bracket nut (2).
  4. Tighten
    Tighten the nut to 25 N·m (18 lb ft).


    Object Number: 1910928  Size: SH
  5. Position the chassis harness bracket (2) and install the bracket to the dash panel stud.
  6. Install the chassis harness bracket nuts (1, 3).
  7. Tighten

        • Tighten the nut (3) to 11 N·m (97 lb in).
        • Tighten the nut (1) to 25 N·m (18 lb ft).

    Object Number: 1910926  Size: SH
  8. Install the junction block clip into the opening in the multi-use module bracket and set the junction block against the multi-use module bracket.
  9. Install the battery cable junction block retainer (1) the multi-use module bracket.

  10. Object Number: 1910925  Size: SH
  11. Install the I/P wiring harness maxi-fuse connector to the multi-use module bracket.
  12. Install the I/P wiring harness maxi-fuse connector bolt (1).
  13. Tighten
    Tighten the bolt to 5 N·m (44 lb in).


    Object Number: 1910924  Size: SH
  14. Tilt the underhood electrical center toward the passenger side in order to install the electrical center tab (3) to the multi-use module bracket. Set the electrical center into place.
  15. Install the engine wiring harness lead (2) to the junction block.
  16. Install the engine wiring harness underhood electrical center bolt (1).
  17. Tighten
    Tighten the bolt to 11 N·m (97 lb in).


    Object Number: 1910923  Size: SH
  18. Install the I/P wiring harness lead (1) and nut (2) to the junction block.
  19. Tighten
    Tighten the nut to 25 N·m (18 lb ft).

  20. Close the battery cable junction block cover.

  21. Object Number: 1910922  Size: SH
  22. Install the engine wiring harness clip (2) to the multi-use module bracket stud.
  23. Install the engine wiring harness clip nut (3) to the multi-use module bracket stud.
  24. Tighten
    Tighten the nut to 10 N·m (89 lb in).

  25. Install the engine wiring harness clip (1) to the multi-use module bracket clip.

  26. Object Number: 1910920  Size: SH
  27. Install the battery cable clips (1) to the multi-use module bracket.

  28. Object Number: 1910919  Size: SH
  29. Install the I/P wiring harness electrical connectors to the multi-use module bracket retainers, ensure that the electrical connector clips (1, 2) are fully engaged.

  30. Object Number: 1910930  Size: SH
  31. Connect the engine wiring harness electrical connectors (2) to the I/P wiring harness electrical connectors (1).

  32. Object Number: 1910918  Size: SH
  33. Install the engine wiring harness electrical connector clip (1) to the multi-use module bracket.

  34. Object Number: 1910917  Size: SH
  35. Install the engine wiring harness clip (1) to the multi-use module bracket.

  36. Object Number: 1910916  Size: SH
  37. Install the air cleaner support (1).
  38. Install the 4 air cleaner support nuts (2).
  39. Tighten
    Tighten the nuts to 25 N·m (18 lb ft).


    Object Number: 1910915  Size: SH
  40. Install the air cleaner support stud (2).
  41. Tighten
    Tighten the stud to 25 N·m (18 lb ft).


    Object Number: 1910914  Size: SH
  42. Install the 2 engine wiring harness clips (2) to the air cleaner support.
  43. Install the 2 engine wiring harness clip nuts (1).
  44. Tighten
    Tighten the nuts to 11 N·m (97 lb in).

  45. Install the air cleaner. Refer to Air Cleaner Assembly Replacement.
  46. Install the TCM, if equipped. Refer to Transmission Control Module Replacement.
  47. Install the ECM.