GM Service Manual Online
For 1990-2009 cars only
Makes
🢒
Chevrolet
🢒
2009
🢒
Kodiak C-Series (Conventional) C4/C5
🢒
Body Systems
🢒
Mirrors
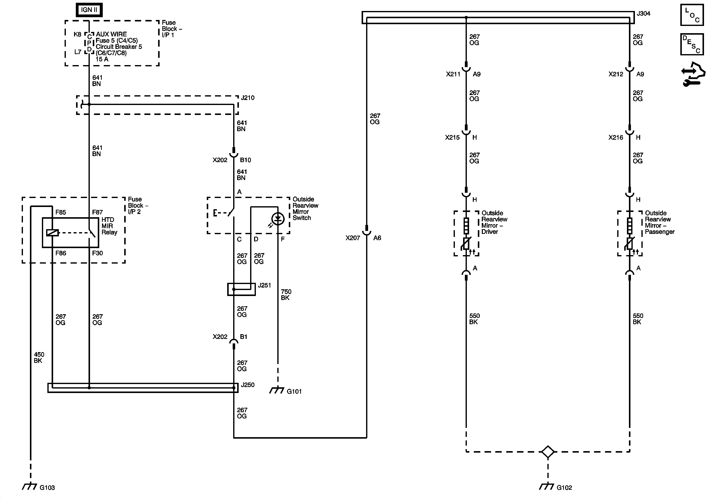
🢒 Outside Rearview Mirror Schematics
Outside Rearview Mirror Schematics w/DB8
Outside Rearview Mirror Schematics w/DB6