GM Service Manual Online
For 1990-2009 cars only
Figure 1:

B+ Bus Bar


Object Number: 786331  Size: FS
Master Electrical Component List
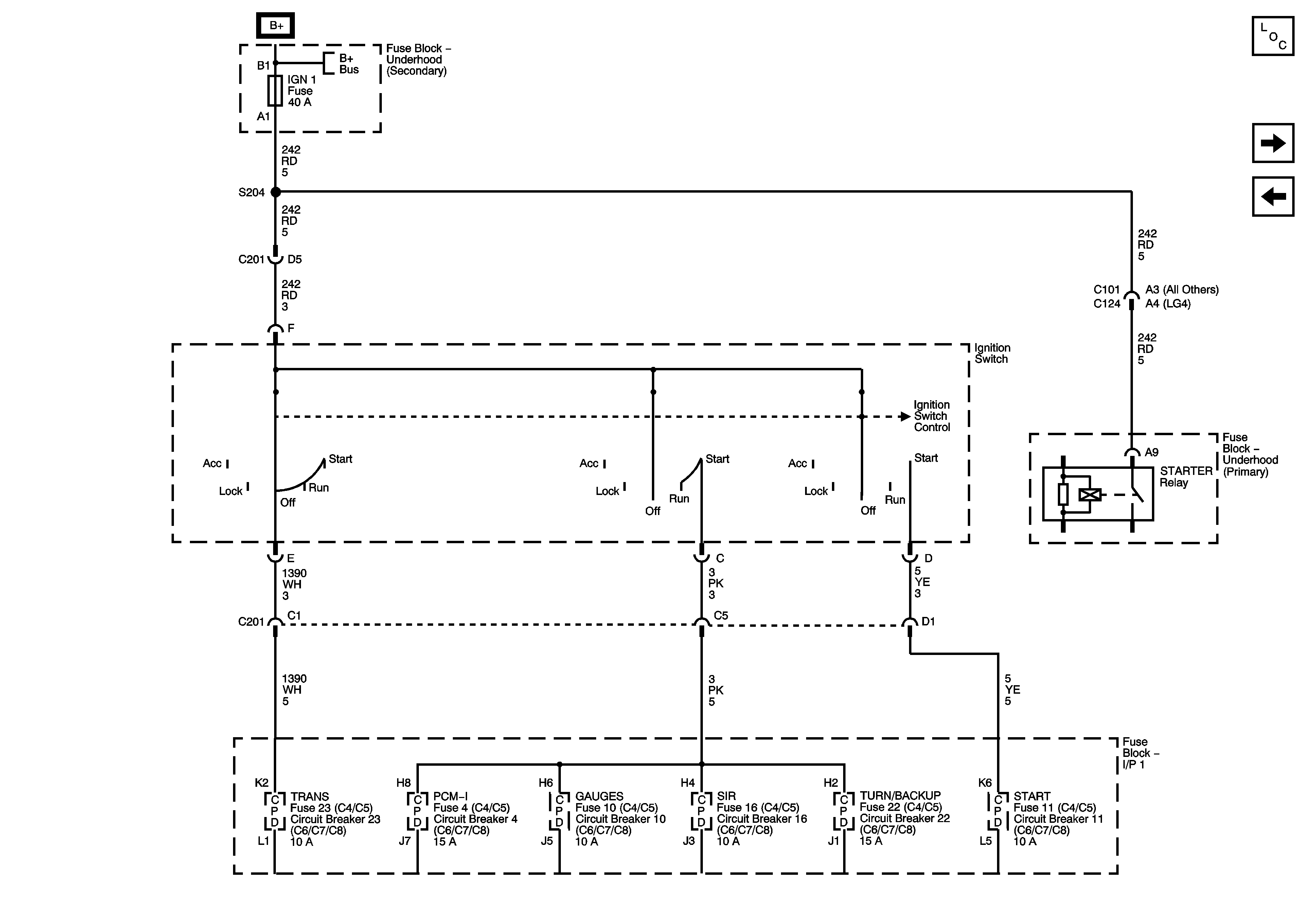
Ignition Switch, OFF/RUN/START, RUN/START, and START Bus Bars
Figure 2:

Ignition Switch, OFF/RUN/START, RUN/START, and START Bus Bars


Object Number: 786333  Size: FS
Master Electrical Component List
Ignition Switch, RUN and ACC/RUN Bus Bars
B+ Bus Bar
B+ Bus Bar
Figure 3:

Ignition Switch, RUN and ACC/RUN Bus Bars


Object Number: 786407  Size: FS
Master Electrical Component List
I/P Fuse Block, START and TRANS Fuses/Circuit Breakers
Ignition Switch, OFF/RUN/START, RUN/START, and START Bus Bars
B+ Bus Bar
Figure 4:

I/P Fuse Block, START and TRANS Fuses/Circuit Breakers


Object Number: 786335  Size: FS
Master Electrical Component List
I/P Fuse Block, TURN/BACKUP Fuse/Circuit Breaker
Ignition Switch, RUN and ACC/RUN Bus Bars
Figure 5:

I/P Fuse Block, TURN/BACKUP Fuse/Circuit Breaker


Object Number: 786397  Size: FS
Master Electrical Component List
I/P Fuse Block, R-RR TRUCK, L-RR TRUCK, GAGES, and SIR Fuses/Circuit Breaker
I/P Fuse Block, START and TRANS Fuses/Circuit Breakers
Ignition Switch, OFF/RUN/START, RUN/START, and START Bus Bars
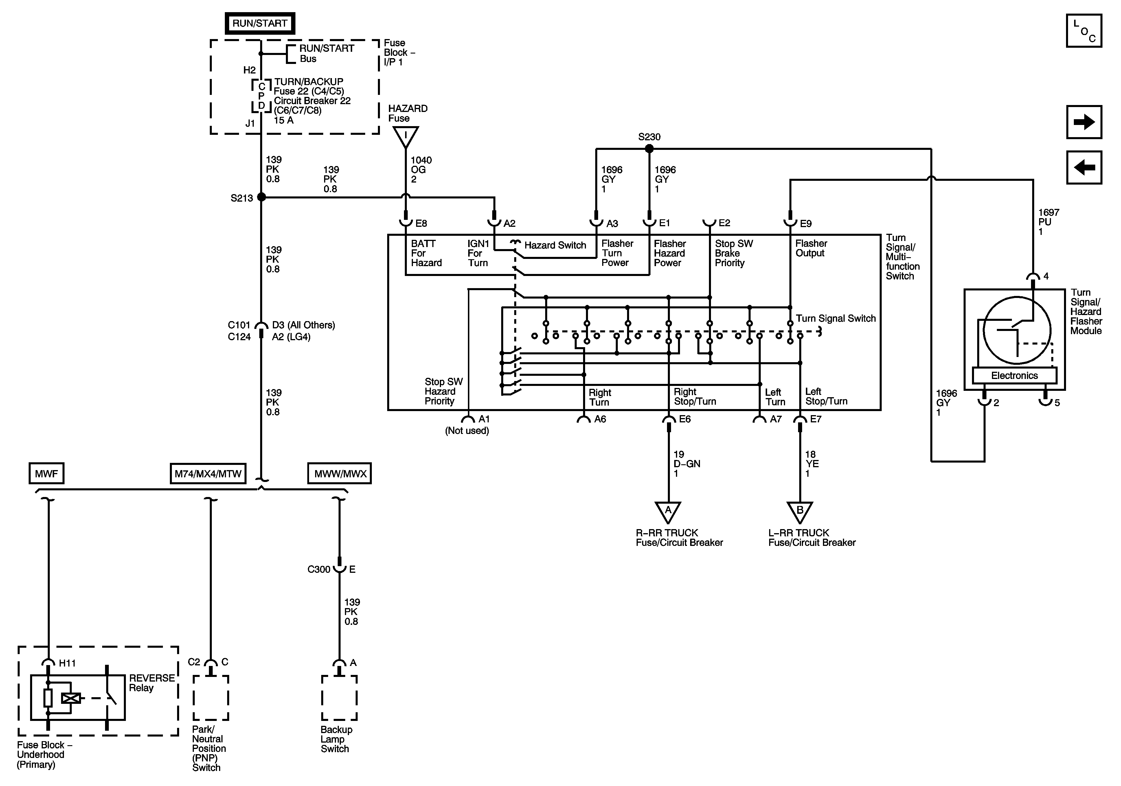
Underhood Fuse Block, I/P Fuse Block, BATT/HAZ Fuse, PWR ACCY, HAZARD, TRLR TRN/HAZ, and STOP Fuses/Circuit Breakers
I/P Fuse Block, R-RR TRUCK, L-RR TRUCK, GAGES, and SIR Fuses/Circuit Breaker
I/P Fuse Block, R-RR TRUCK, L-RR TRUCK, GAGES, and SIR Fuses/Circuit Breaker
Figure 6:

I/P Fuse Block, R-RR TRUCK, L-RR TRUCK, GAGES, and SIR Fuses/Circuit Breakers


Object Number: 786402  Size: FS
Master Electrical Component List
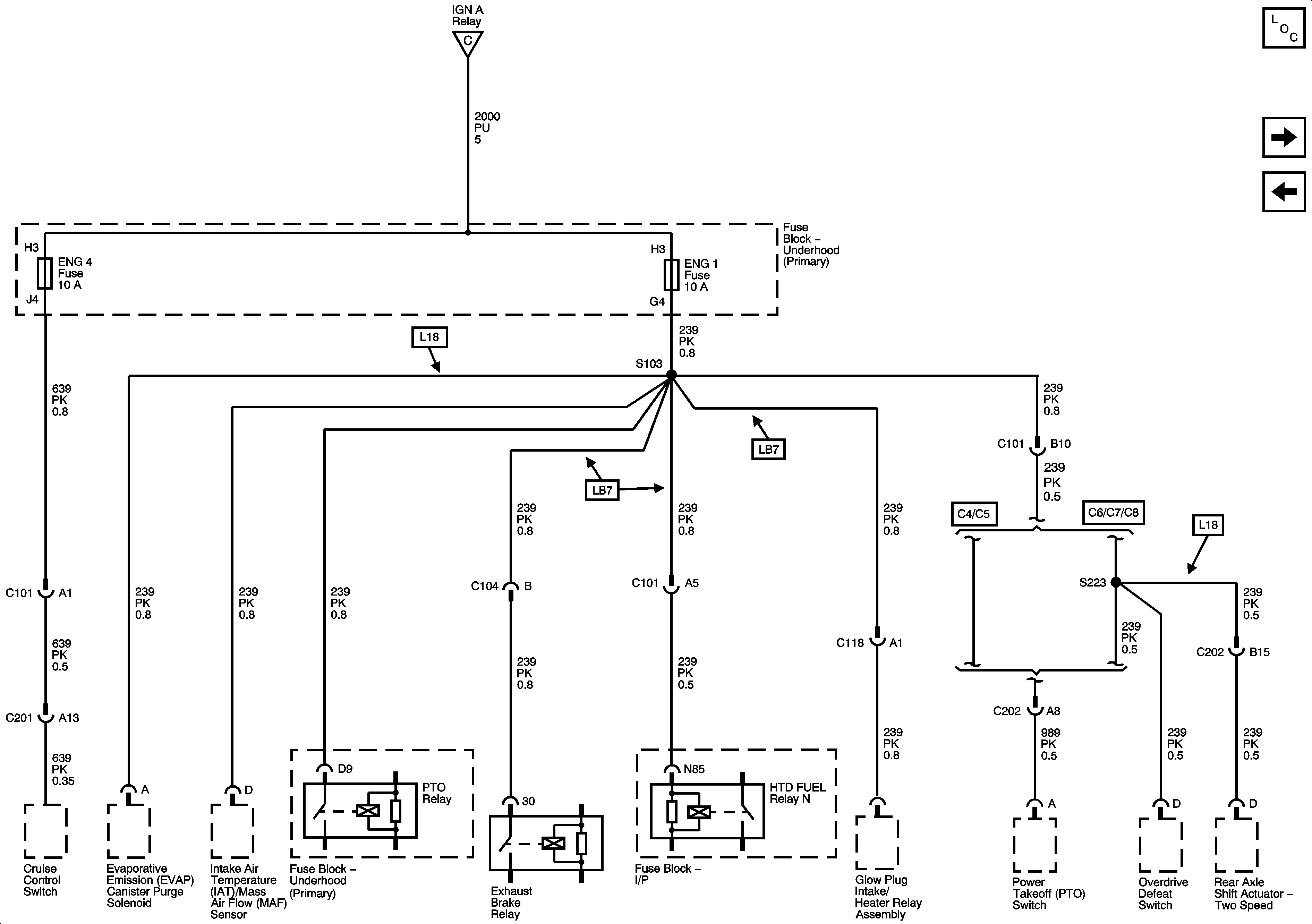
Underhood Fuse Block, ENGINE Fuse and I/P Fuse Block, PCM-I Fuse/Circuit Breaker
I/P Fuse Block, TURN/BACKUP Fuse/Circuit Breaker
I/P Fuse Block, TURN/BACKUP Fuse/Circuit Breaker
I/P Fuse Block, TURN/BACKUP Fuse/Circuit Breaker
B+ Bus Bar
Figure 7:

Underhood Fuse Block, ENGINE Fuse and I/P Fuse Block, PCM-I Fuse/Circuit Breaker


Object Number: 786405  Size: FS
Master Electrical Component List
Underhood Fuse Block, ENG 3 and ENG 2 Fuses (L18)
I/P Fuse Block, R-RR TRUCK, L-RR TRUCK, GAGES, and SIR Fuses/Circuit Breaker
B+ Bus Bar
B+ Bus Bar
Underhood Fuse Block, ENG4 and ENG1 Fuses (LG4/LG5)
Underhood Fuse Block, ENG 4 and ENG 1 Fuses (L18/LB7)
Underhood Fuse Block, ENG 3 and ENG 2 Fuses (L18)
Underhood Fuse Block, ENG 3, O2A, and ENG 2 Fuses (LG4)
Underhood Fuse Block, ENG 3 and ENG 2 Fuses (LG5/LB7)
Figure 8:

Underhood Fuse Block, ENG 3 and ENG 2 Fuses - L18


Object Number: 819227  Size: FS
Master Electrical Component List
Underhood Fuse Block, ENG 3, O2A, and ENG 2 Fuses (LG4)
Underhood Fuse Block, ENGINE Fuse and I/P Fuse Block, PCM-I Fuse/Circuit Breaker
Underhood Fuse Block, ENGINE Fuse and I/P Fuse Block, PCM-I Fuse/Circuit Breaker
Figure 9:

Underhood Fuse Block, ENG 3, O2A, and ENG 2 Fuses - LG4


Object Number: 819173  Size: FS
Master Electrical Component List
Underhood Fuse Block, ENG 3 and ENG 2 Fuses (LG5/LB7)
Underhood Fuse Block, ENG 3 and ENG 2 Fuses (L18)
Underhood Fuse Block, ENGINE Fuse and I/P Fuse Block, PCM-I Fuse/Circuit Breaker
Figure 10:

Underhood Fuse Block, ENG 3 and ENG 2 Fuses - LG5/LB7


Object Number: 819176  Size: FS
Master Electrical Component List
Underhood Fuse Block, ENG4 and ENG1 Fuses (LG4/LG5)
Underhood Fuse Block, ENG 3, O2A, and ENG 2 Fuses (LG4)
Underhood Fuse Block, ENGINE Fuse and I/P Fuse Block, PCM-I Fuse/Circuit Breaker
Figure 11:

Underhood Fuse Block, ENG 4 and ENG 1 Fuses - LG4/LG5


Object Number: 819184  Size: FS
Master Electrical Component List
Underhood Fuse Block, ENG 4 and ENG 1 Fuses (L18/LB7)
Underhood Fuse Block, ENG 3 and ENG 2 Fuses (LG5/LB7)
Underhood Fuse Block, ENGINE Fuse and I/P Fuse Block, PCM-I Fuse/Circuit Breaker
Figure 12:

Underhood Fuse Block, ENG 4 and ENG 1 Fuses - L18/LB7


Object Number: 819186  Size: FS
Master Electrical Component List
BRAKE, CHASSIS, HTR/AC, and AXLE/4WD Fuses/Circuit Breakers
Underhood Fuse Block, ENG4 and ENG1 Fuses (LG4/LG5)
Underhood Fuse Block, ENGINE Fuse and I/P Fuse Block, PCM-I Fuse/Circuit Breaker
Figure 13:

BRAKE, CHASSIS, HTR/AC, and AXLE/4WD Fuses/Circuit Breakers


Object Number: 786409  Size: FS
Master Electrical Component List
I/P Fuse Block, IGN 4, and AUX RLY Fuses/Circuit Breakers
Underhood Fuse Block, ENG 4 and ENG 1 Fuses (L18/LB7)
Figure 14:

I/P Fuse Block, IGN 4 and AUX RLY Fuses/Circuit Breakers


Object Number: 786411  Size: FS
Master Electrical Component List
IGN 4 and HDLP Fuses, ELECTRIC BRAKE (C4/C5), BRAKE LAMP (C6/C7/C8), AND PWR WINDOW Circuit Breakers, RADIO, DRL, and MARKER Fuses/Circuit Breakers
BRAKE, CHASSIS, HTR/AC, and AXLE/4WD Fuses/Circuit Breakers
Figure 15:

IGN 4, and HDLP Fuses, ELECTRIC BRAKE (C4/C5), BRAKE LAMP (C6/C7/C8), and PWR WINDOW Circuit Breakers, RADIO, DRL, and MARKER Fuses/Circuit Breakers


Object Number: 786413  Size: FS
Master Electrical Component List
Underhood Fuse Block, LIGHTING and HVAC Fuses, I/P Fuse Block, and COURTESY, PARK, ILLUM, RH PARK LP, and LH PARK LP Fuses/Circuit Breakers
I/P Fuse Block, IGN 4, and AUX RLY Fuses/Circuit Breakers
B+ Bus Bar
Figure 16:

Underhood Fuse Block, LIGHTING and HVAC Fuses, and I/P Fuse Block, COURTESY, PARK, ILLUM, RH PARK LP and LH PARK LP Fuses/Circuit Breakers


Object Number: 786418  Size: FS
Master Electrical Component List
COURTESY, and LH PARK LP Fuse/Circuit Breaker
IGN 4 and HDLP Fuses, ELECTRIC BRAKE (C4/C5), BRAKE LAMP (C6/C7/C8), AND PWR WINDOW Circuit Breakers, RADIO, DRL, and MARKER Fuses/Circuit Breakers
B+ Bus Bar
COURTESY, and LH PARK LP Fuse/Circuit Breaker
COURTESY, and LH PARK LP Fuse/Circuit Breaker
COURTESY, and LH PARK LP Fuse/Circuit Breaker
Figure 17:

COURTESY, and LH PARK LP Fuses/Circuit Breakers cont.


Object Number: 819196  Size: FS
Master Electrical Component List
Underhood Fuse Block, I/P Fuse Block, BATT/HAZ Fuse, PWR ACCY, HAZARD, TRLR TRN/HAZ, and STOP Fuses/Circuit Breakers
Underhood Fuse Block, LIGHTING and HVAC Fuses, I/P Fuse Block, and COURTESY, PARK, ILLUM, RH PARK LP, and LH PARK LP Fuses/Circuit Breakers
Underhood Fuse Block, LIGHTING and HVAC Fuses, I/P Fuse Block, and COURTESY, PARK, ILLUM, RH PARK LP, and LH PARK LP Fuses/Circuit Breakers
Underhood Fuse Block, LIGHTING and HVAC Fuses, I/P Fuse Block, and COURTESY, PARK, ILLUM, RH PARK LP, and LH PARK LP Fuses/Circuit Breakers
Underhood Fuse Block, LIGHTING and HVAC Fuses, I/P Fuse Block, and COURTESY, PARK, ILLUM, RH PARK LP, and LH PARK LP Fuses/Circuit Breakers
Figure 18:

Underhood Fuse Block, BATT/HAZ Fuse, STOP, TRLR, TRN/HAZ, and HAZARD Fuses/Circuit Breakers, and PWR ACCY Circuit Breaker


Object Number: 786420  Size: FS
Master Electrical Component List
I/P Fuse Block, BRAKE ISO Fuse/Circuit Breaker
COURTESY, and LH PARK LP Fuse/Circuit Breaker
B+ Bus Bar
RADIO/CHIME, CHMSL, and PWR POST Fuses/Circuit Breakers
I/P Fuse Block, BRAKE ISO Fuse/Circuit Breaker
I/P Fuse Block, TURN/BACKUP Fuse/Circuit Breaker
Figure 19:

I/P Fuse Block, BRAKE ISO Fuse/Circuit Breaker


Object Number: 819209  Size: FS
Master Electrical Component List
ABS 2, ABS 3, ABS 1, and E/A Pump Fuses and HORN Fuse/Circuit Breaker
Underhood Fuse Block, I/P Fuse Block, BATT/HAZ Fuse, PWR ACCY, HAZARD, TRLR TRN/HAZ, and STOP Fuses/Circuit Breakers
Underhood Fuse Block, I/P Fuse Block, BATT/HAZ Fuse, PWR ACCY, HAZARD, TRLR TRN/HAZ, and STOP Fuses/Circuit Breakers
Figure 20:

ABS 2, ABS 3, ABS 1 and E/A PUMP Fuses, and HORN Fuse/Circuit Breaker


Object Number: 786434  Size: FS
Master Electrical Component List
Underhood Fuse Block, PCM-B, HTD FUEL, A/C COMP, and RR DEFOG Fuses
I/P Fuse Block, BRAKE ISO Fuse/Circuit Breaker
B+ Bus Bar
Figure 21:

Underhood Fuse Block, PCM-B, HTD FUEL, A/C COMP, and RR DEFOG Fuses


Object Number: 786444  Size: FS
Master Electrical Component List
FUEL Fuse/Circuit Breaker (L18/LB7), PCV Circuit Breaker (LG4), and ECM-B Circuit Breaker (LG5)
ABS 2, ABS 3, ABS 1, and E/A Pump Fuses and HORN Fuse/Circuit Breaker
FUEL Fuse/Circuit Breaker (L18/LB7), PCV Circuit Breaker (LG4), and ECM-B Circuit Breaker (LG5)
Figure 22:

FUEL Fuse/Circuit Breaker (L18/LB7), PCV Circuit Breaker (LG4), and ECM-B Circuit Breaker (LG5)


Object Number: 819211  Size: FS
Master Electrical Component List
RADIO/CHIME, CHMSL, and PWR POST Fuses/Circuit Breakers
Underhood Fuse Block, PCM-B, HTD FUEL, A/C COMP, and RR DEFOG Fuses
B+ Bus Bar
Underhood Fuse Block, PCM-B, HTD FUEL, A/C COMP, and RR DEFOG Fuses
Figure 23:

I/P Fuse Block, RADIO/CHIME, CHMSL, and PWR POST Fuses/Circuit Breakers


Object Number: 786445  Size: FS
Master Electrical Component List
FUEL Fuse/Circuit Breaker (L18/LB7), PCV Circuit Breaker (LG4), and ECM-B Circuit Breaker (LG5)
Underhood Fuse Block, I/P Fuse Block, BATT/HAZ Fuse, PWR ACCY, HAZARD, TRLR TRN/HAZ, and STOP Fuses/Circuit Breakers