GM Service Manual Online
For 1990-2009 cars only
Makes
🢒
Chevrolet
🢒
2006
🢒
Kodiak C-Series (Conventional) C6/C7/C8
🢒
Vehicle Control Systems
🢒
Vehicle DTC Information
🢒 Transfer Case Control Schematics
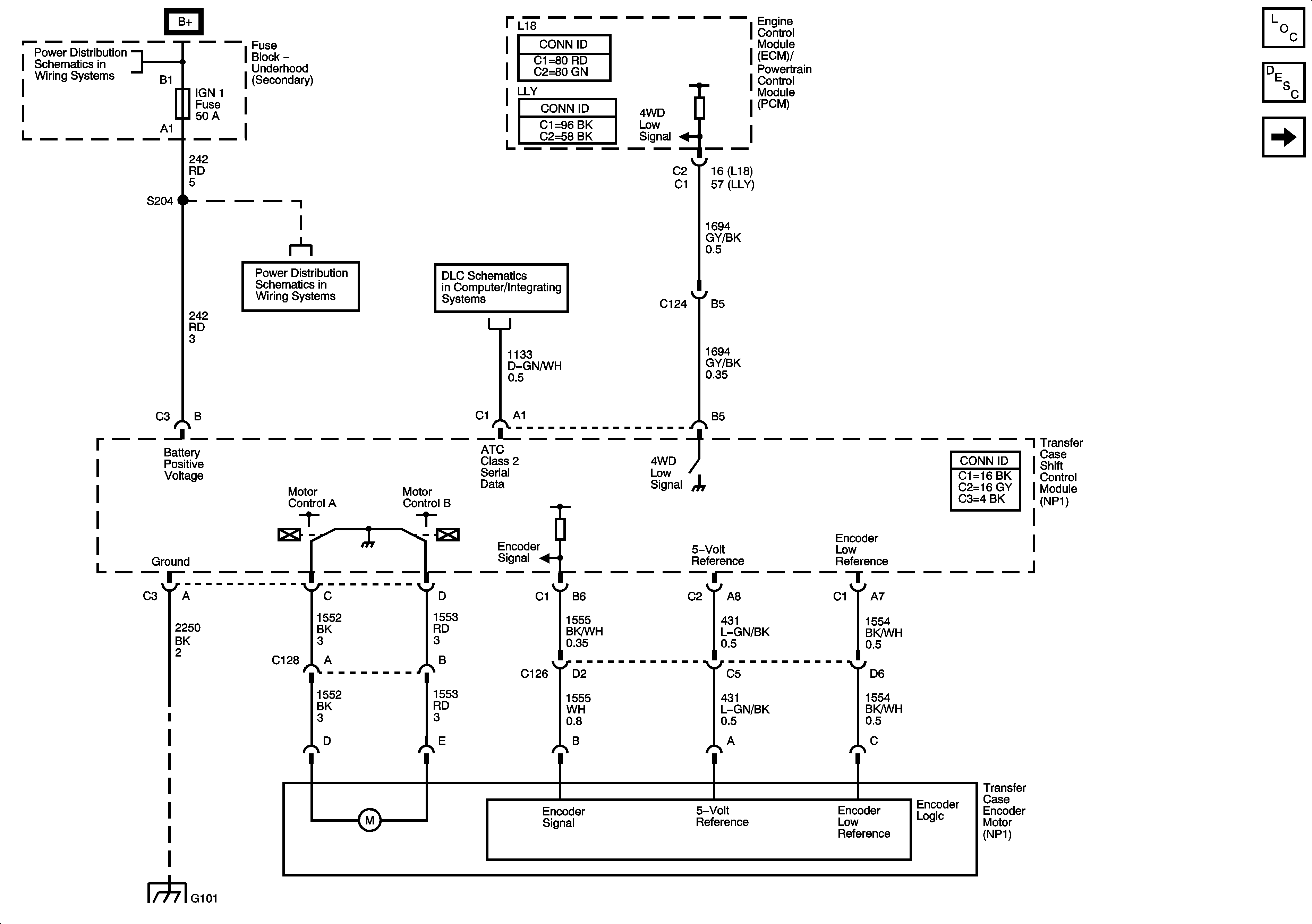
Figure
1:
Power, Ground, Class 2 Serial Data, Transfer Case Shift Control Module and Transfer Case Encoder Motor
Master Electrical Component List
Transfer Case Description and Operation
Transfer Case Shift Control Switch Inputs
Batteries - LG4/LG5 and B+ Bus
Ignition Switch - OFF/RUN/START, RUN/START, and START Bus Bars
Splice Pack SP203
G101 - 1 of 2
Figure
2:
Transfer Case Shift Control Switch Inputs
Master Electrical Component List
Transfer Case Description and Operation
Power, Ground, Class 2 Serial Data, Transfer Case Shift Control Module and Transfer Case Encoder Motor
CTSY LAMPS, HVAC, ILLUM, LIGHTING, LT PARK, PRK LAMPS, and RT PARK Fuses/Circuit Breakers - 1 of 2
CTSY LAMPS, HVAC, ILLUM, LIGHTING, LT PARK, PRK LAMPS, and RT PARK Fuses/Circuit Breakers - 1 of 2
G103, G105, and G106