GM Service Manual Online
For 1990-2009 cars only
Makes
🢒
Chevrolet
🢒
2006
🢒
Kodiak C-Series (Conventional) C6/C7/C8
🢒
Body
🢒
Doors
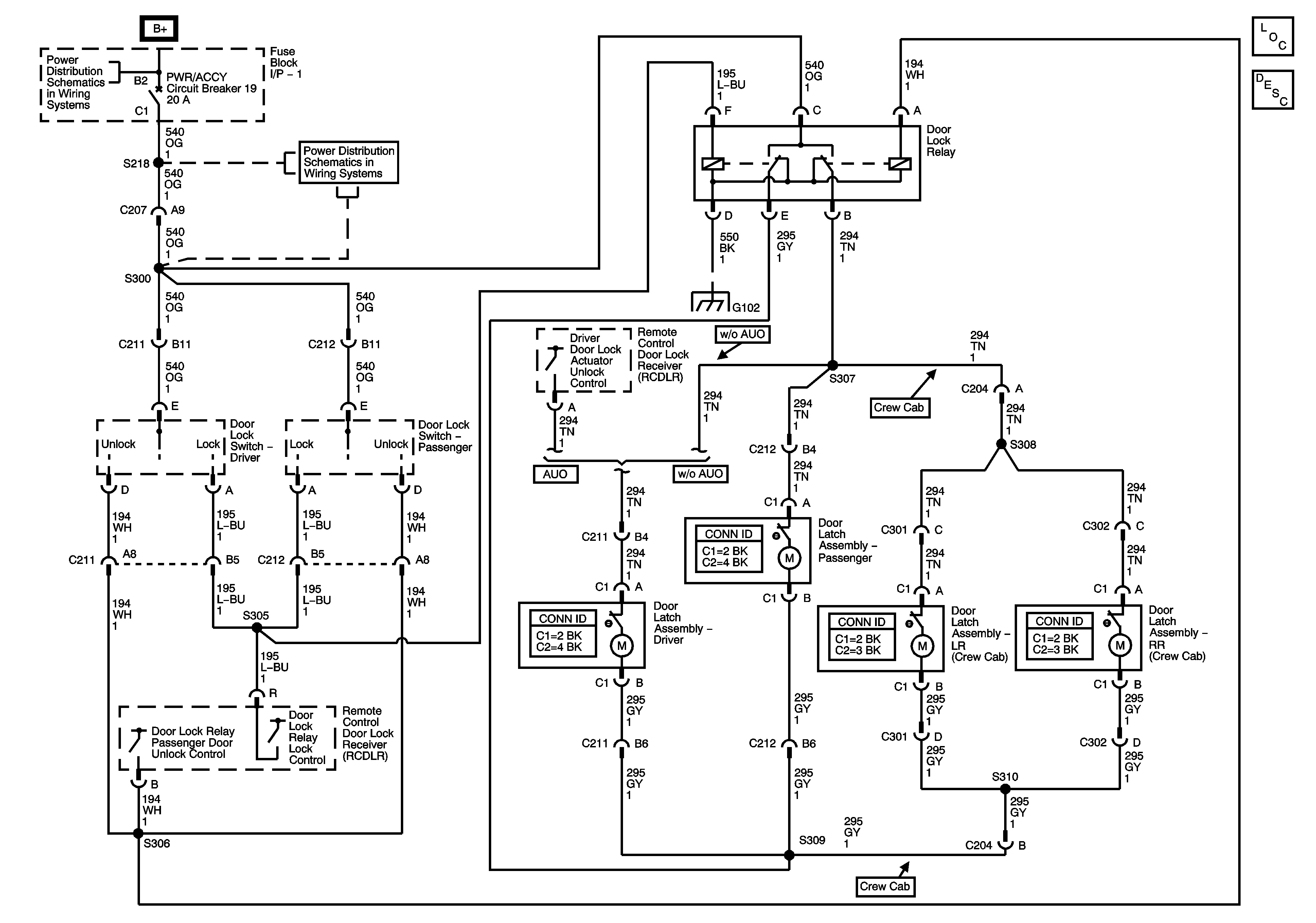
🢒 Door Lock/Indicator Schematics
Master Electrical Component List
Power Door Locks Description and Operation
BAT/HAZ, HAZRD, PWR/ACCY, STOP, and TRLR Fuses/Circuit Breakers
BAT/HAZ, HAZRD, PWR/ACCY, STOP, and TRLR Fuses/Circuit Breakers