GM Service Manual Online
For 1990-2009 cars only
Figure 1:

Hazard and Turn Signal


Object Number: 1816970  Size: FS
Master Electrical Component List
Exterior Lighting Systems Description and Operation
Park and Marker Lamps
BAT/HAZ, HAZRD, PWR/ACCY, STOP, and TRLR Fuses/Circuit Breakers
Ignition Switch - OFF/RUN/START, RUN/START, and START Bus Bars
Stop Lamp Switch
TRN/BCK/UP Fuse/Circuit Breaker
C305 - Upfitter Lighting Connector
G101 - 1 of 2
C305 - Upfitter Lighting Connector
C305 - Upfitter Lighting Connector
C305 - Upfitter Lighting Connector
Park and Marker Lamps
Backup Lamps and Backup Alarm
G203 - 1 of 4
G203 - 1 of 4
G112, G113, G203 - 4 of 4, G204, G205, and G400
Park and Marker Lamps
G112, G113, G203 - 4 of 4, G204, G205, and G400
Park and Marker Lamps
Park and Marker Lamps
Backup Lamps and Backup Alarm
Figure 2:

Park and Marker Lamps


Object Number: 1816968  Size: FS
Master Electrical Component List
Exterior Lighting Systems Description and Operation
Stop Lamp Switch
Hazard and Turn Signal
CTSY LAMPS, HVAC, ILLUM, LIGHTING, LT PARK, PRK LAMPS, and RT PARK Fuses/Circuit Breakers - 1 of 2
Dome/Reading Lamps
Trailer Tow Connector (C6/C7/C8)
Trailer Tow Connector (C4/C5)
DRL, ELEC BRK/BRKLP, HDLP, IGN-4 (Underhood Fuse Block), MKR LTS, PWR WNDW, and RADIO Fuses/Circuit Breakers
CTSY LAMPS, HVAC, ILLUM, LIGHTING, LT PARK, PRK LAMPS, and RT PARK Fuses/Circuit Breakers - 1 of 2
Trailer Tow Connector (C6/C7/C8)
C305 - Upfitter Lighting Connector
C305 - Upfitter Lighting Connector
Hazard and Turn Signal
C305 - Upfitter Lighting Connector
Hazard and Turn Signal
Backup Lamps and Backup Alarm
Hazard and Turn Signal
Backup Lamps and Backup Alarm
Hazard and Turn Signal
G101 - 2 of 2
G101 - 1 of 2
G102 - 1 of 2
G102 - 1 of 2
G112, G113, G203 - 4 of 4, G204, G205, and G400
G203 - 1 of 4
G112, G113, G203 - 4 of 4, G204, G205, and G400
G203 - 1 of 4
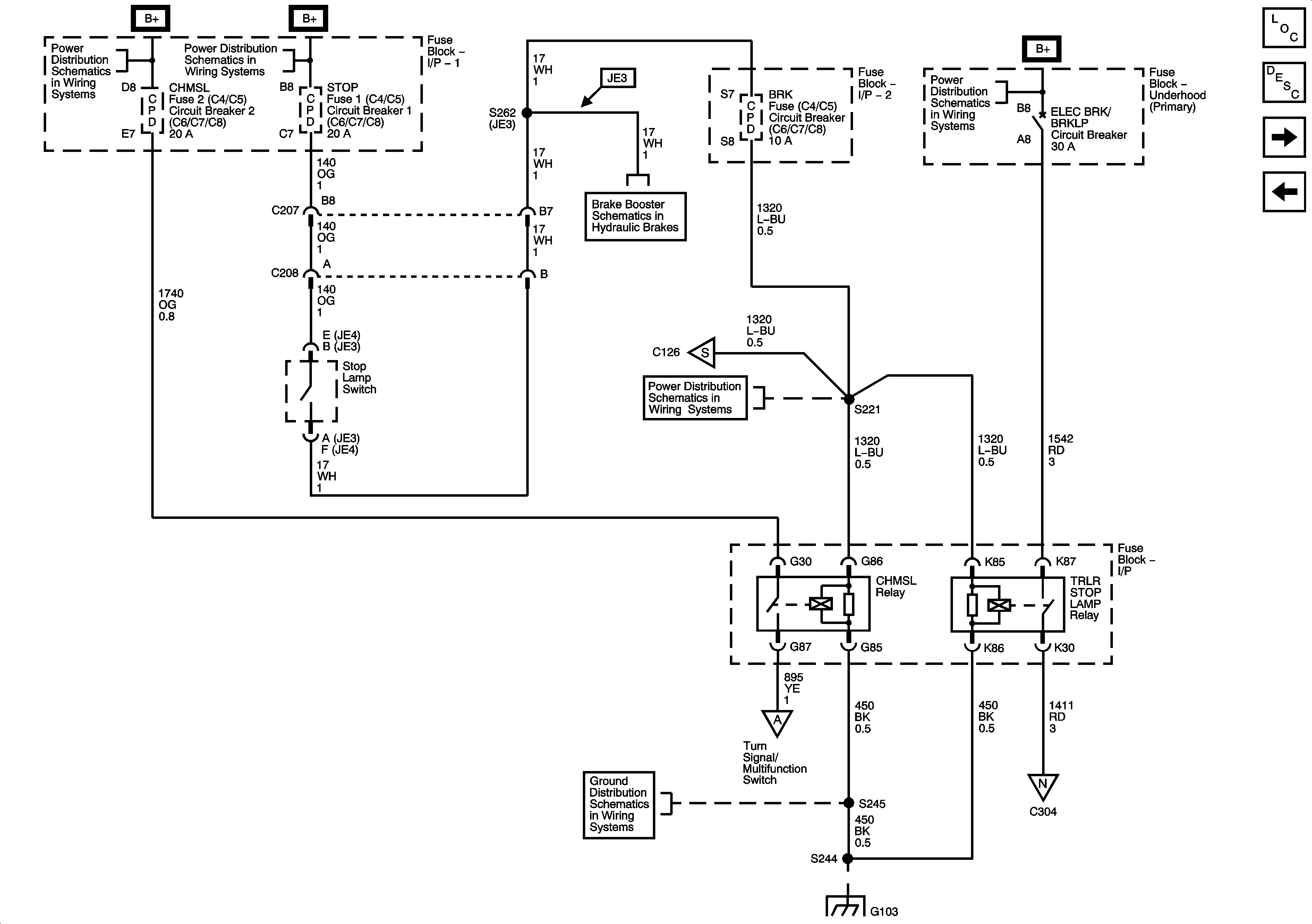
Figure 3:

Stop Lamp Switch


Object Number: 1816967  Size: FS
Master Electrical Component List
Exterior Lighting Systems Description and Operation
Backup Lamp Control
Park and Marker Lamps
CHMSL, PWR POST, and RDO/CHIME Fuses/Circuit Breakers
BAT/HAZ, HAZRD, PWR/ACCY, STOP, and TRLR Fuses/Circuit Breakers
Ignition Switch - RUN and ACC/RUN Bus Bars and IGN 3 Fuse
Power Brake (P/B) Booster Pump Controls and Stop Lamp Switch
C305 - Upfitter Lighting Connector
BRK Fuse/Circuit Breaker
G103, G105, and G106
Hazard and Turn Signal
G103, G105, and G106
Trailer Tow Connector (C6/C7/C8)
Figure 4:

Backup Lamp Control


Object Number: 1788784  Size: FS
Master Electrical Component List
Exterior Lighting Systems Description and Operation
Backup Lamps and Backup Alarm
Stop Lamp Switch
ENG-2, and ENG-3 Fuses - LG4
Ignition Switch - OFF/RUN/START, RUN/START, and START Bus Bars
ENG-2, and ENG-3 Fuses - LG4
ENG-2 and ENG-3 Fuses - LG5/LLY
TRN/BCK/UP Fuse/Circuit Breaker
Backup Lamps and Backup Alarm
Figure 5:

Backup Lamps and Backup Alarm


Object Number: 1645656  Size: FS
Master Electrical Component List
Exterior Lighting Systems Description and Operation
Trailer Tow Connector (C4/C5)
Backup Lamp Control
Backup Lamp Control
C305 - Upfitter Lighting Connector
Trailer Tow Connector (C4/C5)
Hazard and Turn Signal
Hazard and Turn Signal
G203 - 1 of 4
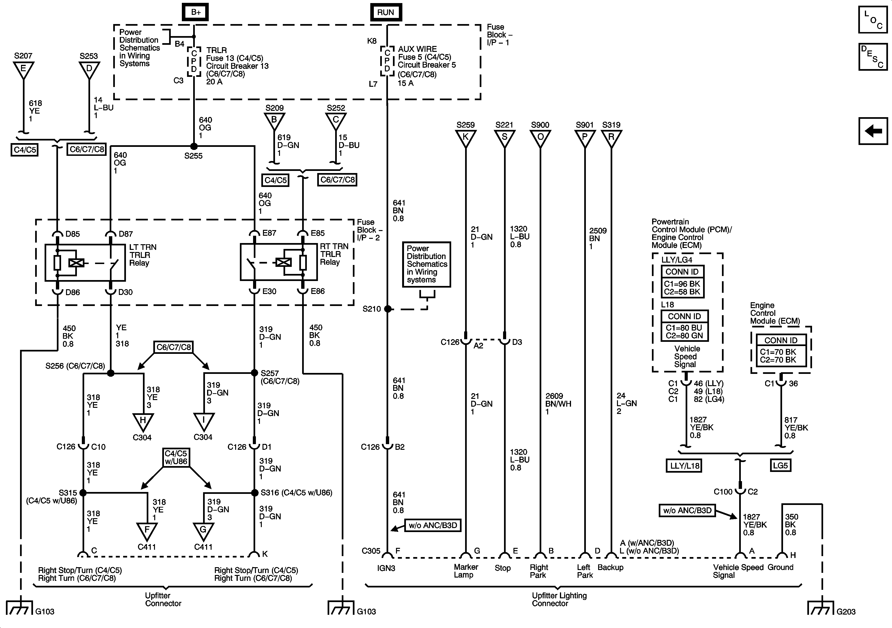
Figure 6:

Trailer Tow Connector (C4/C5)


Object Number: 1816964  Size: FS
Master Electrical Component List
Exterior Lighting Systems Description and Operation
Trailer Tow Connector (C6/C7/C8)
Backup Lamps and Backup Alarm
Batteries - LG4/LG5 and B+ Bus
DRL, ELEC BRK/BRKLP, HDLP, IGN-4 (Underhood Fuse Block), MKR LTS, PWR WNDW, and RADIO Fuses/Circuit Breakers
Park and Marker Lamps
C305 - Upfitter Lighting Connector
Backup Lamps and Backup Alarm
C305 - Upfitter Lighting Connector
G112, G113, G203 - 4 of 4, G204, G205, and G400
Figure 7:

Trailer Tow Connector (C6/C7/C8)


Object Number: 1816963  Size: FS
Master Electrical Component List
Exterior Lighting Systems Description and Operation
C305 - Upfitter Lighting Connector
Trailer Tow Connector (C4/C5)
Batteries - LG4/LG5 and B+ Bus
ABS-1, ABS-2, ABS-3, E/A PUMP, and HORN Fuses/Circuit Breakers
Park and Marker Lamps
C305 - Upfitter Lighting Connector
Stop Lamp Switch
C305 - Upfitter Lighting Connector
Park and Marker Lamps
G112, G113, G203 - 4 of 4, G204, G205, and G400
Figure 8:

C305 - Upfitter Lighting Connector


Object Number: 1645657  Size: FS
Master Electrical Component List
Exterior Lighting Systems Description and Operation
Trailer Tow Connector (C6/C7/C8)
Hazard and Turn Signal
Hazard and Turn Signal
BAT/HAZ, HAZRD, PWR/ACCY, STOP, and TRLR Fuses/Circuit Breakers
Hazard and Turn Signal
Hazard and Turn Signal
Park and Marker Lamps
Stop Lamp Switch
Park and Marker Lamps
Park and Marker Lamps
Backup Lamps and Backup Alarm
AUX WIRE and IGN-4 (I/P Fuse Block -1) Fuses/Circuit Breakers
Trailer Tow Connector (C6/C7/C8)
Trailer Tow Connector (C6/C7/C8)
Trailer Tow Connector (C4/C5)
Trailer Tow Connector (C4/C5)
G103, G105, and G106
G103, G105, and G106
G203 - 1 of 4