GM Service Manual Online
For 1990-2009 cars only
Figure 1:

G100 - L18


Object Number: 1492760  Size: FS
Master Electrical Component List
G100 (LB7)
Figure 2:

G100 - LLY


Object Number: 1492761  Size: FS
Master Electrical Component List
G100 (LG4)
G100 (L18)
Figure 3:

G100 - LG4


Object Number: 1492762  Size: FS
Master Electrical Component List
G100 (LG5)
G100 (LB7)
Figure 4:

G100 - LG5


Object Number: 1492763  Size: FS
Master Electrical Component List
G101 - 1 of 2
G100 (LG4)
Figure 5:

G101 - 1 of 2


Object Number: 1492764  Size: FS
Master Electrical Component List
G101 - 2 of 2
G100 (LG5)
G101 - 2 of 2
Figure 6:

G101 - 2 of 2


Object Number: 1492765  Size: FS
Master Electrical Component List
G102 - 1 of 2
G101 - 1 of 2
G101 - 1 of 2
Figure 7:

G102 - 1 of 2


Object Number: 1492766  Size: FS
Master Electrical Component List
G102 - 2 of 2
G101 - 2 of 2
G102 - 2 of 2
Figure 8:

G102 - 2 of 2


Object Number: 1492767  Size: FS
Master Electrical Component List
G103 - 1 of 2, G105, and G106
G102 - 1 of 2
G102 - 1 of 2
Figure 9:

G103 - 1 of 2, G105 and G106


Object Number: 1492768  Size: FS
Master Electrical Component List
G103 - 2 of 2
G102 - 2 of 2
G103 - 2 of 2
Figure 10:

G103 - 2 of 2


Object Number: 1492769  Size: FS
Master Electrical Component List
G118, G119, and G120
G103 - 1 of 2, G105, and G106
G103 - 1 of 2, G105, and G106
Figure 11:

G118, G119, and G120


Object Number: 1492770  Size: FS
Master Electrical Component List
G200, G202, and G203 - 1 of 4
G103 - 2 of 2
Figure 12:

G200, G202, and G203 - 1 of 4


Object Number: 1492771  Size: FS
Master Electrical Component List
G203 - 2 of 4
G118, G119, and G120
G203 - 2 of 4
G203 - 3 of 4
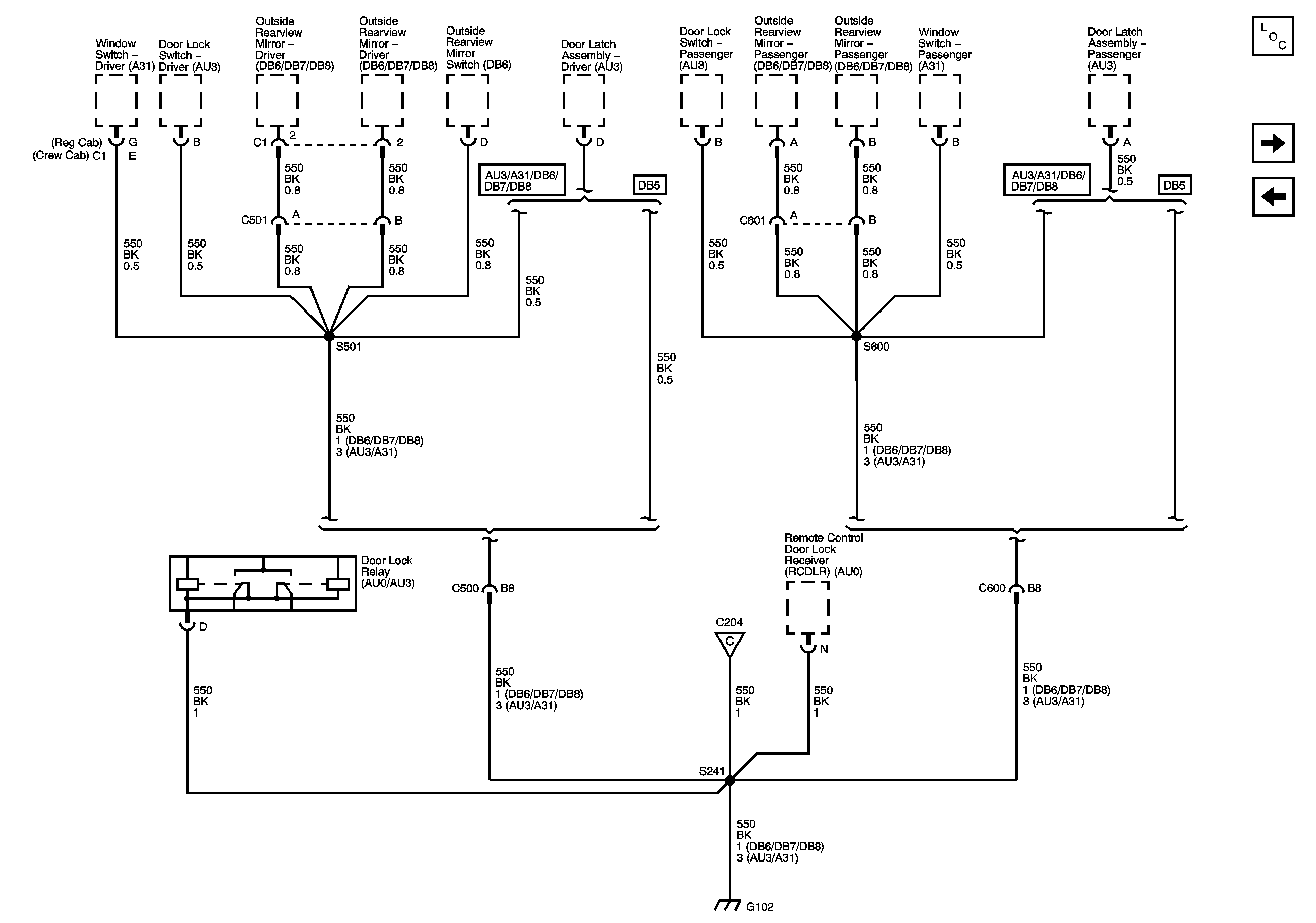
G112, G113, G203 - 4 of 4, G204, G205 and G400
Figure 13:

G203 - 2 of 4


Object Number: 1492775  Size: FS
Master Electrical Component List
G203 - 3 of 4
G200, G202, and G203 - 1 of 4
G200, G202, and G203 - 1 of 4
Figure 14:

G203 - 3 of 4


Object Number: 1492778  Size: FS
Master Electrical Component List
G112, G113, G203 - 4 of 4, G204, G205 and G400
G203 - 2 of 4
G200, G202, and G203 - 1 of 4
Figure 15:

G112, G113, G203 - 4 of 4, G204, G205, and G400


Object Number: 1492779  Size: FS
Master Electrical Component List
G203 - 3 of 4
G200, G202, and G203 - 1 of 4