GM Service Manual Online
For 1990-2009 cars only

ENGINE DRIVEABILITY (VFV) VARIABLE FUEL VEHICLE 3.1L

Subject: ENGINE DRIVEABILITY/ROUGH IDLE

Model and Year: 1991 LUMINA WITH 3.1L ENGINE AND VARIABLE FUEL VEHICLE (N14 OPTION)

Condition: Owners of some 1991 Luminas with 3.1 L Variable Fuel Vehicle (VFV, N14) option may comment about rough idle and poor driveability.

Cause: These conditions may be caused by failed Fuel injector(s).

Correction: These conditions may be repaired by following the service procedure below:

Procedure:

1. Remove fuel injectors per the 1991 Lumina Methanol Service Manual Supplement, Pages 6E3-C2-24 through 28.

2. Inspect fuel injectors for build date. The build date code is the four digit number located on the boss below the connector and next to the eight digit part number (See Illustration, Figure C2-31 on Page 6E- C2-28 of the Service Manual Supplement). If the build date of the injector(s) is 5291 or later, hold for Step #3. If the injector(s) were built before May 29, 1991 (5291) replace with new injector(s), P/N 17101749.

3. All injector(s) found with build date code of 5291 or later should have their resistance checked. The resistance for each injector(s) should be 2.05 Ohms +/- .1 Ohms at 20 degrees Celsius/68 degrees Fahrenheit. If injector(s) is found to be out of specifications replace with P/N 17101749.

4. Install wire kit, P/N 12126221 per instructions in kit. This kit changes the injector fuse feed circuit from battery feed (hot at all times) to hot with ignition switch on only.

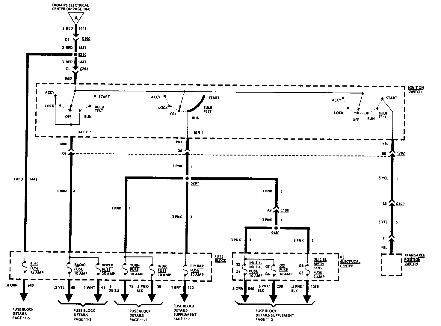
Notice To Dealer: Attached to this bulletin are wiring diagrams to update your 1991 Lumina Methanol Service Manual Supplement. Please note your manuals accordingly.

Parts are currently available from GMSPO.

Labor Operation Number: T1756

Labor Time Base: 2.1 Hours Add Time: .1 replace 1 injector .2 replace all injectors

Trouble Code: .92


Object Number: 75190  Size: FS


Object Number: 75840  Size: FS


Object Number: 81363  Size: FS

General Motors bulletins are intended for use by professional technicians, not a "do-it-yourselfer". They are written to inform those technicians of conditions that may occur on some vehicles, or to provide information that could assist in the proper service of a vehicle. Properly trained technicians have the equipment, tools, safety instructions and know-how to do a job properly and safely. If a condition is described, do not assume that the bulletin applies to your vehicle, or that your vehicle will have that condition. See a General Motors dealer servicing your brand of General Motors vehicle for information on whether your vehicle may benefit from the information.