GM Service Manual Online
For 1990-2009 cars only

Refer to

Fuel Injection Control


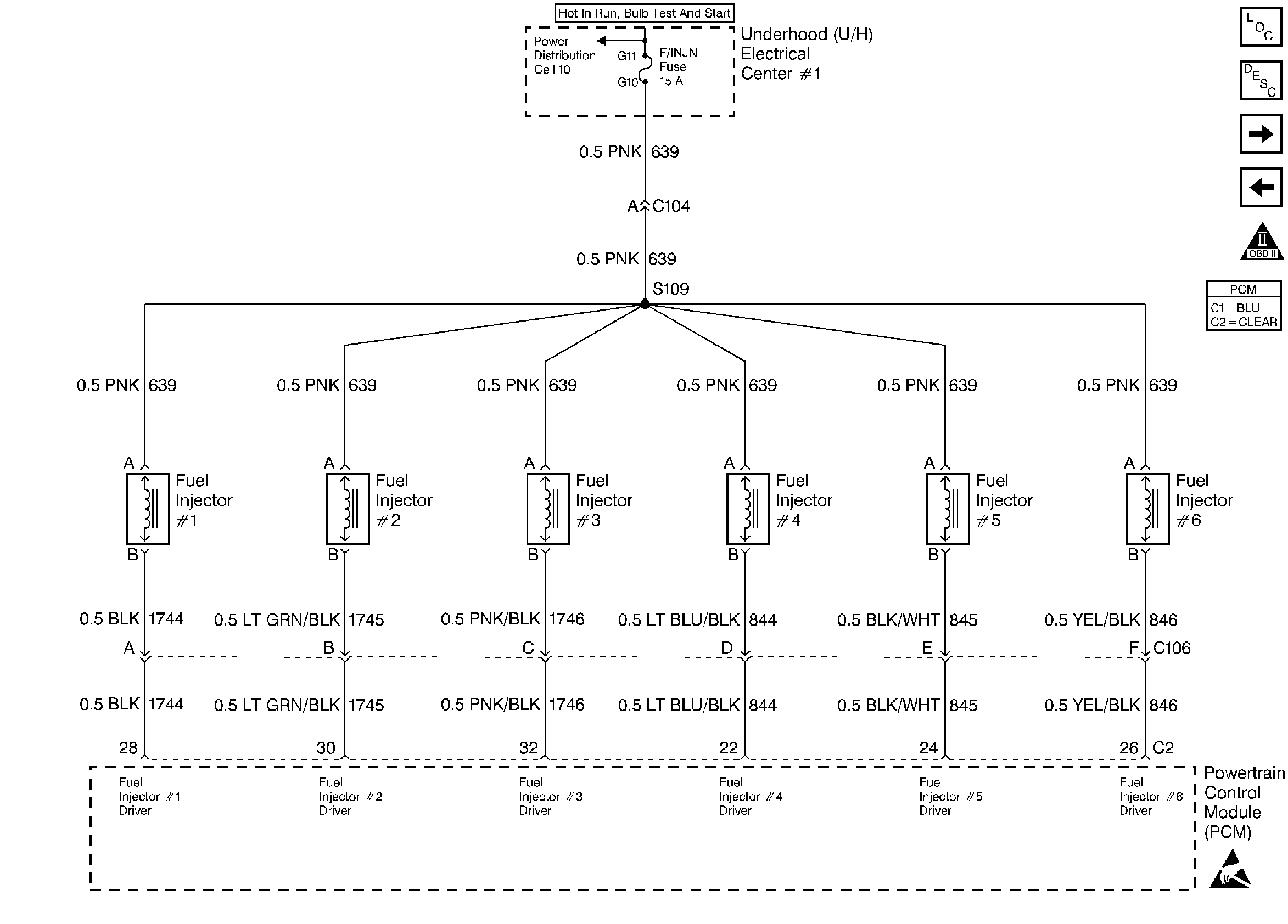
Object Number: 23101  Size: FS
Engine Controls Components
Fuel Supply Components
Fuel Pump Control
Ignition Control
OBD II Symbol Description Notice
Handling ESD Sensitive Parts Notice
.

Circuit Description

The PCM controls the fuel injector control circuit using a General FET Driver (GFD). The GFD has the ability to detect an electrical malfunction on any of the injector ignition feed or control circuits. If an electrical malfunction is detected, the GFD signals the PCM to set DTC P1200.

Conditions for Setting the DTC

    • An incorrect voltage level is being detected on an injector driver circuit.
    • Above condition for over 5 seconds.

Action Taken When the DTC Sets

    • The PCM will illuminate the malfunction indicator lamp (MIL) during the first trip in which the diagnostic runs and fails.
    • If equipped with traction control, the PCM will command the EBTCM via the serial data circuit to turn OFF traction control and illuminate the TRACTION OFF lamp.
    • The PCM will store conditions which were present when the DTC set as Freeze Frame and Fail Records data.

Conditions for Clearing the MIL/DTC

    • The PCM will turn OFF the MIL during the third consecutive trip in which the diagnostic has been run and passed.
    • The History DTC will clear after 40 consecutive warm-up cycles have occurred without a malfunction.
    • The DTC can be cleared by using the scan tool.

Diagnostic Aids

Check for the following conditions:

    • Poor connection at PCM. Inspect harness connectors for backed out terminals, improper mating, broken locks, improperly formed or damaged terminals, and poor terminal to wire connection.
    • Damaged harness. Inspect the wiring harness for damage. If the harness appears to be OK, observe the display on the scan tool while moving connectors and wiring harnesses related to the sensor. A change in the display will indicate the location of the fault.

Reviewing the Fail Records vehicle mileage since the diagnostic test last failed may help determine how often the condition that caused the DTC to be set occurs. This may assist in diagnosing the condition.

Test Description

Number(s) below refer to the step number(s) on the Diagnostic Chart.

  1. Checks for faulty injector driver or ignition feed wiring.

  2. Checks for a fault in the injector ignition feed circuit.

  3. Checks for a short to ground in the injector driver circuit.

  4. Checks for an open in the injector driver circuit.

  5. This vehicle is equipped with a PCM which utilizes an Electrically Erasable Programmable Read Only Memory (EEPROM). When the PCM is being replaced, the new PCM must be programmed. Refer to Powertrain Control Module Replacement/Programming .

DTC P1200 - Injector Control Circuit

Step

Action

Value(s)

Yes

No

1

Was the Powertrain On-Board Diagnostic System Check performed?

--

Go to Step 2

Go to the Powertrain On Board Diagnostic (OBD) System Check

2

Engine idling, monitor Specific DTC info for DTC P1200 on the scan tool.

Does the scan tool indicate DTC P1200 failed this ign?

--

Go to Step 4

Go to Step 3

3

  1. Turn ON the ignition switch, engine OFF.
  2. Review and record scan tool Fail Records data.
  3. Operate vehicle within Fail Records conditions as noted.
  4. Monitor Specific DTC info for DTC P1200 on the scan tool.

Does the scan tool indicate DTC P1200 failed this ign?

--

Go to Step 4

Refer to Diagnostic Aids

4

  1. Turn OFF the ignition switch, disconnect the PCM.
  2. Turn ON the ignition switch.
  3. Using J 39200 digital voltmeter (DVM), measure the voltage between each injector driver circuit (1-6) at the PCM connector and ground.

Do all injector driver circuits measure near the specified value?

B+

Go to Step 5

Go to Step 9

5

Perform the Fuel Injector Coil Test Procedure. Refer to the Fuel Injector Solenoid Coil Test .

Are the injectors OK?

--

Go to Step 6

Go to Step 17

6

  1. Turn OFF the ignition switch, disconnect all the injectors.
  2. Turn ON the ignition switch.
  3. Using J 39200 digital voltmeter (DVM), measure the voltage between each injector driver circuit (1-6) at the PCM connector and ground.

Do all injector driver circuits measure near the specified value?

0V

Go to Step 7

Go to Step 16

7

  1. Check the wire harness ignition feed circuits between the fuse and the injectors for an intermittent open.
  2. Check the injector driver circuits between the PCM and the injectors for an intermittent open or short to ground.
  3. If a problem is found, repair as necessary. Refer to Repair Procedures in Electrical Diagnosis.

Was a problem found?

--

Go to Step 19

Go to Step 8

8

  1. Check for poor terminal connections at the injector connectors.
  2. Check the injector driver circuits for poor terminal connections at the PCM connector.
  3. If a problem is found, replace faulty terminal(s).

Was a problem found?

--

Go to Step 19

Go to Step 18

9

  1. Turn OFF the ignition switch, disconnect the injector connectors associated with the injector driver circuits that did not measure near the specified value in Step 4.
  2. Turn ON the ignition switch, measure voltage between ignition feed circuit at the affected injector connector(s) and ground.

Does the ignition feed circuit measure near the specified value?

B+

Go to Step 10

Go to Step 14

10

Probe injector driver circuit at the affected injector connector(s) with a J 35616-200 to B+.

Is the test light ON?

--

Go to Step 15

Go to Step 11

11

  1. Turn OFF the ignition switch, install a fused jumper between the injector driver circuit and the ignition feed circuit at the affected injector connector(s).
  2. Turn ON the ignition switch, probe the affected injector driver circuits at the PCM connector with a J 35616-200 to ground.

Is the test light ON?

--

Go to Step 12

Go to Step 13

12

  1. Check for a poor terminal connection at the injector connector(s).
  2. If a problem is found, replace faulty terminal(s). Refer to Repair Procedures in Electrical Diagnosis.

Was a problem found?

--

Go to Step 19

Go to Step 17

13

Locate and repair open in affected injector driver circuit(s). Refer to Repair Procedures in Electrical Diagnosis.

Is action complete?

--

Go to Step 19

--

14

Locate and repair open or short to ground in ignition feed circuit to affected injector(s). Refer to Repair Procedures in Electrical Diagnosis.

Is action complete?

--

Go to Step 19

--

15

Locate and repair short to ground in affected injector driver circuit(s). Refer to Repair Procedures in Electrical Diagnosis.

Is action complete?

--

Go to Step 19

--

16

Locate and repair short to voltage on the injector driver circuit(s) that did not measure near the specified value. Refer to Repair Procedures in Electrical Diagnosis.

Is action complete?

0V

Go to Step 19

--

17

Replace faulty injector(s). Refer to Fuel Injector Replacement .

Is action complete?

--

Go to Step 19

--

18

Replace the PCM.

Important: Replacement PCM must be programmed. Refer to Powertrain Control Module Replacement/Programming .

Is action complete?

--

Go to Step 19

--

19

  1. Review and record scan tool Fail Records data.
  2. Clear DTCs.
  3. Operate vehicle within Fail Records conditions as noted.
  4. Monitor Specific DTC info for DTC P1200 on the scan tool.

Does the scan tool indicate DTC P1200 failed this ign?

--

Go to Step 2

System OK