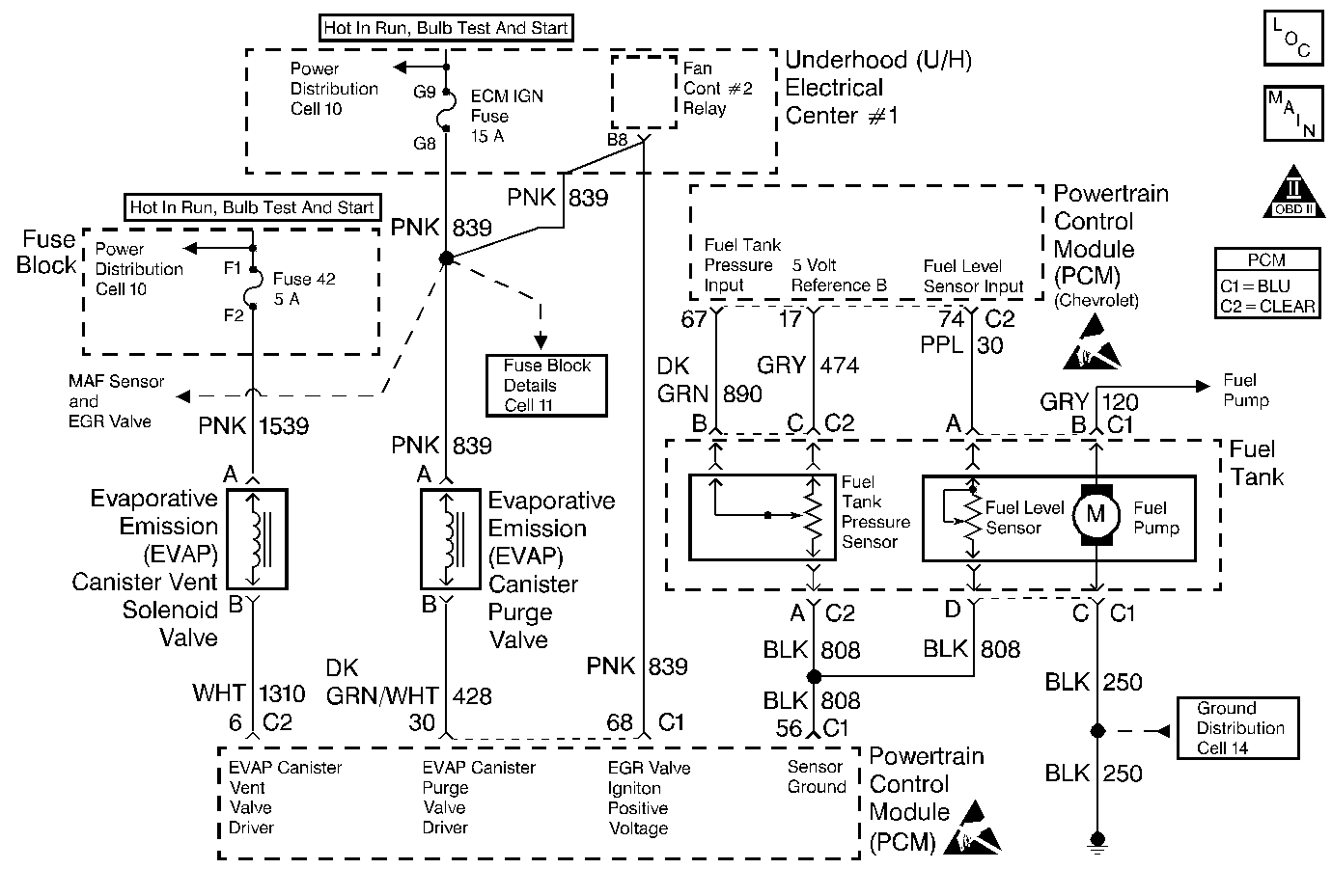
The evaporative system includes the following components:
| • | The fuel tank. |
| • | The EVAP canister vent valve. |
| • | The fuel tank pressure sensor. |
| • | The fuel pipes and hoses. |
| • | The fuel cap. |
| • | The EVAP vapor lines. |
| • | The EVAP purge lines. |
| • | The evaporative emission canister. |
| • | The EVAP purge valve. |
The Powertrain Control Module (PCM) supplies a ground to energize the valve valve (purge ON). The EVAP purge valve control is Pulse Width Modulated (PWM) or turned ON and OFF several times a second. The duty cycle (pulse width) is determined by engine operating conditions including load, throttle position, coolant temperature and ambient temperature. The duty cycle is calculated by the PCM and the output is commanded when the appropriate conditions have been met. The system checks for conditions that cause the EVAP system to purge continuously by commanding the EVAP canister vent valve ON and the EVAP purge valve OFF (EVAP canister vent valve CLOSED, EVAP purge PWM 0%). If vacuum level in the fuel tank increases during the test, a continuous purge flow condition is indicated. This can be caused by any of the following conditions:
| • | EVAP purge valve leaking. |
| • | EVAP purge and engine vacuum lines switched at the EVAP purge valve. |
| • | EVAP purge valve control circuit grounded. |
If any of these conditions are present, DTC P1441 will set.
| • | No TP sensor, ODM, IAT sensor, or MAP sensor DTCs set. |
| • | The DTC P0442 diagnostic test has passed. |
| • | A continuous open purge flow condition is detected during the diagnostic test (fuel tank pressure decreases below -11 in. H2O). |
| • | The PCM will illuminate the malfunction indicator lamp (MIL) during the first trip in which the diagnostic test has been run and failed. |
| • | The PCM will store conditions which were present when the DTC set as Freeze Frame and Failure Records data. |
Important: Although these diagnostics are considered type A, they act like type B diagnostics under certain conditions. Whenever the EVAP diagnostics report that the system has passed, or if the battery has been disconnected, the diagnostic must fail during two consecutive cold start trips before setting a DTC. The initial failure is not reported to the diagnostic executive or displayed on a scan tool. A passing system always reports to the diagnostic executive immediately.
| • | The PCM will turn OFF the MIL during the third consecutive trip in which the diagnostic has been run and passed. |
| • | The History DTC will clear after 40 consecutive warm-up cycles have occurred without a malfunction. |
| • | The DTC can be cleared by using the scan tool. |
Check for the following conditions:
| • | Poor connection at the PCM. |
| Inspect harness connectors for backed out terminals, improper mating, broken locks, improperly formed or damaged terminals, and poor terminal to wire connection. |
| • | Damaged harness. |
| Inspect the wiring harness for damage. |
| • | If the harness appears to be OK, connect the
|
| • | Incorrect vacuum line routing. |
| Verify that the source vacuum line routing to the EVAP purge solenoid is correct and that the EVAP purge and source vacuum lines to the EVAP purge solenoid are not switched. |
| • | Faulty or damaged canister. |
| A faulty canister may intermittenly allow charcoal into the EVAP purge solenoid, vacuum switch, and associated lines causing a DTC to be set. Use the following procedure to check for a carbon release condition: |
| 1. | Turn OFF the ignition switch. |
| 2. | Remove the EVAP purge solenoid. Refer to EVAP Canister Purge Solenoid . |
| 3. | Lightly tap the purge solenoid and (if applicable) the vacuum switch on a clean work area looking for carbon particles exiting either of the vacuum ports. |
| 4. | If no carbon release is evident, reinstall the components and continue with the DTC P1441 table. If carbon is being released from either component, continue with this service procedure. |
| 5. | Remove the charcoal canister from the vehicle. |
| 6. | Ensure that the main cylinder valve is turned off on the
|
| 7. | Disconnect the black hose that connects the nitrogen cylinder to the EVAP purge/pressure diagnostic station at the pressure regulator by unscrewing the knurled nut on the regulator. No tools are required to remove the black hose from the regulator. |
| 8. | Using a section of vacuum line, connect one end over the open threaded fitting of the EVAP purge/pressure diagnostic station pressure regulator. |
| 9. | Connect the remaining end to the purge solenoid end of the EVAP purge line at the vehicle and turn on the main nitrogen cylinder valve. Continue to blow any debris from the purge line for 15 seconds. |
| 10. | Return the EVAP Pressure/Purge Diagnostic Station to its original condition by re-installing the black hose that was disconnected in step 7. |
| 11. | Replace the following components: |
| • | The EVAP purge solenoid. Refer to EVAP Canister Purge Solenoid . |
| • | The EVAP canister. Refer to EVAP Canister . |
| 12. | Proceed with the the DTC P1441 diagnostic table. |
Reviewing the Fail Records vehicle mileage since the diagnostic test last failed may help determine how often the condition that caused the DTC to set occurs. This may assist in diagnosing the condition.
Number(s) below refer to the step number(s) on the Diagnostic Table.
If an EVAP purge solenoid electrical fault is present, the purge system will not operate correctly. Repairing the electrical fault will very likely correct the condition that set DTC P1441.
Checks the Fuel Tank Pressure sensor at ambient pressure
Checks for a stuck open EVAP purge solenoid.
Verifies that the fuel tank pressure sensor accurately reacts to EVAP system pressure changes.
If the EVAP purge and engine vacuum lines are switched at the EVAP purge solenoid, the solenoid valve will leak vacuum.
The PCM will command the EVAP purge and vent solenoids closed with the scan tool Seal System EVAP output control function activated. Fuel tank pressure should not decrease under this condition.
Step | Action | Value(s) | Yes | No |
|---|---|---|---|---|
1 | Was the Powertrain On-Board Diagnostic System Check performed? | -- | ||
Was DTC P1655 also set? | -- | Go to DTC P1655 Evaporative Emission (EVAP) Purge Solenoid Control Circuit | ||
Is Fuel Tank Pressure at the specified value? | 0 in. H2O | |||
|
Important:: Before continuing with diagnosis, zero the EVAP Pressure and Vacuum
(inches of H2O) gauges on the
Can the specified value be achieved? | 5 in. H2O | |||
Is Fuel Tank Pressure at the specified value? | 5 in. H2O | |||
Check the EVAP purge and source vacuum line routing and connections at the EVAP purge solenoid. Refer to Emission Hose Routing Diagram EVAP purge and source vacuum lines connected correctly at the EVAP purge solenoid? | -- | |||
7 |
Does the EVAP purge solenoid maintain vacuum at the specified value? | 15 in. Hg | Refer to Diagnostic Aids | |
8 | Replace the EVAP Purge Solenoid. Go to EVAP Canister Purge Solenoid. Important: Check for carbon release into the EVAP system. Refer to Diagnostic Aids. Is action complete? | -- | -- | |
9 | Correct the EVAP purge and source vacuum line routing and connections. Is action complete? | -- | -- | |
Does vacuum remain at the specified value while the scan tool Seal System function is activated? | 0 in. H2O | System OK |
Canister purge is controlled by an EVAP purge solenoid valve that allows manifold vacuum to purge the canister. The Powertrain Control Module (PCM) supplies a ground to energize the EVAP purge solenoid valve (purge ON ). The EVAP purge solenoid control is Pulse Width Modulated (PWM) or turned ON and OFF several times a second. The PCM controlled PWM output is commanded when the following conditions have been met:
| • | Engine coolant temperature above 70°C (158°F). |
| • | After the engine has been running about 65 seconds on a cold start or 30 seconds on a warm start. |
Canister purge PWM duty cycle varys according to operating conditions determined by mass air flow, fuel trim, and. intake air temperature. Canister purge will be disabled if TP angle increases to above 45%. Canister purge will be re-enabled when TP angle decreases below 43%. The EVAP purge vacuum switch is a normally closed switch positioned in the purge line between the canister and the EVAP purge solenoid. The EVAP purge vacuum switch will open when vacuum increases to greater than 5 inches of water (in. H2O) in the purge line. The PCM monitors the EVAP purge vacuum switch signal to determine if the evaporative emission control system is working properly. If the switch is open (purge flow detected) when the PCM is not commanding the EVAP purge solenoid ON, DTC P1441 will be set.
| • | No active TP sensor, ECT sensor, HO2S sensors, Fuel trim, Fuel Injector faults, Misfire, IAT sensor, MAP sensor, MAF sensor or VSS DTC(s) set. |
| • | BARO reading is greater than 70 kPa. |
| • | Engine speed is between 650 RPM and 5000 RPM. |
| • | Engine Coolant Temperature is less than 113°C (237°F). |
| • | Intake Air Temperature is between 0°C (32°F). and 70°C (158°F). |
| • | The difference between ECT and IAT is less than 10°C (18°F). |
| • | Throttle angle is between 2.5% and 40%. |
| • | PCM commanded purge is less than 3%. |
| • | EVAP purge vacuum switch is open. |
| • | Above conditions for longer than 4 seconds. |
| • | The PCM will illuminate the malfunction indicator lamp (MIL) during the second consecutive trip in which the diagnostic test has been run and failed. |
| • | The PCM will store conditions which were present when the DTC set as Freeze Frame and Failure Records data. |
| • | The PCM will turn OFF the MIL during the third consecutive trip in which the diagnostic has been run and passed. |
| • | The History DTC will clear after 40 consecutive warm-up cycles have occurred without a malfunction. |
| • | The DTC can be cleared by using the scan tool. |
Check for the following conditions:
| • | Poor connection at PCM. Inspect harness connectors for backed out terminals, improper mating, broken locks, improperly formed or damaged terminals, and poor terminal to wire connection. |
| • | Damaged harness. Inspect the wiring harness for damage. If the harness appears to be OK, observe the EVAP vacuum switch display on the scan tool while moving connectors and wiring harnesses related to the switch. A change in the display will indicate the location of the fault. |
| • | Incorrect vacuum hose routing. Verify that the vacuum hose routing to the canister purge vacuum switch and the canister purge solenoid is correct and that the vacuum hoses to the canister purge solenoid are not switched. Refer to Emission Hose Routing Diagram . |
| • | Restricted fuel vapor line, purge hose, canister vent, or blocked canister. A condition that causes the EVAP system to trap vacuum can keep the EVAP vacuum switch open , causing DTC P1441 to be set. |
| • | Faulty or damaged canister. A faulty canister may intermittenly allow charcoal into the EVAP purge solenoid, vacuum switch, and associated lines causing a DTC to be set. Refer to Evaporative Emission Control System . |
Reviewing the Fail Records vehicle mileage since the diagnostic test last failed may help determine how often the condition that caused the DTC to be set occurs. This may assist in diagnosing the condition.
Number(s) below refer to the step number(s) on the Diagnostic Chart.
The canister purge vacuum switch is normally closed when no vacuum (purge) is present. With the key ON and the engine OFF, there should not be any vacuum (purge) present in the EVAP system.
Checks if the PCM is able to control the EVAP purge solenoid valve.
Checks if the DTC will set under the conditions present when the DTC was originally stored. If not, the fault is intermittent.
Checks for a grounded EVAP purge solenoid driver circuit, a faulty EVAP vacuum switch, or a leaking EVAP purge solenoid valve.
Checks for an open EVAP vacuum switch.
This vehicle is equipped with a PCM which utilizes an Electrically Erasable Programmable Read Only Memory (EEPROM). When the PCM is being replaced, the new PCM must be programmed.
Step | Action | Value(s) | Yes | No | ||||||
|---|---|---|---|---|---|---|---|---|---|---|
1 | Was the Powertrain On-Board Diagnostic (OBD) System Check performed? | -- | ||||||||
With the ignition ON, engine not running, observe EVAP Vacuum Sw. display on the scan tool. Does EVAP Vacuum Sw. display No Purge? | -- | |||||||||
Engine idling, observe EVAP Vacuum Sw. while commanding the EVAP purge solenoid OFF with the scan tool. Does EVAP Vacuum Sw. display No Purge with the EVAP purge solenoid commanded OFF? | -- | |||||||||
Does scan tool indicate DTC P1441 failed? | -- | Refer to Diagnostic Aids | ||||||||
Does EVAP Vacuum Sw. display No Purge? | -- | |||||||||
6 |
Was a problem found? | -- | ||||||||
7 |
Is vacuum greater than the specified value? | 5 in H2O | ||||||||
8 | Check for incorrect vacuum hose routing or switched vacuum lines at the EVAP purge solenoid. If a problem is found, repair as necessary. Was a problem found? | -- | ||||||||
9 | Replace the EVAP purge solenoid. Refer to Evaporative Emission Canister Purge Solenoid . Is action complete? | -- | -- | |||||||
10 |
Was a problem found? | -- | ||||||||
11 |
Was a problem found? | -- | ||||||||
Does EVAP Vacuum Sw. display No Purge? | -- | |||||||||
13 |
Was a problem found? | -- | ||||||||
14 |
Was a problem found?. | -- | ||||||||
15 | Replace the EVAP vacuum switch. Refer to Evaporative Emission Vacuum Switch . Is action complete? | -- | -- | |||||||
16 | Replace the PCM. Important: Replacement PCM must be programmed. Refer to Powertrain Control Module Replacement/Programming . Is action complete? | -- | -- | |||||||
17 |
Does scan tool indicate DTC P1441 failed? | -- | System OK |