GM Service Manual Online
For 1990-2009 cars only
Makes
🢒
Chevrolet
🢒
1998
🢒
Lumina
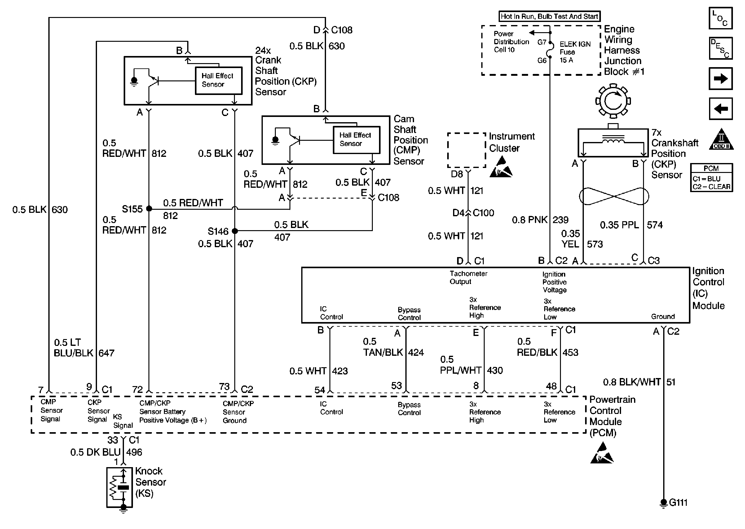
🢒 Ignition System, Knock Sensor
Ignition System, Knock Sensor
Ignition System, Knock Sensor