GM Service Manual Online
For 1990-2009 cars only
Makes
🢒
Chevrolet
🢒
1998
🢒
Lumina
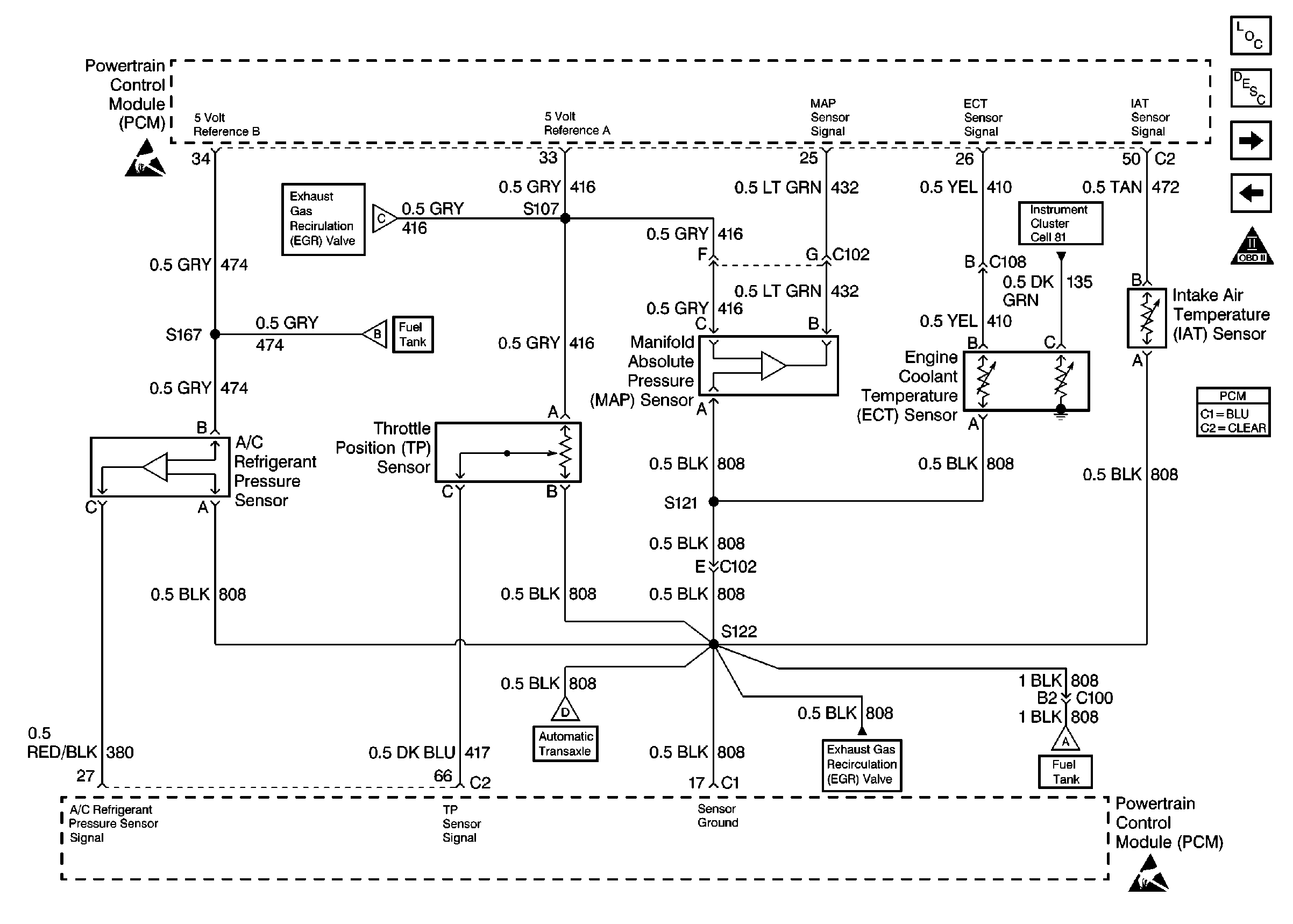
🢒 Engine Data Sensors-A/C Refrig Press, TP, MAP, ECT, IAT
Engine Data Sensors-A/C Refrig Press, TP, MAP, ECT, IAT
Engine Data Sensors-A/C Refrig Press, TP, MAP, ECT, IAT