GM Service Manual Online
For 1990-2009 cars only
Makes
🢒
Chevrolet
🢒
2009
🢒
Lumina Ute
🢒
Diagnostic Navigation
🢒
Vehicle Diagnostic Information
🢒 Interior Lights Schematics
Figure
1:
Ignition Key Cylinder Lamp, Cargo Lamps and Dome Lamp
Master Electrical Component List
Interior Lighting Systems Description and Operation
Control Module References
Cigar Lighter, Multifunction Center Console Switch, Headlamp and Dimmer Switch, Auto Transmission Shift Lever Switch, Steering Wheel Switches, Window/Door Lock and Mirror Swich Illumination
G201
G201
G311 and G402
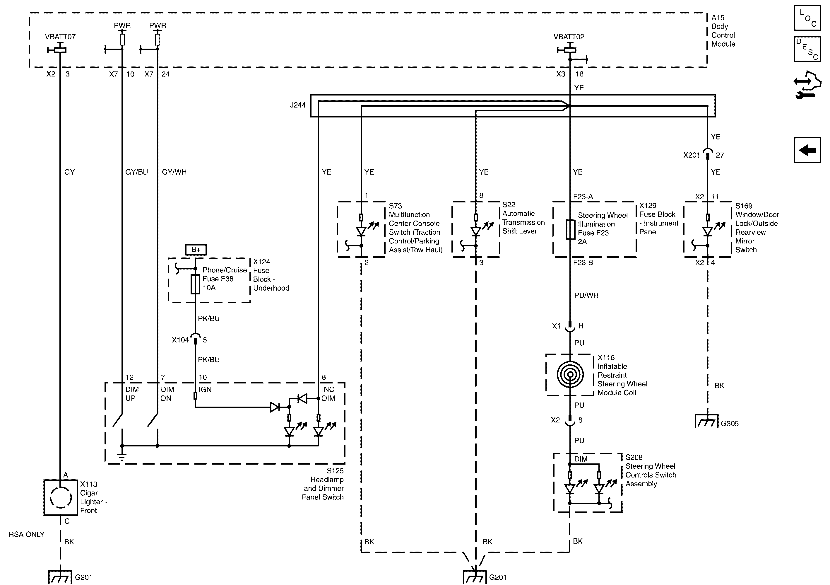
Figure
2:
Cigar Lighter, Multifunction Center Console Switch, Headlamp and Dimmer Switch, Auto Transmission Shift Lever Switch, Steering Wheel Switches, Window/Door Lock and Mirror Switch Illumination
Master Electrical Component List
Interior Lighting Systems Description and Operation
Control Module References
Ignition Key Cylinder Lamp, Cargo Lamps and Dome Lamp
IGN II/III Bus - Airbag, IGN Engine and Phone/Cruise
G201
G201
G305