GM Service Manual Online
For 1990-2009 cars only
Makes
🢒
Chevrolet
🢒
2001
🢒
Malibu
🢒
Body and Accessories
🢒
Wiring Systems
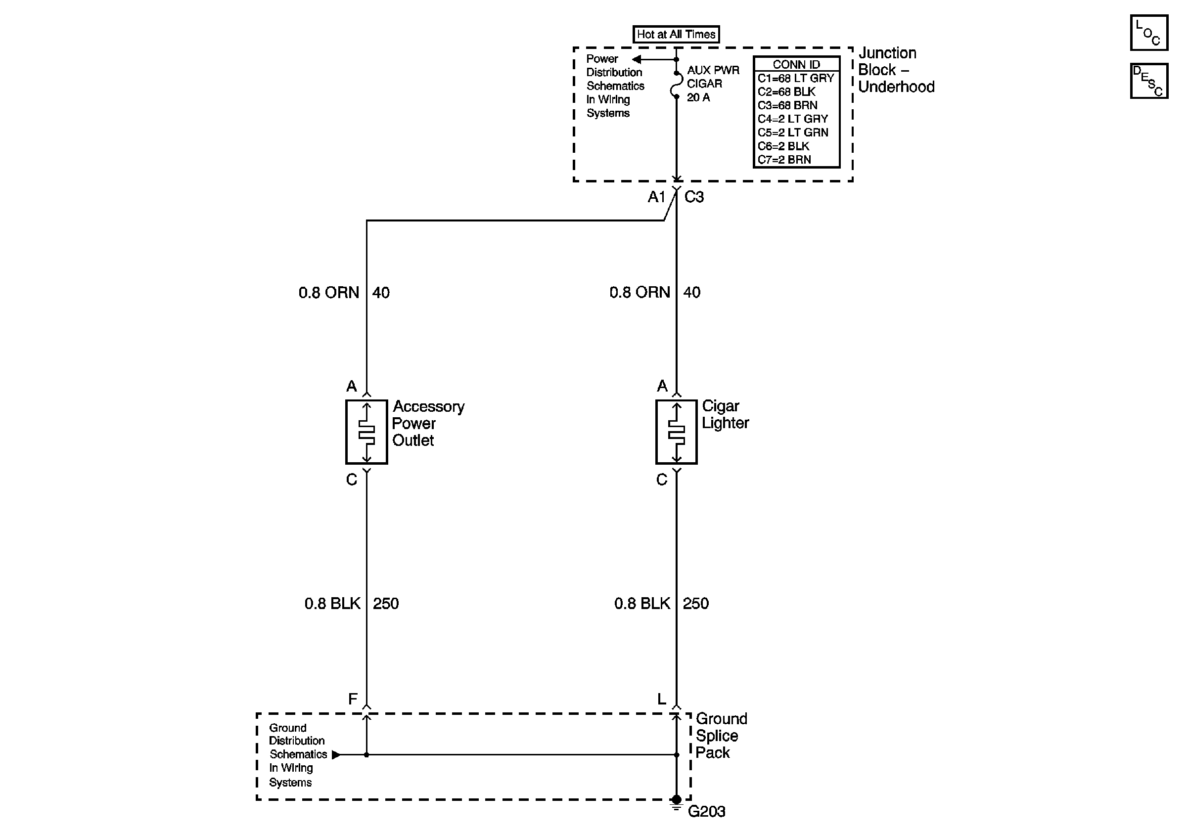
🢒 Cigar Lighter/Power Outlet Schematics
Cigar Lighter and Aux Power
Master Electrical Component List
AUX POWER/CIGAR, PARK LPS, PCM BATT Fuses, PARK LAMP Relay
G203