GM Service Manual Online
For 1990-2009 cars only
Makes
🢒
Chevrolet
🢒
2001
🢒
Malibu
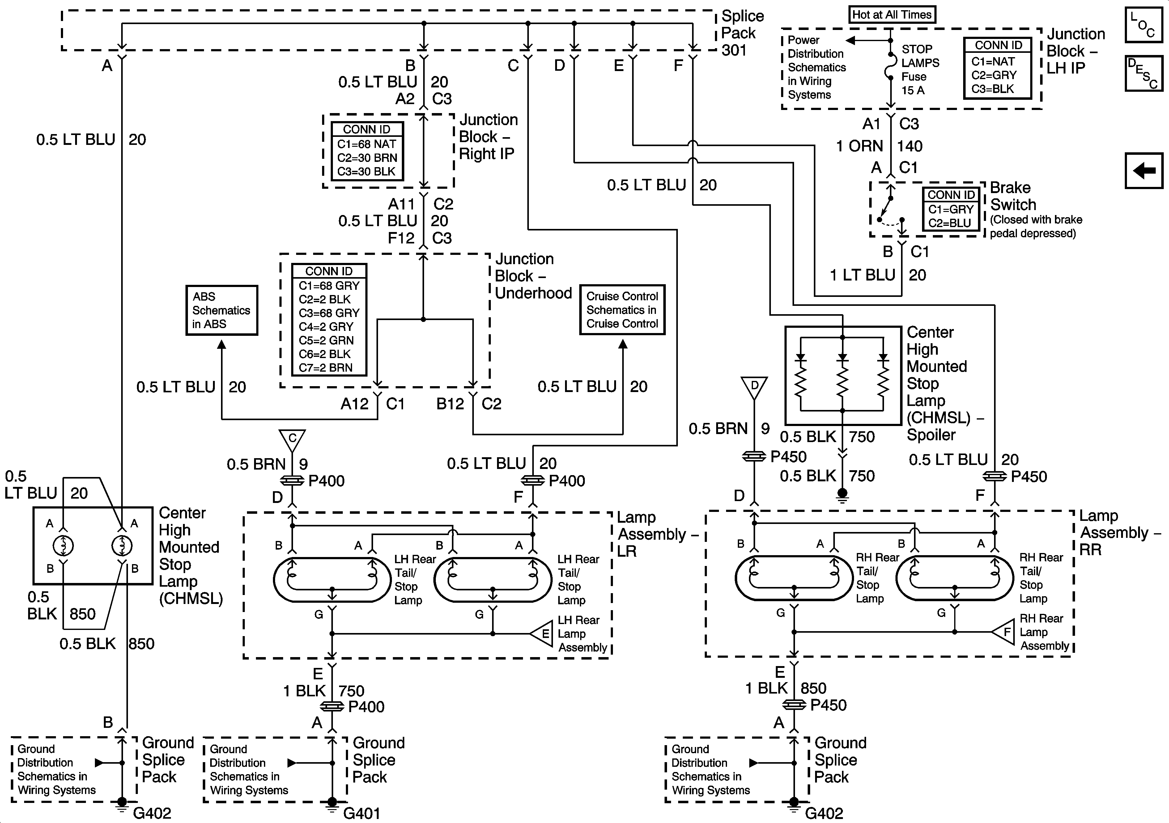
🢒 Tail Lights
Tail Lights
Master Electrical Component List
Exterior Lighting Systems Description and Operation
Interior Accessories
LH IP Junction Block BATT 2, STOP LPS, IPC/HVAC BATT, BFC BATT Fuses
Interior Accessories
G402
Interior Accessories
Powers and Grounds
Powers and Grounds
G401
G402
EBCM, PWR, GND, and BPMV