GM Service Manual Online
For 1990-2009 cars only
Makes
🢒
Chevrolet
🢒
2002
🢒
Malibu
🢒
Engine
🢒
Engine Controls - 3.1L
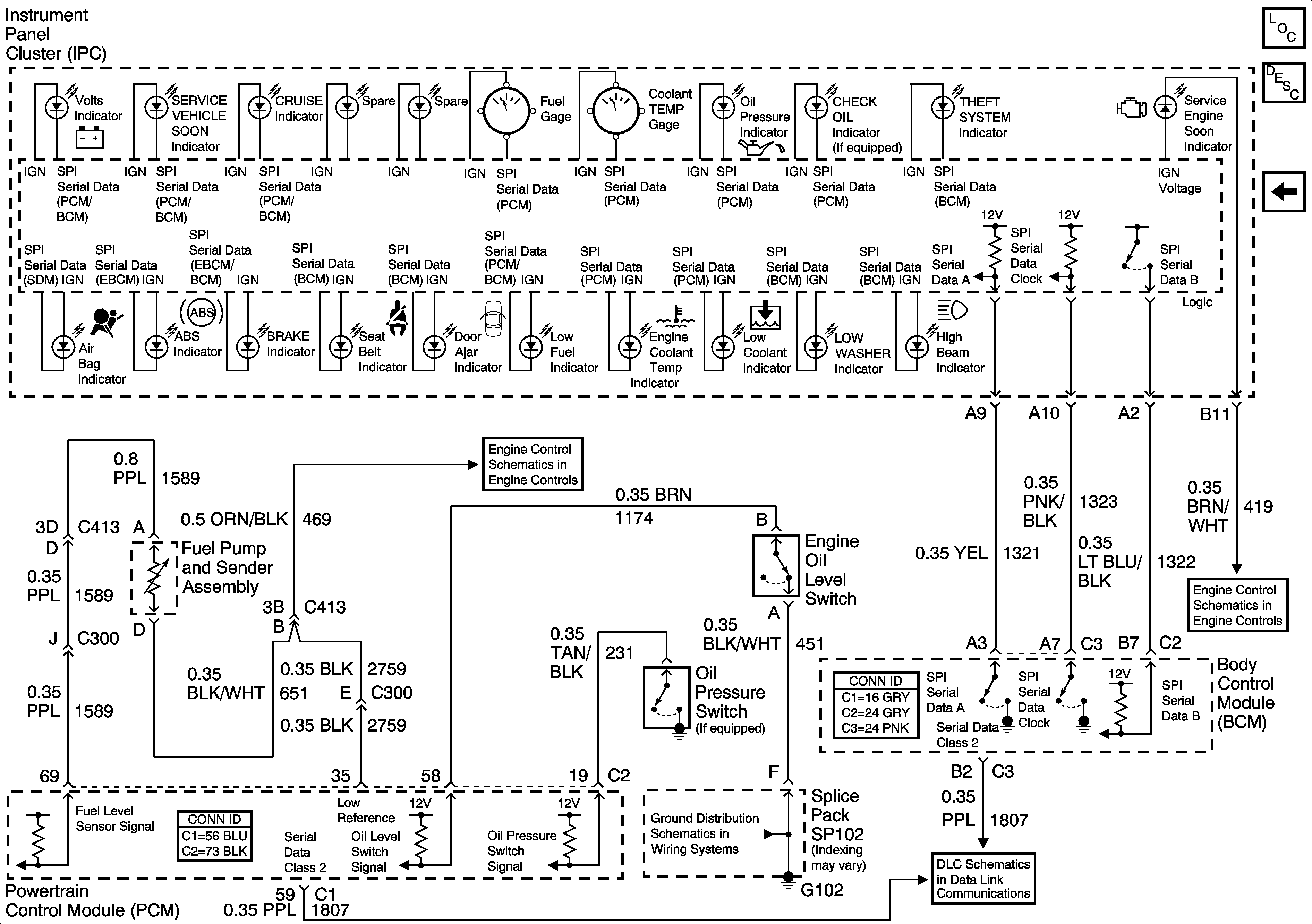
🢒 Instrument Cluster Schematics
Figure
1:
Power and Grounds
LH BFC BATT 2, STOP LPS, HAZARD LPS, IPC/HVAC BATT, BFC BATT Fuses
IGN BATT 1, IGN SW BATT 2, Ignition Switch
LH BFC BATT 2, STOP LPS, HAZARD LPS, IPC/HVAC BATT, BFC BATT Fuses
IGN BATT 1, IGN SW BATT 2, Ignition Switch
Master Electrical Component List
Instrument Cluster Description and Operation
Indicators and Communication
Turn Signal and Hazard Switch
Panel Dimming
SP202
Figure
2:
Indicators and Communication
Master Electrical Component List
Instrument Cluster Description and Operation
Power and Grounds
A/C, TPS, FTP, MAP, ECT, and IAC
PCM Powers and Grounds
SP102
Data Link Communication