| Figure 1: |
PCM Power, Ground, MIL, and Serial Data
|
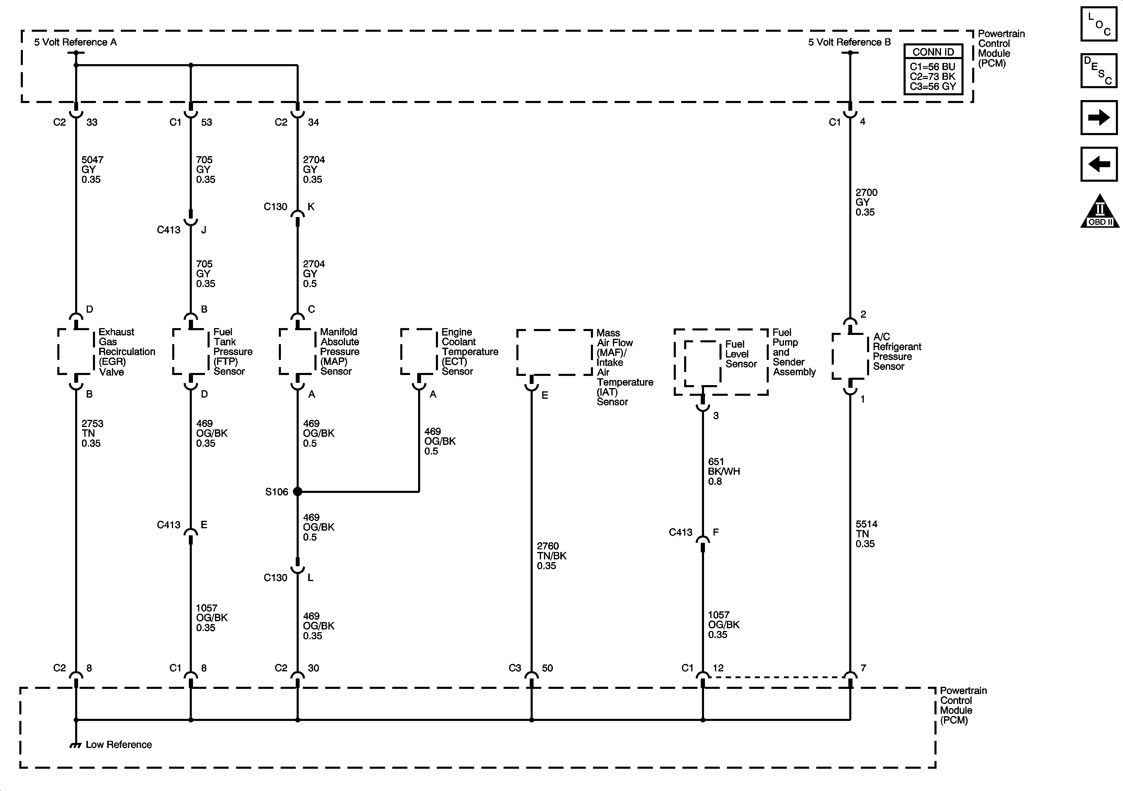
| Figure 2: |
5-Volt and Low Reference Bussing
|
| Figure 3: |
ECT, MAP, MAF/IAT, and VSS Sensors
|
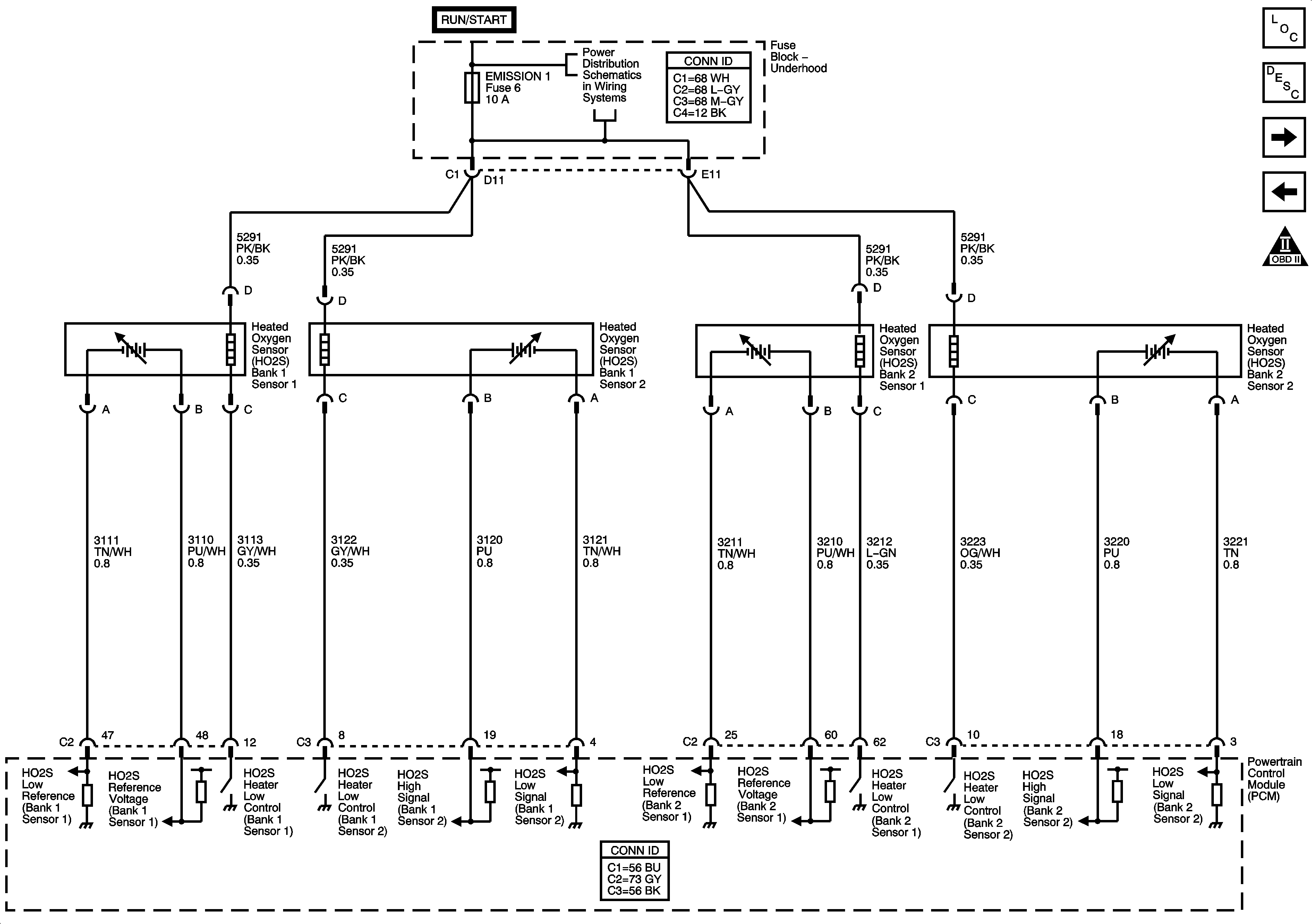
| Figure 4: |
Heated Oxygen Sensors
|
| Figure 5: |
Electronic Throttle Controls
|
| Figure 6: |
Ignition Control Module
|
| Figure 7: |
Fuel Pump Controls
|
| Figure 8: |
Fuel Injectors, FTP Sensor, and EVAP Solenoids
|
| Figure 9: |
Controlled/Monitored Subsystem References
|
| Figure 10: |
Automatic Transmission Controls References
|