GM Service Manual Online
For 1990-2009 cars only
Makes
🢒
Chevrolet
🢒
2005
🢒
Malibu
🢒 Charging
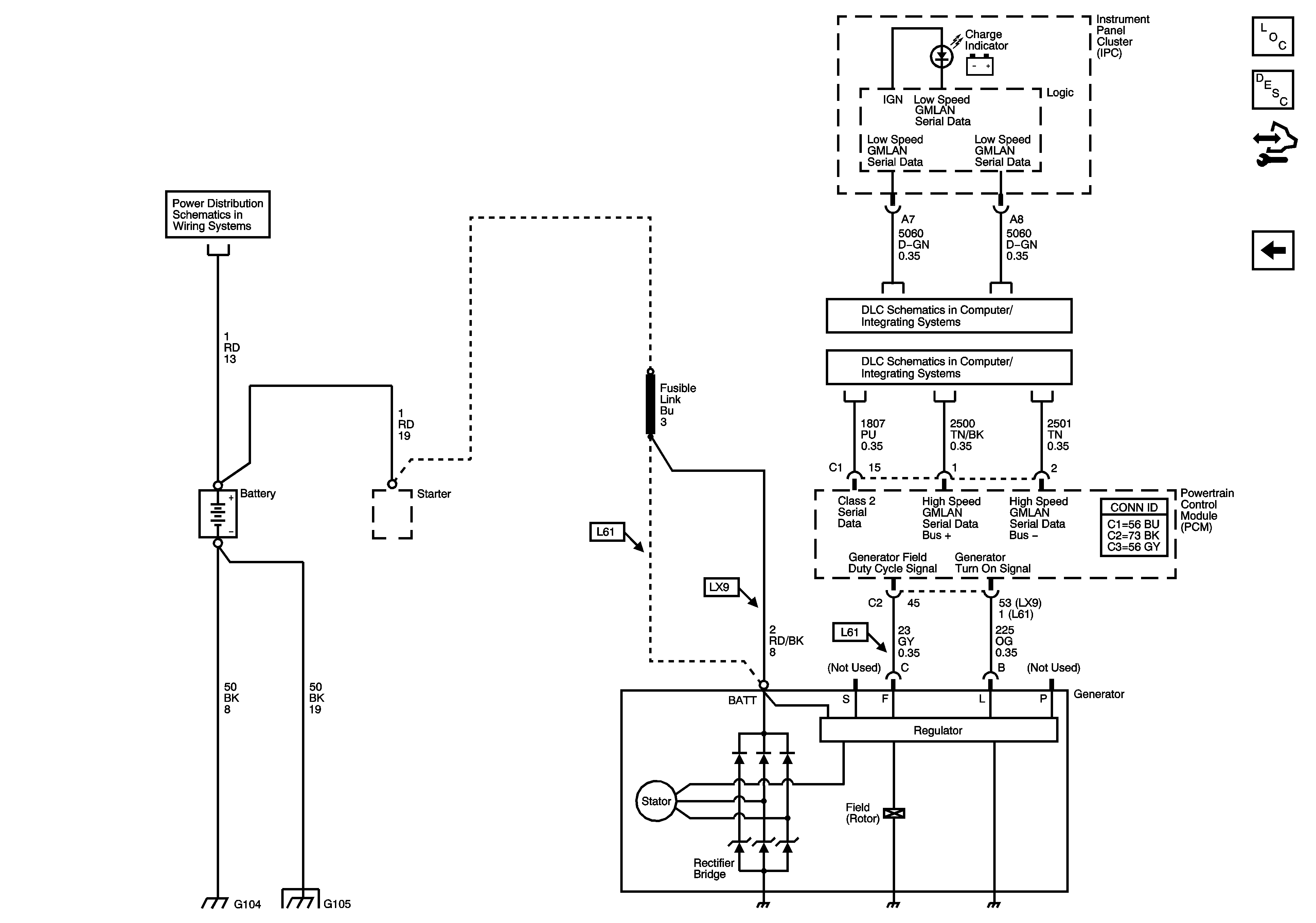
Charging
Charging
Master Electrical Component List
Charging System Description and Operation
Control Module References
Starting
B+ Bussing
Low Speed Serial Data
Power, Ground, Class 2 and High Speed Serial Data
G103, G104 and G105
G103, G104 and G105