GM Service Manual Online
For 1990-2009 cars only
Makes
🢒
Chevrolet
🢒
2005
🢒
Malibu
🢒 License Lamps and Backup Lamps
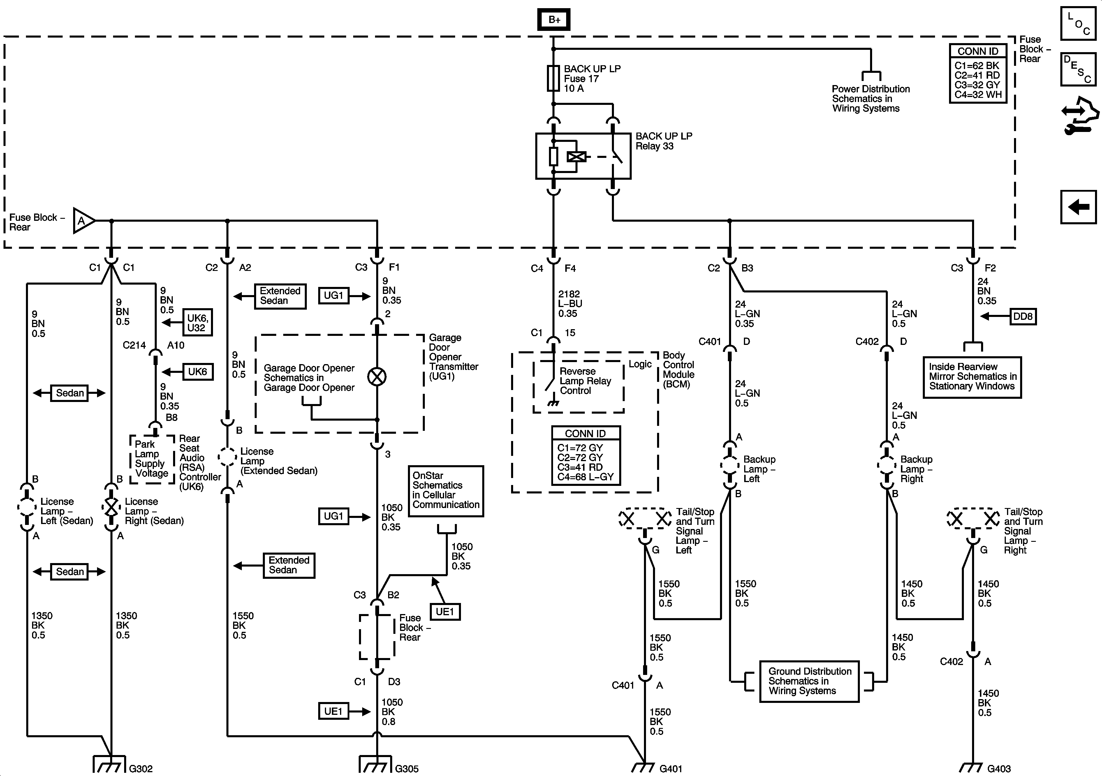
License Lamps and Backup Lamps
License Lamps and Backup Lamps
Master Electrical Component List
Exterior Lighting Systems Description and Operation
Control Module References
Park Lamps
Underhood Fuse Block - RBEC Fuse Rear Fuse Block - Cigar/Aux Power, Sunroof,RKEW/SM/DVD/UGD, Stop Lamp, Rear Defog, HTD Mirror, AUX PWR, HTD Seat Fuses
Garage Door Opener
Park Lamps
Inside Rearview Mirror Schematics
OnStar Schematics
G302
G304 and G305
G401 and G403