GM Service Manual Online
For 1990-2009 cars only
Makes
🢒
Chevrolet
🢒
2006
🢒
Malibu
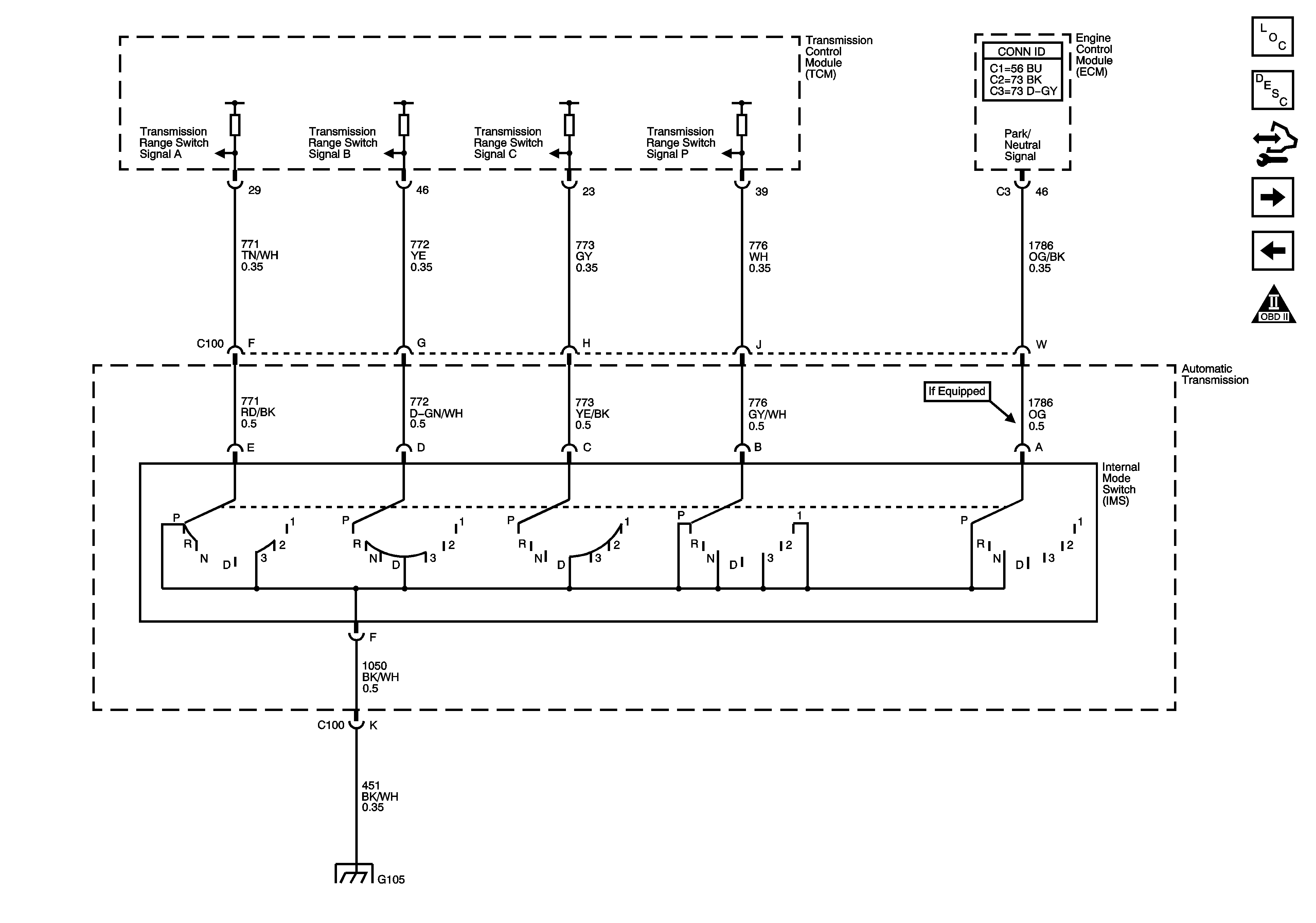
🢒 Internal Mode Switch (IMS)
Internal Mode Switch (IMS)
Internal Mode Switch (IMS)
Master Electrical Component List
Control Module References
Tap Up/Tap Down Switch
ISS, Pressure Control and VSS
Engine Controls Schematic Icons
G103, G104, and G105