GM Service Manual Online
For 1990-2009 cars only
Makes
🢒
Chevrolet
🢒
2006
🢒
Malibu
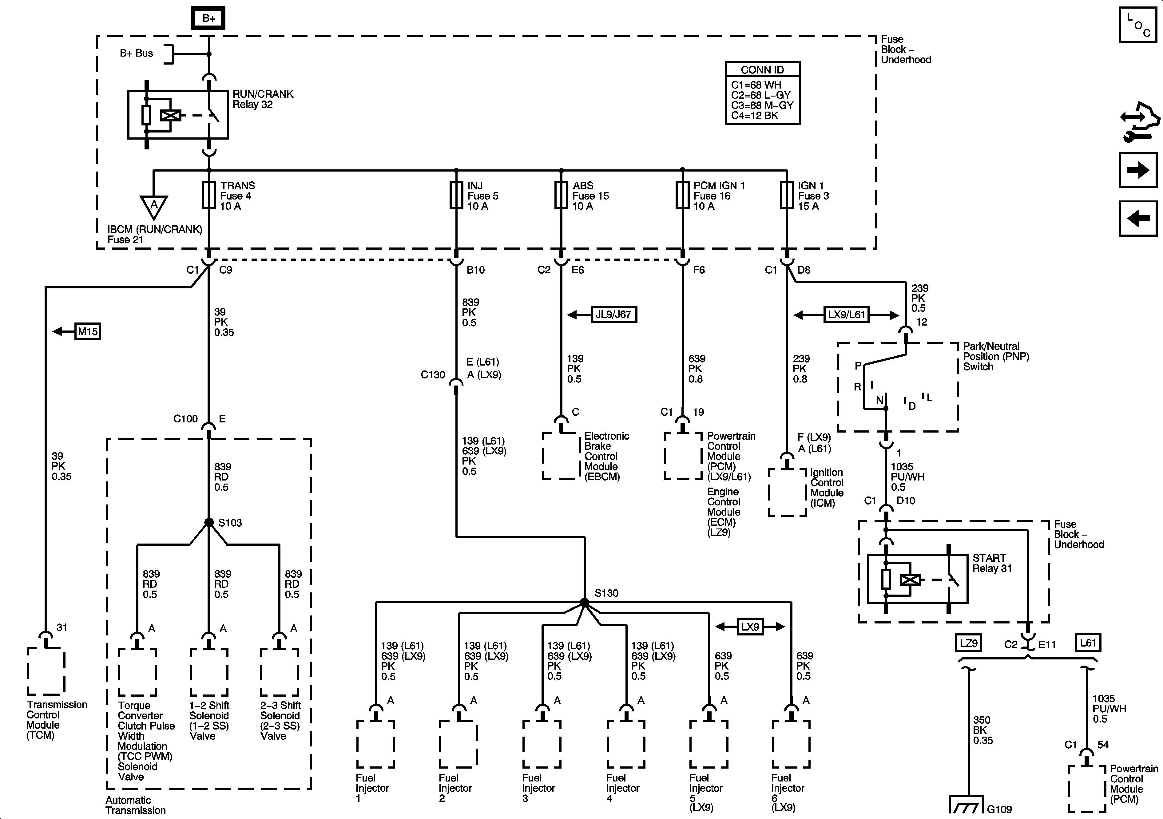
🢒 Underhood Fuse Block, RUN/CRANK Relay, ABS, IGN 1, INJ, PCM IGN 1, and TRANS Fuses
Underhood Fuse Block, RUN/CRANK Relay, ABS, IGN 1, INJ, PCM IGN 1, and TRANS Fuses
Underhood Fuse Block - RUN/CRANK Relay, ABS, IGN 1, INJ, PCM IGN 1, and TRANS Fuses
Master Electrical Component List
Control Module References
Underhood Fuse Block, A/C CLUTCH Relay, PWR/TRN Relay, A/C CLU, EMISSION 1, and ETC Fuses
Underhood Fuse Block, DRL Relay, LO/BEAM Relay, HI/BEAM Relay, ABS, DRL, EPS, IBCM1, IBCM2, LT HI BEAM, LT LOW BEAM, PCM, RT HI BEAM, RT LOW BEAM, TCM Fuses
B+ Bussing
Underhood Fuse Block, IBCM (RUN/CRANK), Body Control Module (BCM), AIR BAG (IGN), EPS and RUN/CRANK Fuses