GM Service Manual Online
For 1990-2009 cars only
Makes
🢒
Chevrolet
🢒
2006
🢒
Malibu
🢒 Engine Cooling Fans
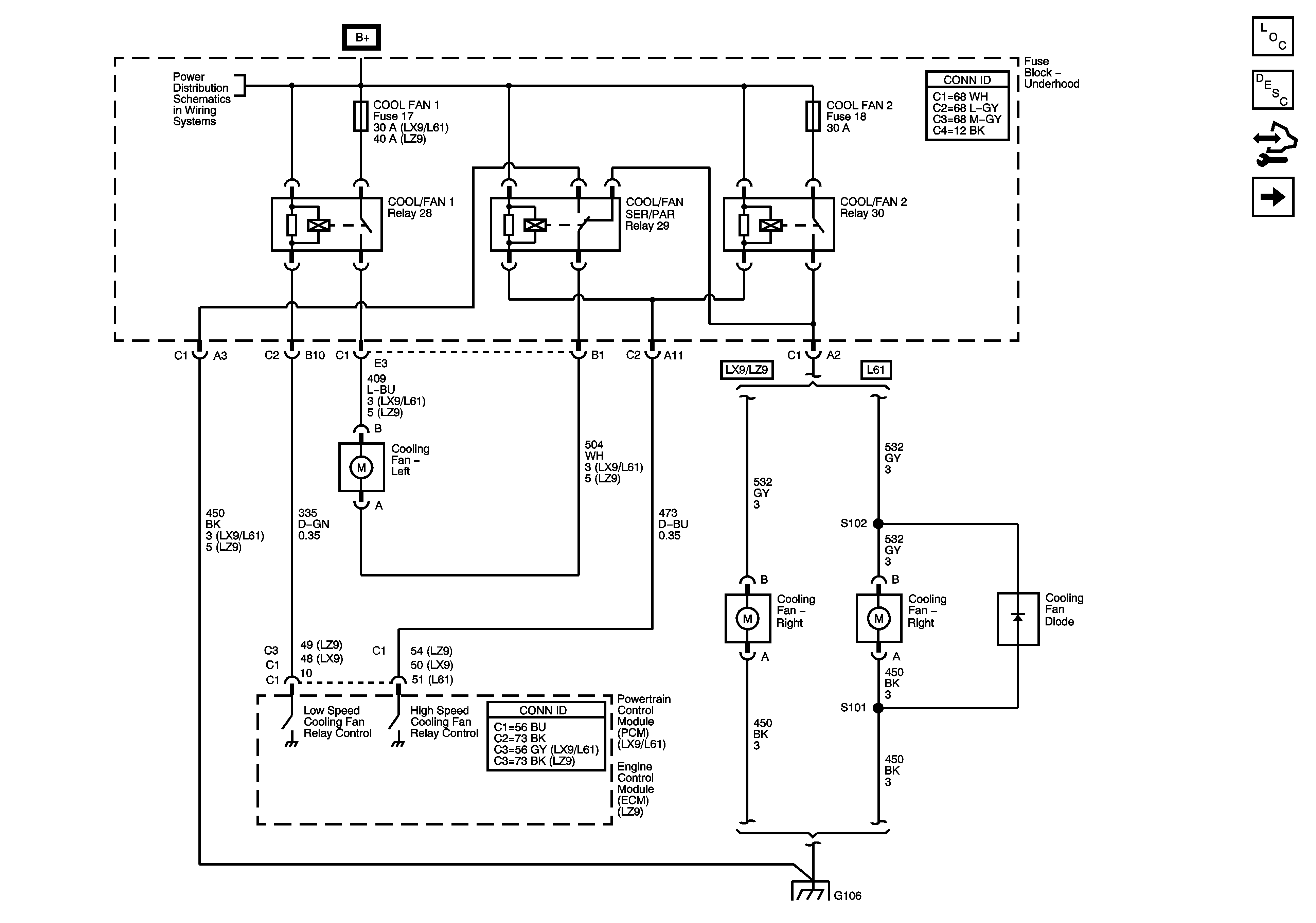
Engine Cooling Fans
Engine Cooling Fans
Master Electrical Component List
Cooling System Description and Operation
Control Module References
Engine Coolant Indicator
B+ Bussing
G106