GM Service Manual Online
For 1990-2009 cars only
Figure 1:

Power, Ground, Serial Data and MIL


Object Number: 1786504  Size: FS
Master Electrical Component List
Engine Control Module Description
Control Module References
5-Volt and Low References
Underhood Fuse Block IBCM 1, Body Control Module (BCM) AIRBAG (BATT), CLUSTER/THEFT, HVAC CTRL (BATT), IGN SENSOR and RADIO Fuses
Underhood Fuse Block IBCM 1, Body Control Module (BCM) AIRBAG (BATT), CLUSTER/THEFT, HVAC CTRL (BATT), IGN SENSOR and RADIO Fuses
Underhood Fuse Block IBCM 1, Body Control Module (BCM) AIRBAG (BATT), CLUSTER/THEFT, HVAC CTRL (BATT), IGN SENSOR and RADIO Fuses
G103, G104 and G105
Power, Ground and High Speed Serial Data
G109
Underhood Fuse Block RUN/CRANK Relay, ABS, IGN 1, INJ, ECM IGN 1 and TRANS Fuses
Figure 2:

5-Volt and Low References


Object Number: 1786517  Size: FS
Master Electrical Component List
Engine Control Module Description
Control Module References
ECT, MAF/IAT and MAP Sensors
Power, Ground, Serial Data and MIL
Figure 3:

ECT, MAF/IAT and MAP Sensors


Object Number: 1786518  Size: FS
Master Electrical Component List
Engine Control Module Description
Control Module References
Heated Oxygen Sensors
5-Volt and Low References
Underhood Fuse Block A/C CLUTCH and PWR/TRN Relays, A/C CLU, EMISSION 1, ETC and INJ Fuses
Turn Signals and Stop Lamps
G103, G104 and G105
Figure 4:

Heated Oxygen Sensors


Object Number: 1786520  Size: FS
Master Electrical Component List
Engine Control Module Description
Control Module References
Electronic Throttle Controls
ECT, MAF/IAT and MAP Sensors
Underhood Fuse Block A/C CLUTCH and PWR/TRN Relays, A/C CLU, EMISSION 1, ETC and INJ Fuses
Figure 5:

Electronic Throttle Controls


Object Number: 1786522  Size: FS
Master Electrical Component List
Engine Control Module Description
Control Module References
Ignition System
Heated Oxygen Sensors
Engine Controls Schematic Icons
Figure 6:

Ignition System


Object Number: 1786524  Size: FS
Master Electrical Component List
Electronic Ignition (EI) System Description
Control Module References
Fuel Injectors and Fuel Pump
Electronic Throttle Controls
Underhood Fuse Block RUN/CRANK Relay, ABS, IGN 1, INJ, ECM IGN 1 and TRANS Fuses
G106
Engine Controls Schematic Icons
Engine Controls Schematic Icons
Figure 7:

Fuel Injectors and Fuel Pump


Object Number: 1786528  Size: FS
Master Electrical Component List
Fuel System Description
Control Module References
EVAP Controls, FTP Sensor and IMT Valve Solenoid
Ignition System
Underhood Fuse Block A/C CLUTCH and PWR/TRN Relays, A/C CLU, EMISSION 1, ETC and INJ Fuses
Underhood Fuse Block RBEC 2, RUN RLY, Body Control Module (BCM), HVAC BLOWER HIGH Relay, RUN Relay, HVAC BLOWER, HVAC CTRL (IGN) Rear Fuse Block FUEL/PMP Relay, PARK LP Relay, TRUNK Relay, DRV ST
Underhood Fuse Block RBEC 2, RUN RLY, Body Control Module (BCM), HVAC BLOWER HIGH Relay, RUN Relay, HVAC BLOWER, HVAC CTRL (IGN) Rear Fuse Block FUEL/PMP Relay, PARK LP Relay, TRUNK Relay, DRV ST
Indicators
G302
G301
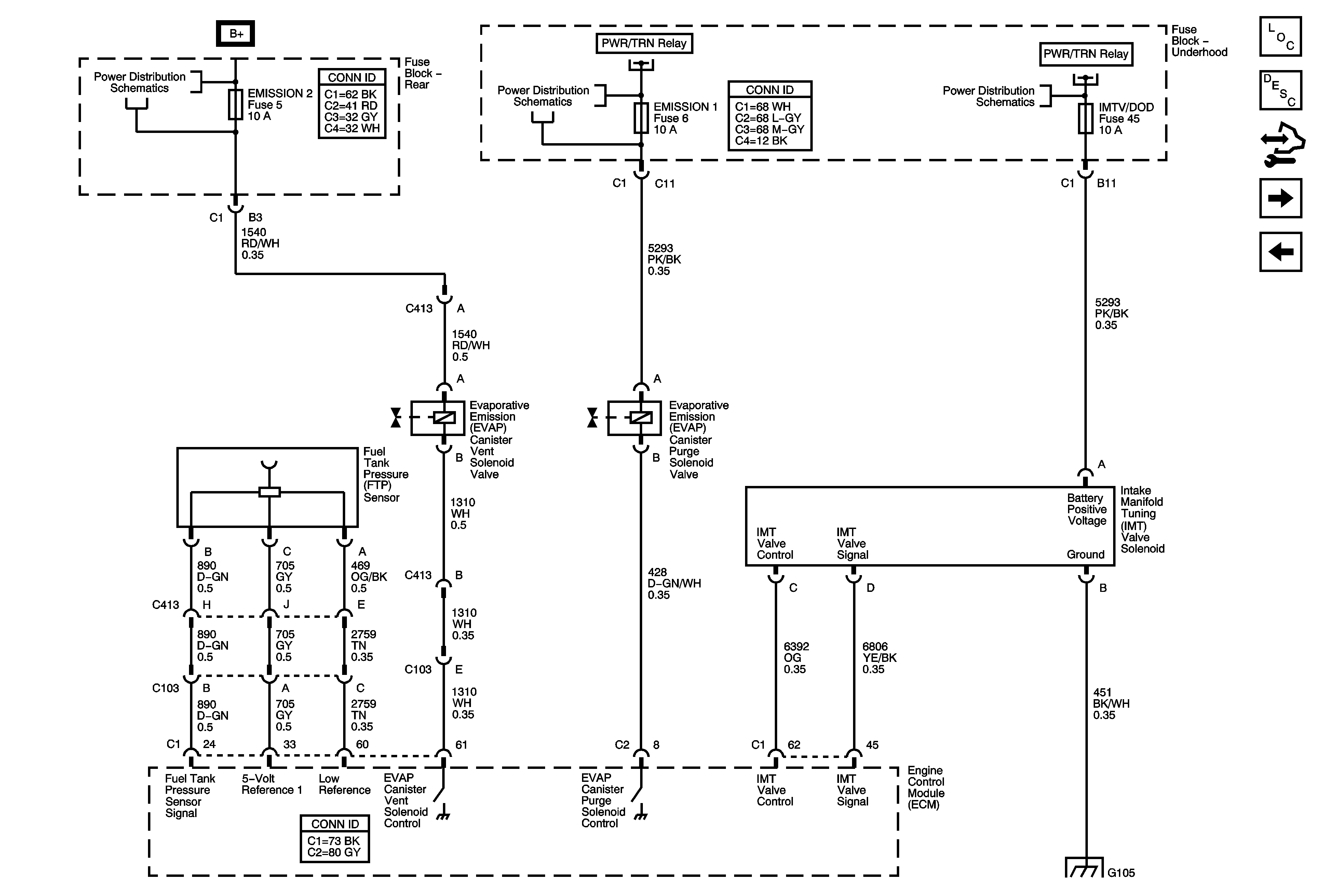
Figure 8:

EVAP Controls, FTP Sensor and IMT Valve Solenoid


Object Number: 1786542  Size: FS
Master Electrical Component List
Evaporative Emission Control System Description
Control Module References
Controlled/Monitored Subsystem References
Fuel Injectors and Fuel Pump
Underhood Fuse Block A/C CLUTCH and PWR/TRN Relays, A/C CLU, EMISSION 1, ETC and INJ Fuses
Underhood Fuse Block RBEC 2, RUN RLY, Body Control Module (BCM), HVAC BLOWER HIGH Relay, RUN Relay, HVAC BLOWER, HVAC CTRL (IGN) Rear Fuse Block FUEL/PMP Relay, PARK LP Relay, TRUNK Relay, DRV ST
Underhood Fuse Block A/C CLUTCH and PWR/TRN Relays, A/C CLU, EMISSION 1, ETC and INJ Fuses
G103, G104 and G105
Figure 9:

Controlled/Monitored Subsystem References


Object Number: 1786545  Size: FS
Master Electrical Component List
Engine Control Module Description
Control Module References
EVAP Controls, FTP Sensor and IMT Valve Solenoid
Starting System
Charging System
Compressor Controls
Compressor Controls
Cooling Fans
Indicators