GM Service Manual Online
For 1990-2009 cars only

Removal Procedure

  1. Remove the door trim panel. Refer to Front Side Door Trim Panel Replacement.

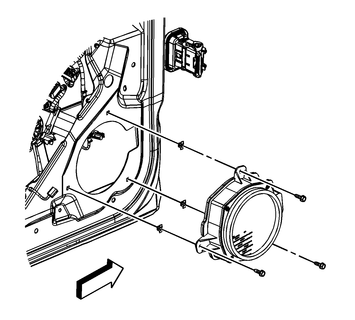
  2. Object Number: 1247856  Size: SH
  3. Remove the fasteners from the speaker and remove the speaker from the door.

Installation Procedure

    Notice: Refer to Fastener Notice in the Preface section.


    Object Number: 1247856  Size: SH
  1. Install the speaker to the door and secure with the fasteners.
  2. Tighten
    Tighten the fasteners to 2 N·m (18 lb in).

  3. Install the door trim panel. Refer to Front Side Door Trim Panel Replacement.