GM Service Manual Online
For 1990-2009 cars only

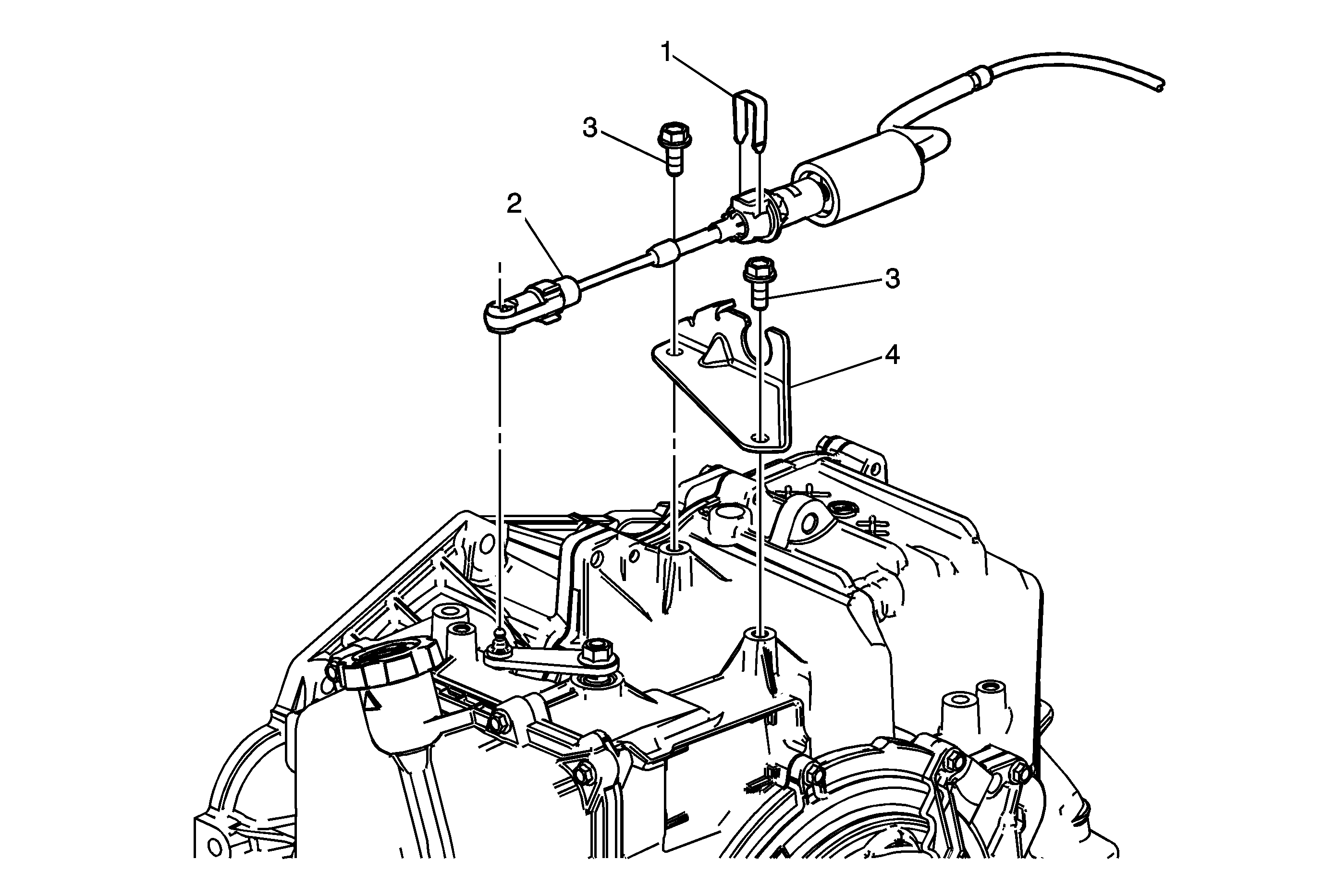
Object Number: 1830045  Size: MF

Callout

Component Name

Preliminary Procedures

  1. Set the park brake and chock the wheels.
  2. Remove the battery tray. Refer to Battery Tray Replacement .

1

Transmission Range Selector Lever Cable Retainer

2

Transmission Range Selector Lever Cable

3

Transmission Range Selector Lever Cable Bracket Bolt

Notice: Refer to Fastener Notice in the Preface section.

Tighten
25 N·m (18 lb ft)

4

Transmission Range Selector Lever Cable Bracket