GM Service Manual Online
For 1990-2009 cars only
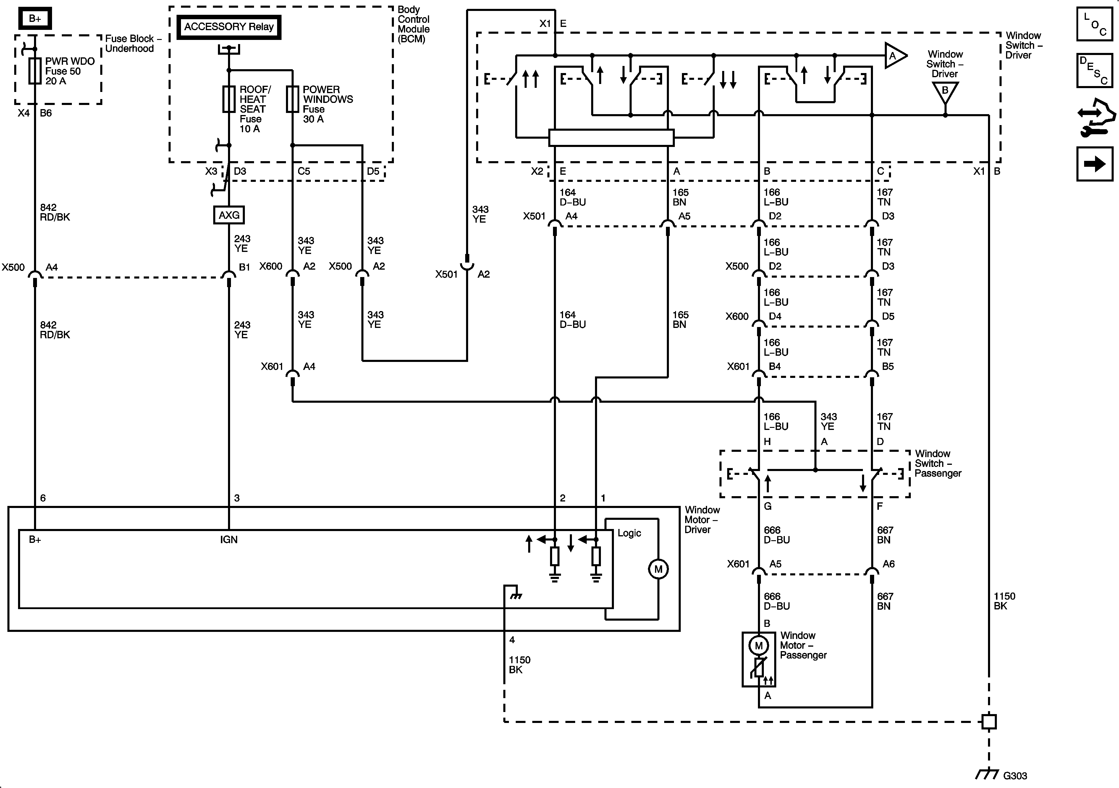
Figure 1:

Power, Ground, and Front Windows (AXG)


Object Number: 2081458  Size: FS
Figure 2:

Power, Ground, and Front Windows (without AXG)


Object Number: 2081462  Size: FS
Figure 3:

Rear Windows


Object Number: 2081498  Size: FS