GM Service Manual Online
For 1990-2009 cars only
Figure 1:

Brake Pedal Position Sensor, Hazard Switch, and Turn Signal/Multifunction Switch


Object Number: 2081521  Size: FS
Figure 2:

Front Turn Lamps


Object Number: 2081526  Size: FS
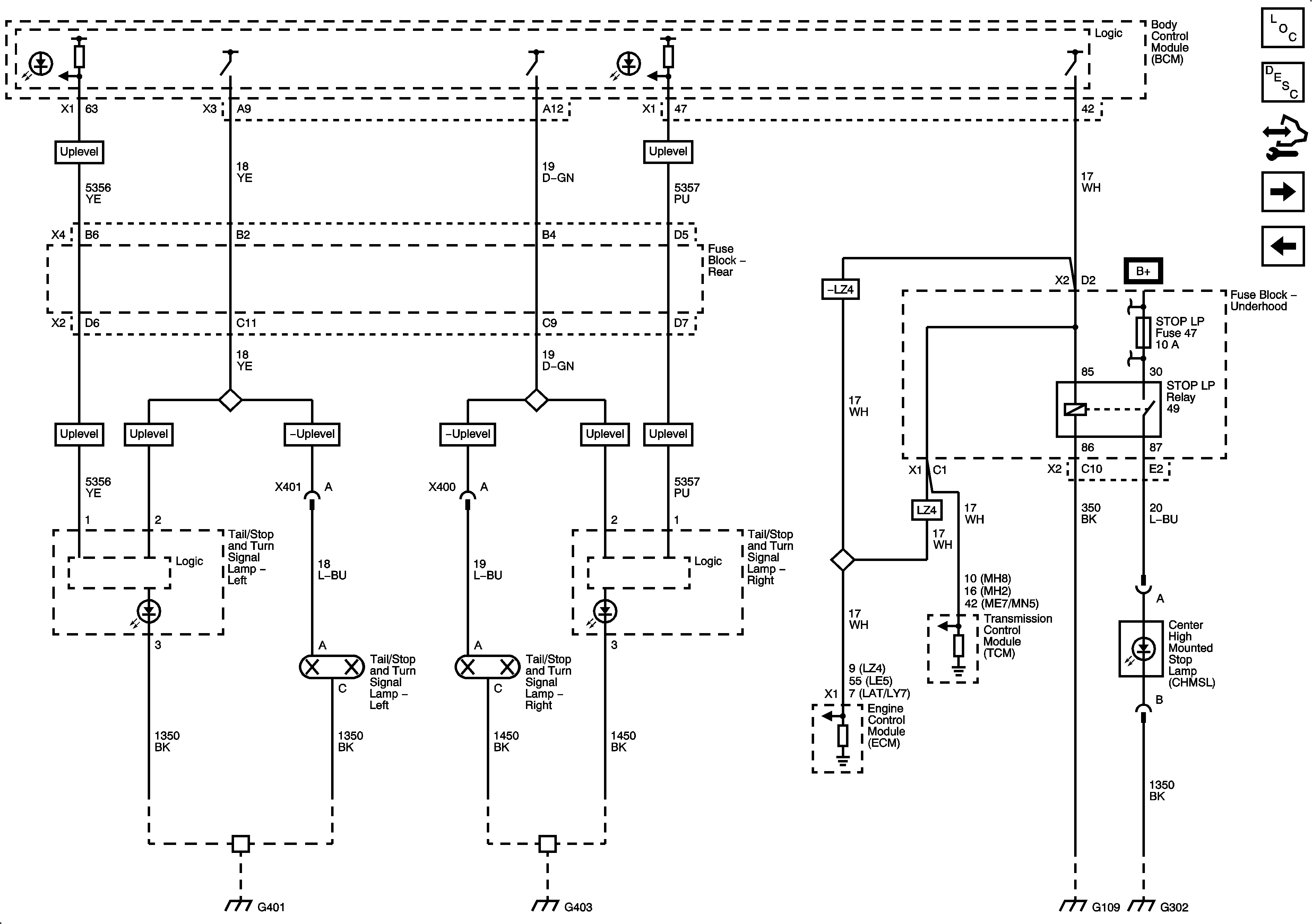
Figure 3:

Rear Stop/Turn Lamps


Object Number: 2081530  Size: FS
Figure 4:

Park, Marker and License Lamps


Object Number: 2081533  Size: FS
Figure 5:

Backup Lamps


Object Number: 2081547  Size: FS