GM Service Manual Online
For 1990-2009 cars only

Removal Procedure


    Object Number: 1891759  Size: SH
  1. Disconnect the hybrid battery. Refer to Hybrid Battery Service Disconnect/Connect.
  2. Remove the 2 connector position assurance (CPA) retainers (3).
  3. Warning: To help avoid personal injury, additional precautions must be taken prior to working on the generator control module or the generator starter. After removing the 36V battery cables from the generator battery, remove both engine wiring harness connectors from the generator control module. Wait at least 5 minutes and then remove the generator control module cover. Verify voltage levels at all 36V, 12V, and 3-phase connections, are less than 3 volts using a DMM before proceeding.

  4. Disconnect the 2 engine wiring harness electrical connectors (2) from the generator control module.
  5. WAIT at least 5 minutes in order to allow the voltage stored in the generator control module to discharge.

  6. Object Number: 1891960  Size: SH
  7. Remove the generator control module bracket reinforcement bolt (1) and nuts (2).
  8. Remove the generator control module bracket reinforcement (3).

  9. Object Number: 1891961  Size: SH
  10. Loosen the generator control module cover integral bolts (1) and remove the cover (2).

  11. Object Number: 1891958  Size: SH
  12. The generator control module will have to be checked for voltage potential using a voltmeter. First, verify that the voltmeter works:
  13. 8.1. Set the voltmeter to DC voltage.
    8.2. Measure the vehicle's 12-volt battery voltage.
    8.3. The meter should read greater than +12 volts DC.
  14. Now, check the generator control module for voltage potential, in order to ensure that the module has been disabled.
  15. 9.1. Measure from the 36-volt positive terminal (3) to a known good chassis ground. The voltage should be less than 3 volts.
    9.2. Measure from the 12-volt positive terminal (2) to a known good chassis ground. The voltage should be less than 3 volts.
    9.3. Measure from the ground terminal (4) to known good chassis ground, checking for continuity.

    Warning: To help avoid personal injury, always treat the 3-phase cable and connectors as if voltage is present and as if the surface of all parts of the cable is hot.

  16. Verify that the generator control module 3-phase cables are disabled.
  17. 10.1. Measure from each phase 1, 2, and 3 connection (1) to a known good chassis ground. The voltage should be less than 3 volts.
    10.2. After verifying that there is no voltage present, the battery positive fuse can now be removed from the generator control module.

    Object Number: 1891966  Size: SH
  18. Remove the 36-volt terminal block nuts (1) from the generator control module.
  19. Lift up, and reposition the 36-volt terminal block (2). Discard the terminal block seal.

  20. Object Number: 1967629  Size: SH
  21. Remove the battery positive cable extension cable bolt (1).

  22. Object Number: 1891200  Size: SH
  23. Disengage the two side retaining tabs on the positive battery cable (1), and open the cover.
  24. Remove the battery positive cable extension cable nut (2).
  25. Remove the battery positive cable extension cable lead (3) from the positive battery cable.

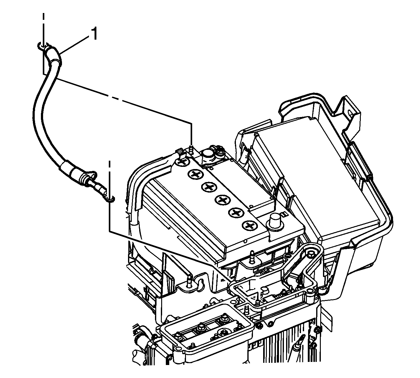
  26. Object Number: 1893528  Size: SH
  27. Remove the battery positive cable extension cable (1) from the vehicle.

Installation Procedure


    Object Number: 1893528  Size: SH
  1. Install the battery positive cable extension cable (1) to the vehicle.

  2. Object Number: 1891200  Size: SH
  3. Install the battery positive cable extension cable lead (3) to the positive battery cable.
  4. Caution: Refer to Fastener Caution in the Preface section.

  5. Install the battery positive cable extension cable nut (2).
  6. Tighten
    Tighten the nut to 10 N·m (89 lb in).

  7. Close the positive battery cable (1) cover.

  8. Object Number: 1967629  Size: SH
  9. Install the battery positive cable extension cable bolt (1).
  10. Tighten
    Tighten the bolt to 10 N·m (89 lb in).


    Object Number: 1891966  Size: SH
  11. Place a NEW terminal block seal onto the generator control module.
  12. Position the 36-volt terminal block (2) to the generator control module.
  13. Install the 36-volt terminal block nuts (1) to the generator control module.
  14. Tighten
    Tighten the nuts to 10 N·m (89 lb in).


    Object Number: 1891961  Size: SH
  15. Place the generator control module cover (2) on top of the generator control module and tighten the bolts (1).
  16. Tighten
    Tighten the bolts to 10 N·m (89 lb in).


    Object Number: 1891960  Size: SH
  17. Install the generator control module bracket reinforcement (3).
  18. Install the generator control module bracket reinforcement bolt (1) and nuts (2).
  19. Tighten
    Tighten the bolt/nuts to 10 N·m (89 lb in).


    Object Number: 1891759  Size: SH
  20. Connect the 2 engine wiring harness electrical connectors (2) to the generator control module.
  21. Install the 2 CPA retainers (3).
  22. Connect the hybrid battery. Refer to Hybrid Battery Service Disconnect/Connect.