GM Service Manual Online
For 1990-2009 cars only
Makes
🢒
Chevrolet
🢒
2009
🢒
Malibu
🢒
Power and Signal Distribution
🢒
Data Communications
🢒 Data Communication Schematics
Figure
1:
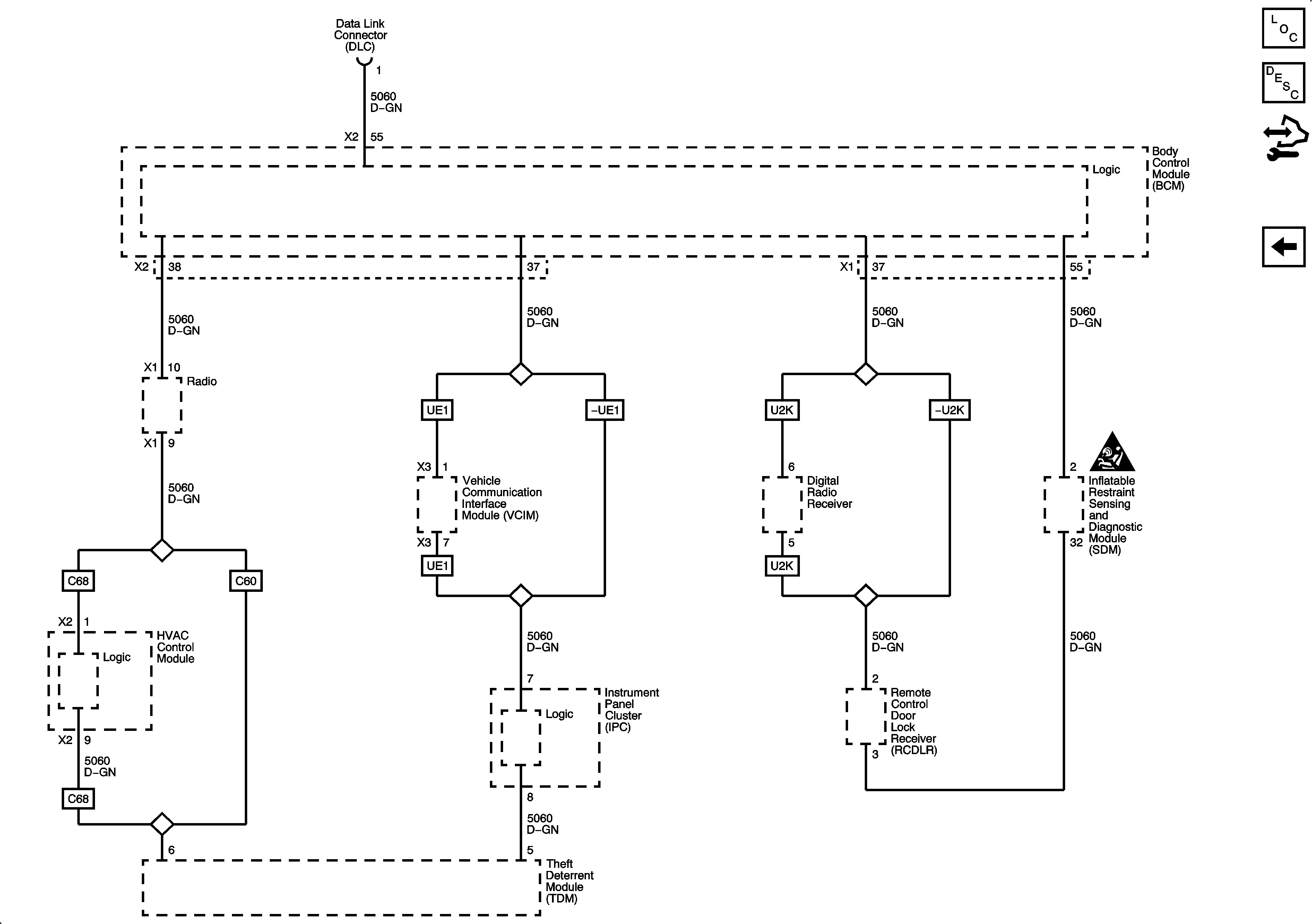
Power, Ground, and High Speed Serial Data (without HP7)
Figure
2:
Power, Ground, and High Speed Serial Data (HP7)
Figure
3:
Low Speed Serial Data